GM Service Manual Online
For 1990-2009 cars only
Figure 1:

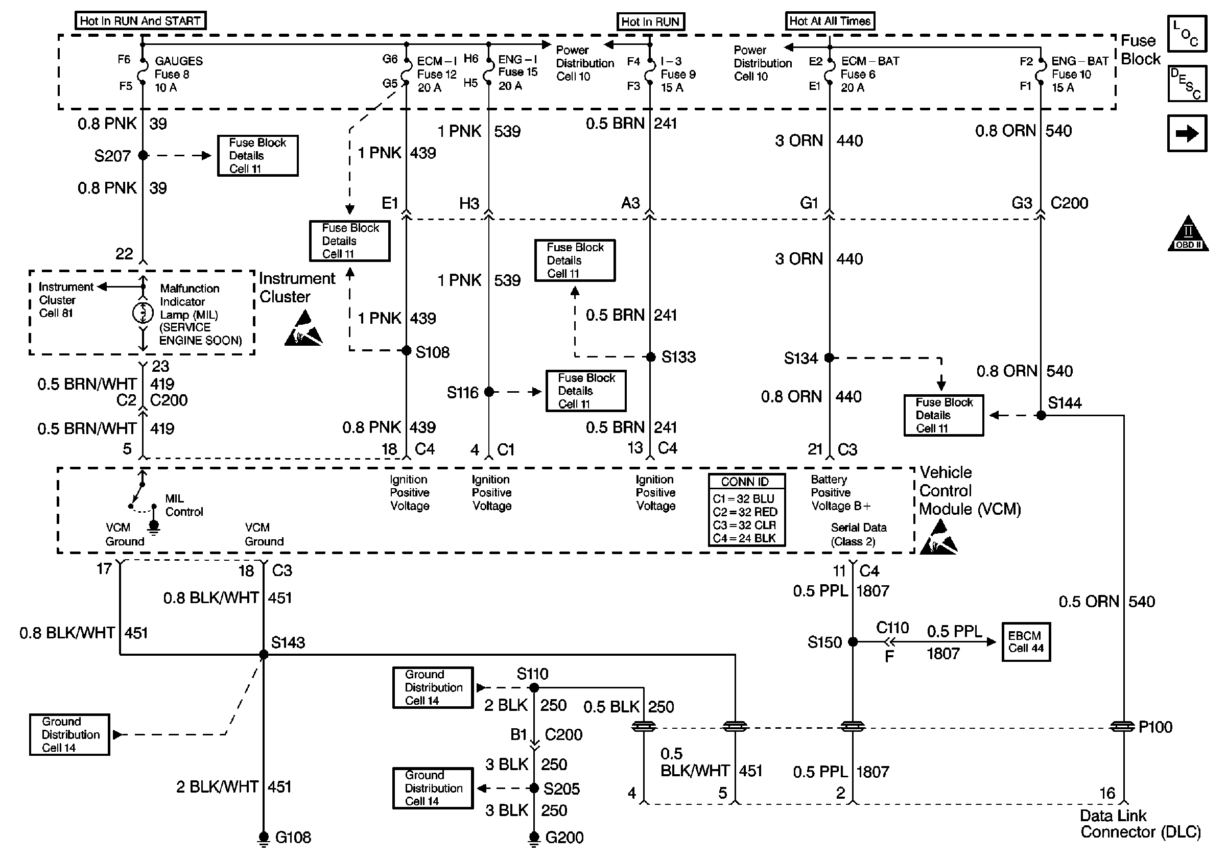
Cell 21: Power and Grounding


Object Number: 507478  Size: FS
Engine Controls Components
Vehicle Control Module Description
Cell 21: Ignition System
OBD II Symbol Description Notice
Cell 11: GAUGES fuse
Handling ESD Sensitive Parts Notice
Cell 11: ECM-I fuse [L35]
Cell 81(3 of 4)
98 P32/42 5.0/5.7L Engine Controls Cell 21: MAF, IAC, VSS
Cell 138: P42 BTSI Circuit
Cell 10: Fuse Block and Headlamp Switch
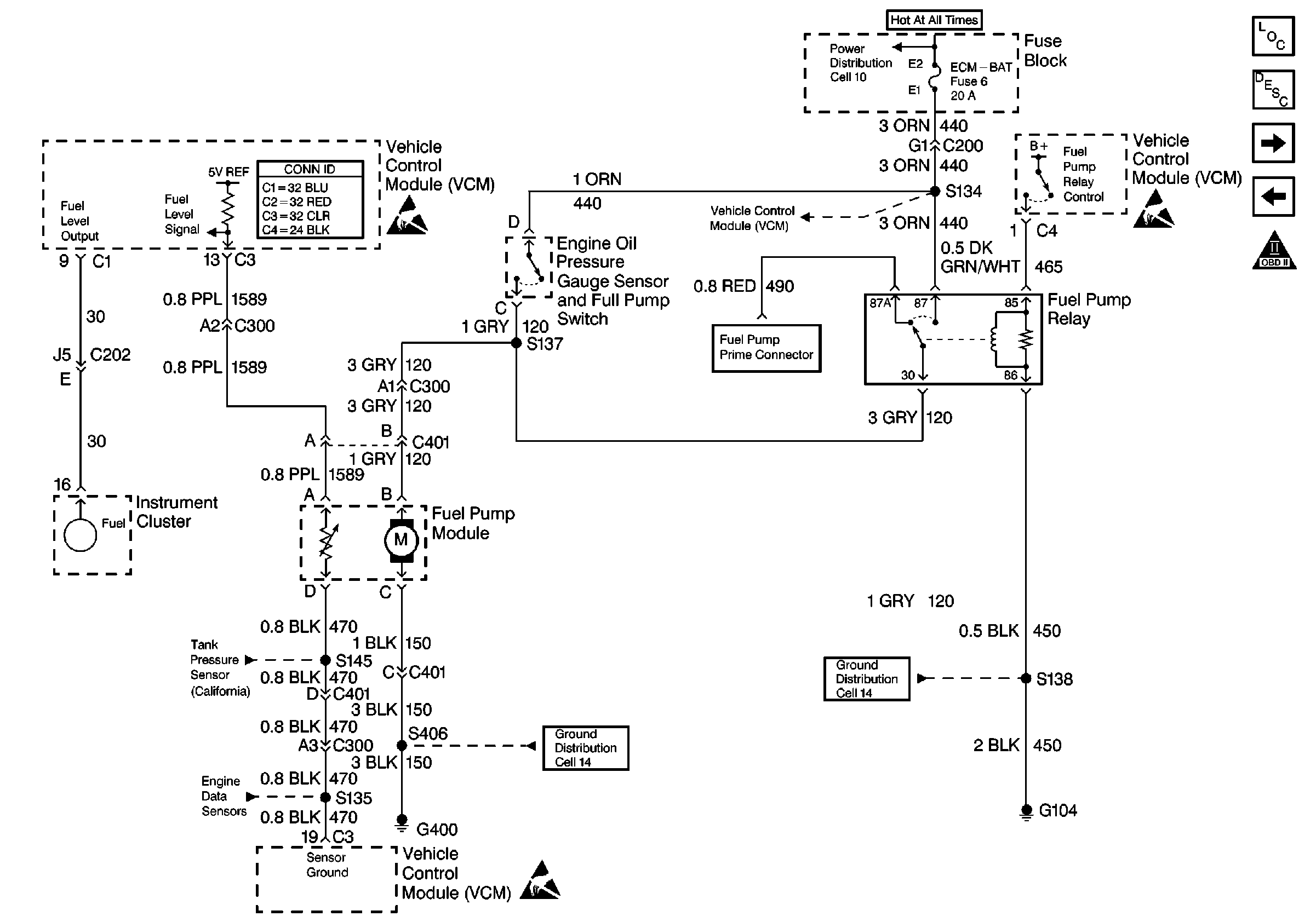
Cell 21: Fuel Controls - Pump Control
Cell 21: A/C Controls
Handling ESD Sensitive Parts Notice
Cell 44: P32 Gas, ABS Power and Grounding, DLC Output
Cell 50
Cell 14: G200
Cell 14: S110 [L31/L35]
Cell 14: G105, G106, G110, G400, and G401
Figure 2:

Cell 21: Ignition System


Object Number: 506191  Size: FS
Engine Controls Components
Enhanced Ignition System Description
Cell 21: Fuel Controls - Pump Control
Cell 21: Power and Grounding
OBD II Symbol Description Notice
Cell 11: Engine Control Sensors
Cell 138: P42 BTSI Circuit
Cell 81(3 of 4)
Cell 11: ECM-I fuse [L35]
Cell 81(3 of 4)
Handling ESD Sensitive Parts Notice
Cell 14: G108 [L31/L35]
Handling ESD Sensitive Parts Notice
Figure 3:

Cell 21: Fuel Controls -- Pump Control


Object Number: 506192  Size: FS
Engine Controls Components
Central Sequential Duel Injection Fuel System Description
Cell 21: Fuel Controls - Injectors
Cell 21: Ignition System
OBD II Symbol Description Notice
Handling ESD Sensitive Parts Notice
Cell 21: Power and Grounding
Cell 10: Fuse Block and Headlamp Switch
Handling ESD Sensitive Parts Notice
Cell 14: G108 [L31/L35]
Cell 14: S110 [L57]
Handling ESD Sensitive Parts Notice
Cell 21: Engine Data Sensors - MAP, IAT, TP ECT
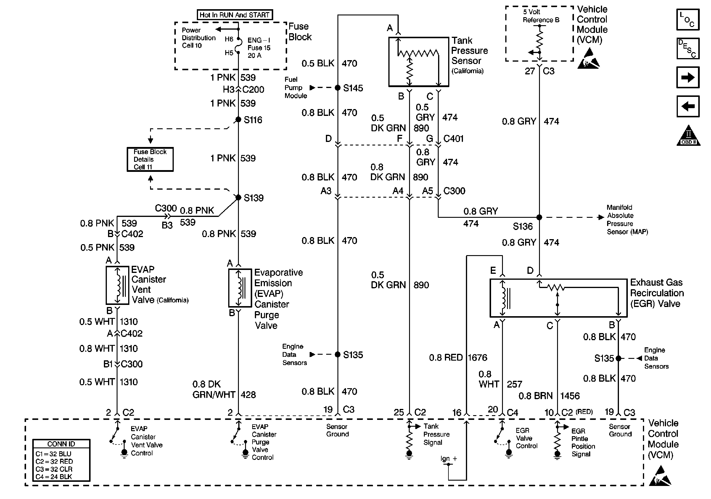
Cell 21: EVAP and EGR Controls
Figure 4:

Cell 21: Fuel Controls -- Injectors


Object Number: 506194  Size: FS
Engine Controls Components
Central Sequential Duel Injection Fuel System Description
Cell 21: Engine Data Sensors - MAP, IAT, TP ECT
Cell 21: Fuel Controls - Pump Control
OBD II Symbol Description Notice
Cell 11: ECM-I fuse [L35]
Cell 138: P42 BTSI Circuit
Handling ESD Sensitive Parts Notice
Figure 5:

Cell 21: Engine Data Sensors -- MAP, IAT, TP ECT


Object Number: 506200  Size: FS
Engine Controls Components
Information Sensors/Switches Description
Cell 21: Engine Data Sensors - HO2S
Cell 21: Fuel Controls - Injectors
OBD II Symbol Description Notice
Engine Controls Components
Cell 21: EVAP and EGR Controls
Cell 21: EVAP and EGR Controls
Handling ESD Sensitive Parts Notice
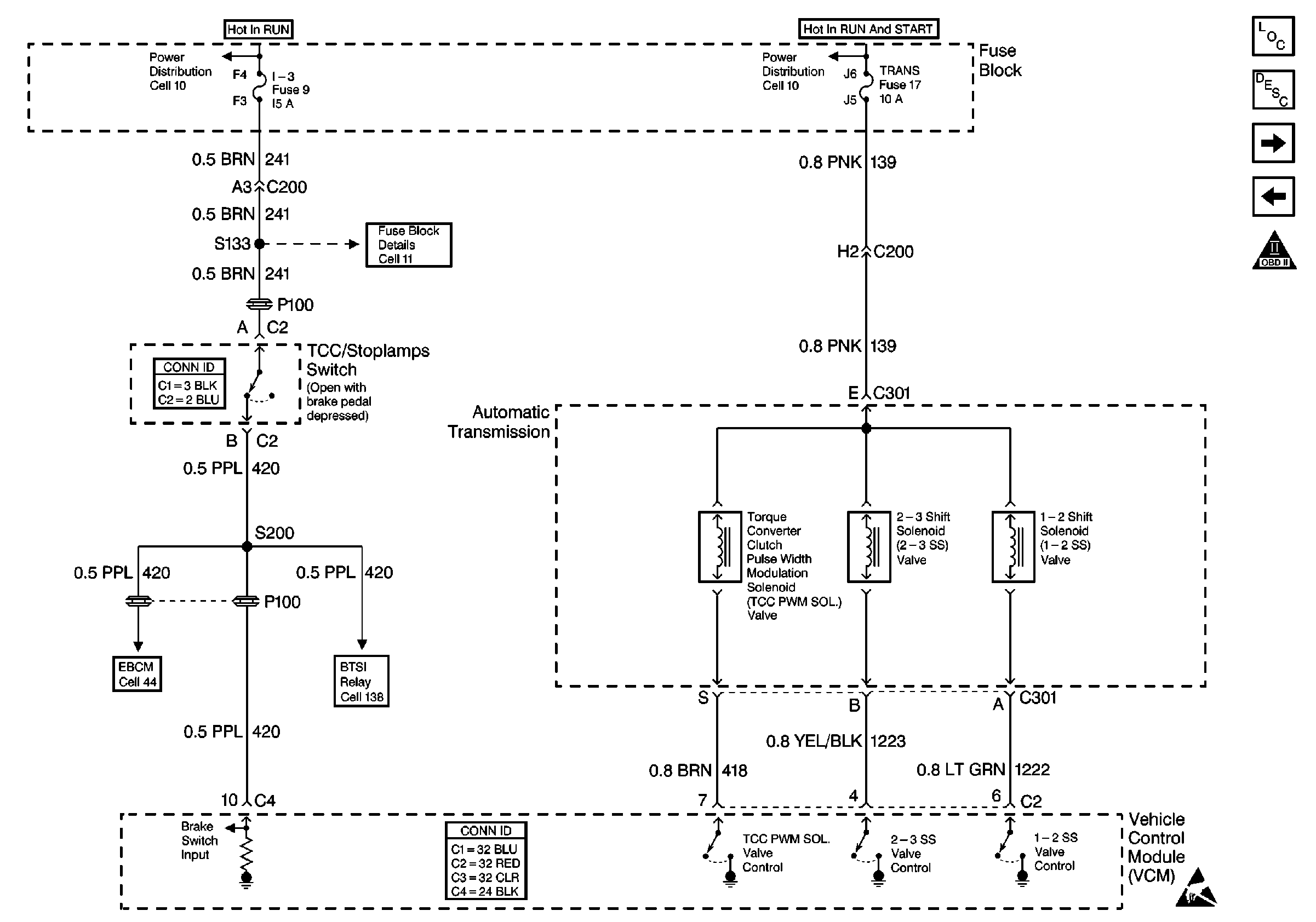
Cell 21: A/T Controls - Solenoids and TCC Stoplamp Switch
Cell 21: EVAP and EGR Controls
Figure 6:

Cell 21: Engine Data Sensors -- HO2S


Object Number: 506201  Size: FS
Engine Controls Components
Information Sensors/Switches Description
98 P32/42 5.0/5.7L Engine Controls Cell 21: MAF, IAC, VSS
Cell 21: Engine Data Sensors - MAP, IAT, TP ECT
OBD II Symbol Description Notice
Cell 11: Engine Control Sensors
Cell 138: P42 BTSI Circuit
Cell 11: Engine Control Sensors
Handling ESD Sensitive Parts Notice
Starting System
Figure 7:

Cell 21: EVAP and EGR Controls


Object Number: 506204  Size: FS
Engine Controls Components
Evaporative Emission Control System Operation Description Enhanced
Cell 21: Stoplamp and Clutch Pedal Position Switch Inputs
98 P32/42 5.0/5.7L Engine Controls Cell 21: MAF, IAC, VSS
OBD II Symbol Description Notice
Cell 11: Engine Control Sensors
Cell 138: P42 BTSI Circuit
Cell 21: Fuel Controls - Pump Control
Handling ESD Sensitive Parts Notice
Cell 21: Engine Data Sensors - MAP, IAT, TP ECT
Cell 21: Engine Data Sensors - MAP, IAT, TP ECT
Figure 8:

Cell 21: Stoplamp and Clutch Pedal Position Switch Inputs


Object Number: 506207  Size: FS
Engine Controls Components
Cell 21: A/T Controls - Solenoids and TCC Stoplamp Switch
Cell 21: EVAP and EGR Controls
OBD II Symbol Description Notice
Cell 11: Engine Control Sensors
Cell 21: Power and Grounding
Cell 44: P32 Gas, ABS Power and Grounding, DLC Output
Handling ESD Sensitive Parts Notice
Figure 9:

Cell 21: A/T Controls -- Solenoids and TCC Stoplamp Switch


Object Number: 506210  Size: FS
Engine Controls Components
Electronic Component Description
Cell 21: A/T Controls - Solenoids and TCC Stoplamp Switch
Cell 21: Stoplamp and Clutch Pedal Position Switch Inputs
OBD II Symbol Description Notice
Cell 11: Engine Control Sensors
Cell 21: Power and Grounding
Cell 138: P42 BTSI Circuit
Handling ESD Sensitive Parts Notice
Cell 138: P42 BTSI Circuit
Cell 44: P32 Gas, ABS Power and Grounding, DLC Output
Figure 10:

Cell 21: A/T Controls -- Solenoids and TCC Stoplamp Switch


Object Number: 506215  Size: FS
Engine Controls Components
Electronic Component Description
Cell 21: A/T Controls - Solenoids and TCC Stoplamp Switch
Cell 21: Stoplamp and Clutch Pedal Position Switch Inputs
OBD II Symbol Description Notice
Cell 138: P42 BTSI Circuit
Cell 21: Power and Grounding
Cell 138: P42 BTSI Circuit
Handling ESD Sensitive Parts Notice
Cell 138: P42 BTSI Circuit
Cell 44: P32 Gas, ABS Power and Grounding, DLC Output
Figure 11:

Cell 21: A/C Controls


Object Number: 506218  Size: FS
Engine Controls Components
Relays and Sensors Description
Cell 21: A/T Controls - Solenoids and TCC Stoplamp Switch
OBD II Symbol Description Notice
Cell 10: Fuse Block and Headlamp Switch
Cell 138: P42 BTSI Circuit
Cell 11: GAUGES fuse
Cell 14: G108 [L31/L35]
Handling ESD Sensitive Parts Notice
Cell 14: G200
Cell 14: S110 [L31/L35]