GM Service Manual Online
For 1990-2009 cars only
Makes
🢒
Chevrolet
🢒
1998
🢒
Chevy P42 Commercial Chassis
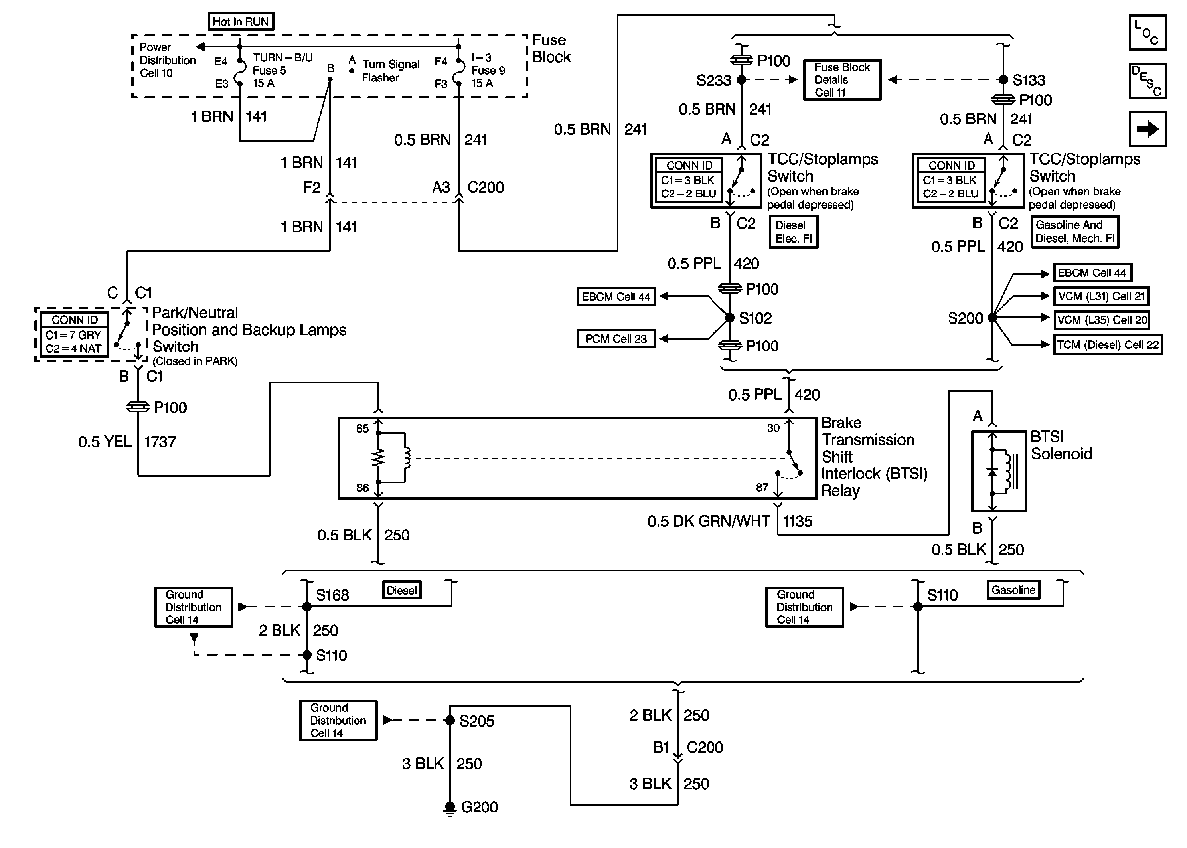
🢒 Cell 138: P42 BTSI Circuit
Cell 138: P42 BTSI Circuit
Cell 138: P42 BTSI Circuit
Tilt Wheel/Column Components P42
Cell 138: P32 BTSI Circuit
Tilt Wheel/Column Connector End Views
Antilock Brake System Schematics
Tilt Wheel/Column Connector End Views
Fuse Block Schematics P42
Ground Distribution Schematics P42
Antilock Brake System Schematics
Power Distribution Schematics P42
Tilt Wheel/Column Connector End Views
Ground Distribution Schematics P42
Ground Distribution Schematics P42
Engine Controls Schematics Electronic FI
Engine Controls Schematics
Engine Controls Schematics
Engine Controls Schematics Electronic FI