GM Service Manual Online
For 1990-2009 cars only
Makes
🢒
Chevrolet
🢒
1999
🢒
Chevy P42 Commercial Chassis
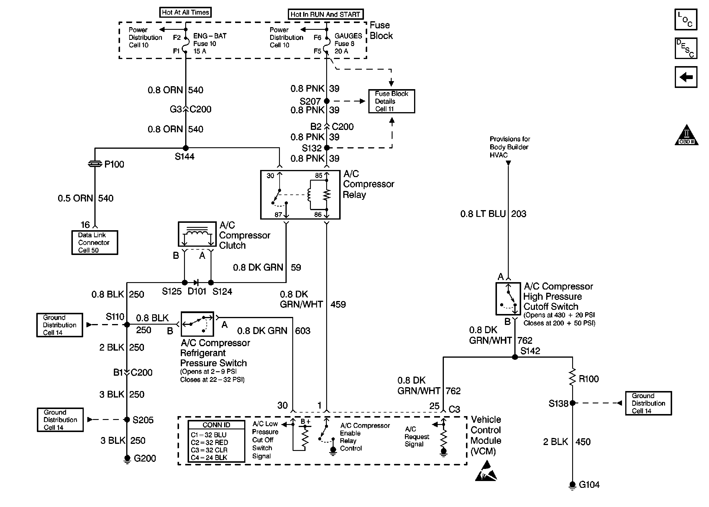
🢒 Cell 21: A/C Controls
Cell 21: A/C Controls
Cell 21: A/C Controls
Engine Controls Components
Relays and Sensors Description
Cell 21: A/T Controls - Internal Switches and TISS
OBD II Symbol Description Notice
Cell 10: Fuse Block and Headlamp Switch
Cell 10: Ignition Switch and Fuse Block
Cell 11: Gauges fuse
Cell 14: G104 [L31/L35]
Handling ESD Sensitive Parts Notice
Cell 14: G200
Cell 14: S110 [L31/L35]