GM Service Manual Online
For 1990-2009 cars only
Makes
🢒
Chevrolet
🢒
1999
🢒
Chevy P42 Commercial Chassis
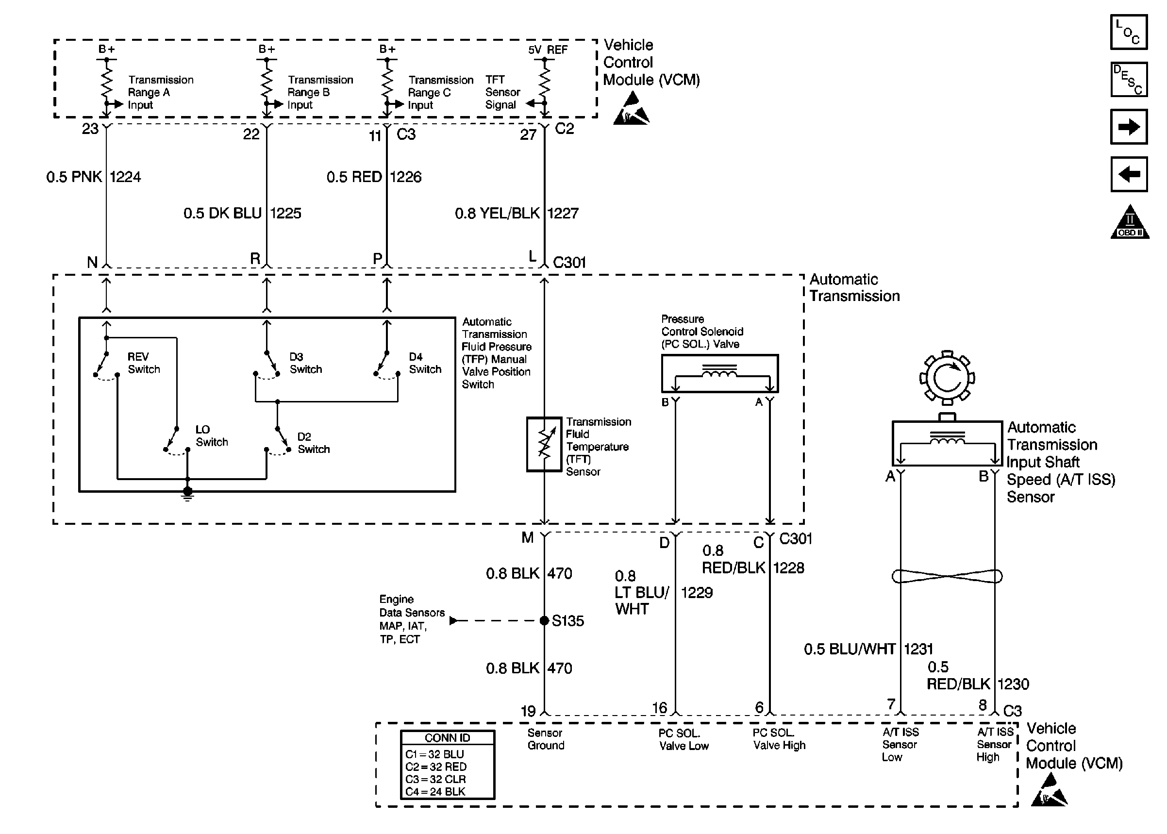
🢒 Cell 21: A/T Controls - Internal Switches and TISS
Cell 21: A/T Controls - Internal Switches and TISS
Cell 21: A/T Controls -- Internal Switches and TISS
Engine Controls Components
Electronic Component Description
Cell 21: A/C Controls
Cell 21: A/T Controls - Solenoids and TCC Stoplamp Switch
OBD II Symbol Description Notice
Handling ESD Sensitive Parts Notice
Handling ESD Sensitive Parts Notice
Cell 21: Engine Data Sensors - MAP, IAT, TP ECT