GM Service Manual Online
For 1990-2009 cars only
Makes
🢒
Chevrolet
🢒
1999
🢒
Chevy P42 Commercial Chassis
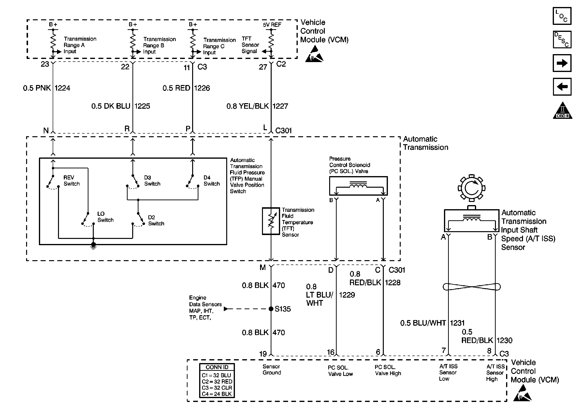
🢒 Cell 20: A/T Controls 2 - Internal Switches, Input Shaft Speed
Cell 20: A/T Controls 2 - Internal Switches, Input Shaft Speed
Cell 20: A/T Controls 2 -- Internal Switches, Input Shaft Speed
Engine Controls Components
Electronic Component Description
Cell 20: A/C Controls
Cell 20: A/T Controls 1 - TCC, Solenoids
OBD II Symbol Description Notice
Handling ESD Sensitive Parts Notice
Handling ESD Sensitive Parts Notice