GM Service Manual Online
For 1990-2009 cars only
Makes
🢒
Chevrolet
🢒
1999
🢒
Chevy P42 Commercial Chassis
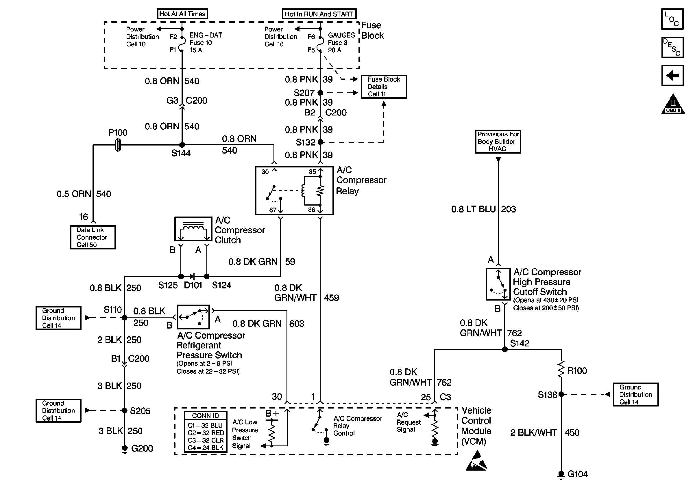
🢒 Cell 20: A/C Controls
Cell 20: A/C Controls
Cell 20: A/C Controls
Engine Controls Components
Information Sensors/Switches Description
Cell 20: A/T Controls 2 - Internal Switches, Input Shaft Speed
OBD II Symbol Description Notice
Cell 14: G200
Cell 14: S110 [L31/L35]
Cell 20: Power and Grounding
Cell 10: Fuse Block and Headlamp Switch
Cell 10: Ignition Switch and Fuse Block
Cell 11: Gauges fuse
Handling ESD Sensitive Parts Notice