GM Service Manual Online
For 1990-2009 cars only
Makes
🢒
Chevrolet
🢒
1999
🢒
Chevy P42 Commercial Chassis
🢒 Cell 22: Engine Data Sensors and Wastegate Solenoid
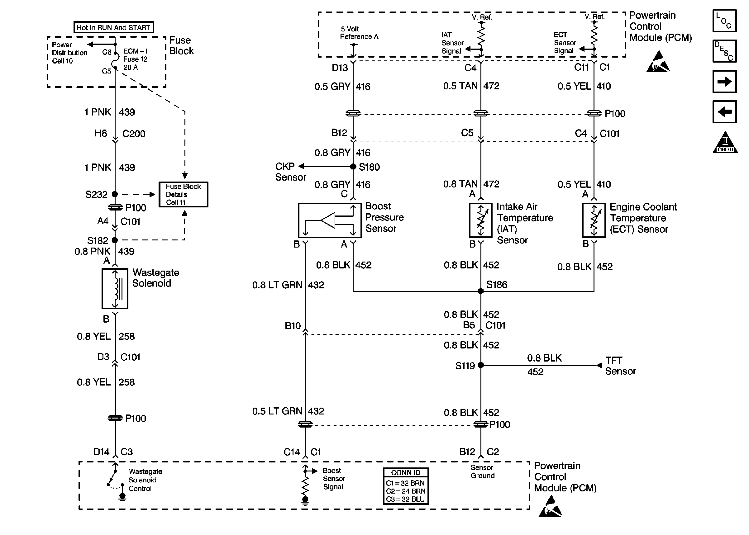
Cell 22: Engine Data Sensors and Wastegate Solenoid
Cell 22: Engine Data Sensors and Wastegate Solenoid
Engine Controls Components
Information Sensors/Switches Description
Cell 22: VSS Circuit
Cell 22: Engine Shutoff Solenoid, Fuel Solenoid Driver
OBD II Symbol Description Notice
Cell 10: Ignition Switch and Fuse Block
Cell 11: ECM-I fuse [L65]
Cell 22: CKP and Injection Timing Stepper Motor
Handling ESD Sensitive Parts Notice
Cell 22: A/T Controls 2 - TR Circuits, TFT, PC Sol. Valve, TISS
Handling ESD Sensitive Parts Notice