GM Service Manual Online
For 1990-2009 cars only
Makes
🢒
Chevrolet
🢒
1999
🢒
Chevy P42 Commercial Chassis
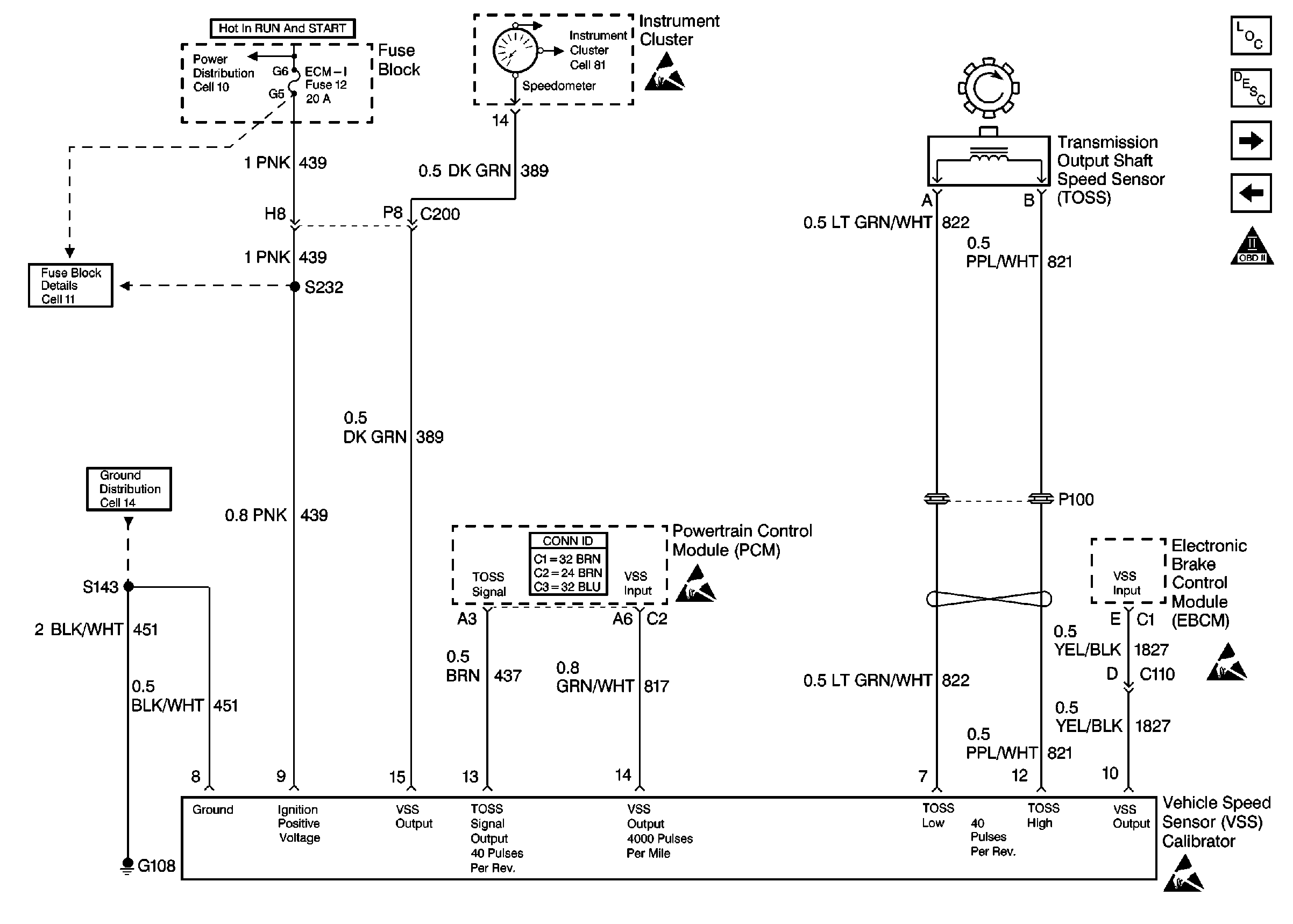
🢒 Cell 22: VSS Circuit
Cell 22: VSS Circuit
Cell 22: VSS Circuit
Engine Controls Components
Information Sensors/Switches Description
Cell 22: Accelerator Pedal Position Sensor, Cruise Switch Inputs
Cell 22: Engine Data Sensors and Wastegate Solenoid
OBD II Symbol Description Notice
Cell 11: ECM-I fuse [L65]
Cell 10: Ignition Switch and Fuse Block
Cell 81: Gauges [L65]
Handling ESD Sensitive Parts Notice
Handling ESD Sensitive Parts Notice
Handling ESD Sensitive Parts Notice
Handling ESD Sensitive Parts Notice