GM Service Manual Online
For 1990-2009 cars only
Makes
🢒
Chevrolet
🢒
1999
🢒
Chevy P42 Commercial Chassis
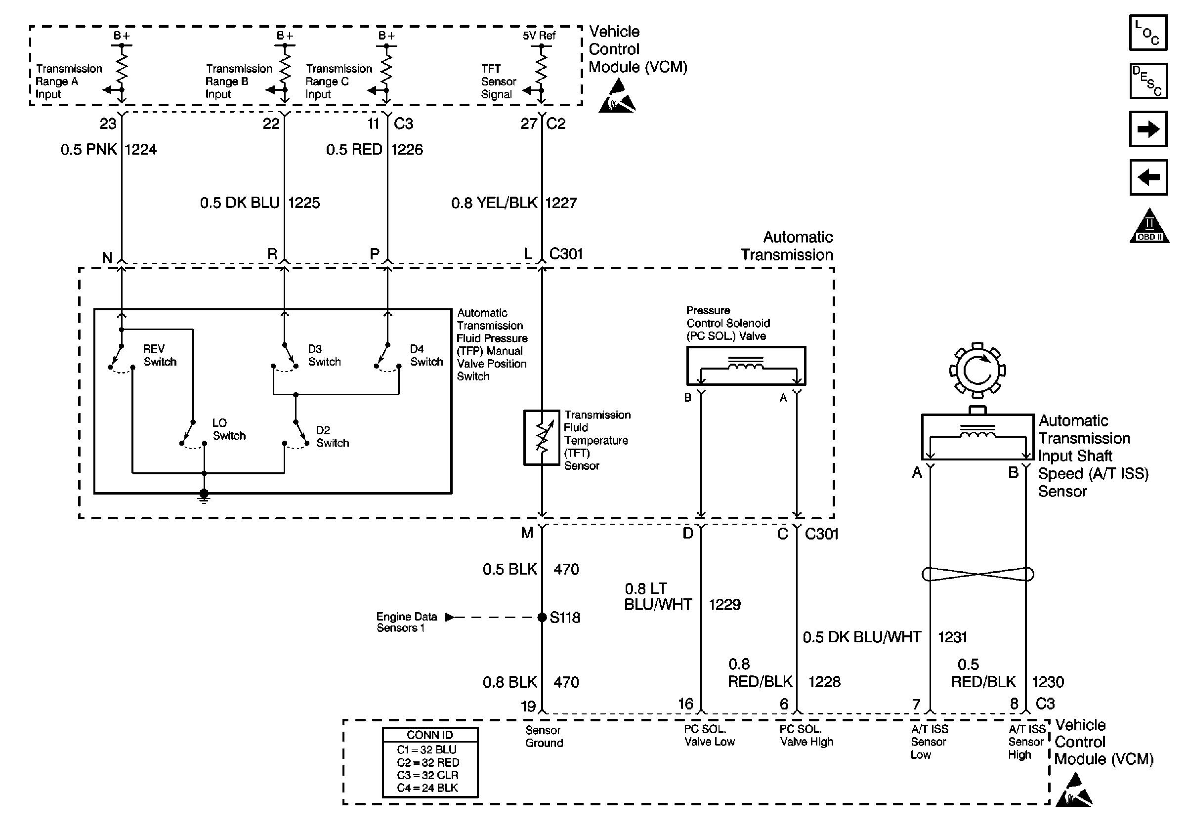
🢒 Cell 21: A/T Controls 2 - TR, TFT, TISS, and PC Solenoid Valve
Cell 21: A/T Controls 2 - TR, TFT, TISS, and PC Solenoid Valve
Cell 21: A/T Controls 2 -- TR, TFT, TISS, and PC Solenoid Valve
Engine Controls Components
Electronic Component Description
Cell 21: A/C Controls
Cell 21: A/T Controls 1 - Stoplamp/TCC Switch, Internal Solenoids
OBD II Symbol Description Notice
Handling ESD Sensitive Parts Notice
Handling ESD Sensitive Parts Notice
Cell 21: Engine Data Sensors 1- MAP, IAT, TP Sensor, and ECT