GM Service Manual Online
For 1990-2009 cars only
Makes
🢒
Chevrolet
🢒
1999
🢒
Chevy P42 Commercial Chassis
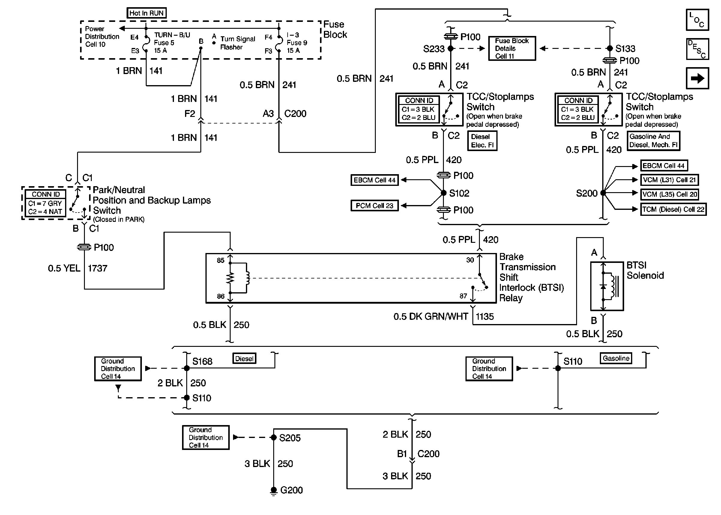
🢒 Cell 138: P42 BTSI Circuit
Cell 138: P42 BTSI Circuit
Cell 138: P42 BTSI Circuit
Tilt Wheel/Column Components P42
Automatic Transmission Shift Lock Control Description
Cell 138: P32 BTSI Circuit
Cell 10: Ignition Switch and Fuse Block
Cell 44: Diesel, ABS Power and Grounding, DLC Output
Cell 23: A/T Controls 1 - Stoplamp/TCC Switch, Internal Solenoids
Cell 11: I-3, TURN-B/U, and HTR fuses, AUX CKT BRKR 13
Cell 44: Gas, ABS Power and Grounding, DLC Output
Cell 21: A/T Controls - Solenoids and TCC Stoplamp Switch
Cell 20: Power and Grounding
Cell 22:A/T Controls 3 - Internal Solenoids and Stoplamp Switch
Cell 14: S110 [L31/L35]
Cell 14: G200
Cell 14: S110 [L57]