GM Service Manual Online
For 1990-2009 cars only
Makes
🢒
Chevrolet
🢒
1999
🢒
Chevy Suburban 4WD - RHD
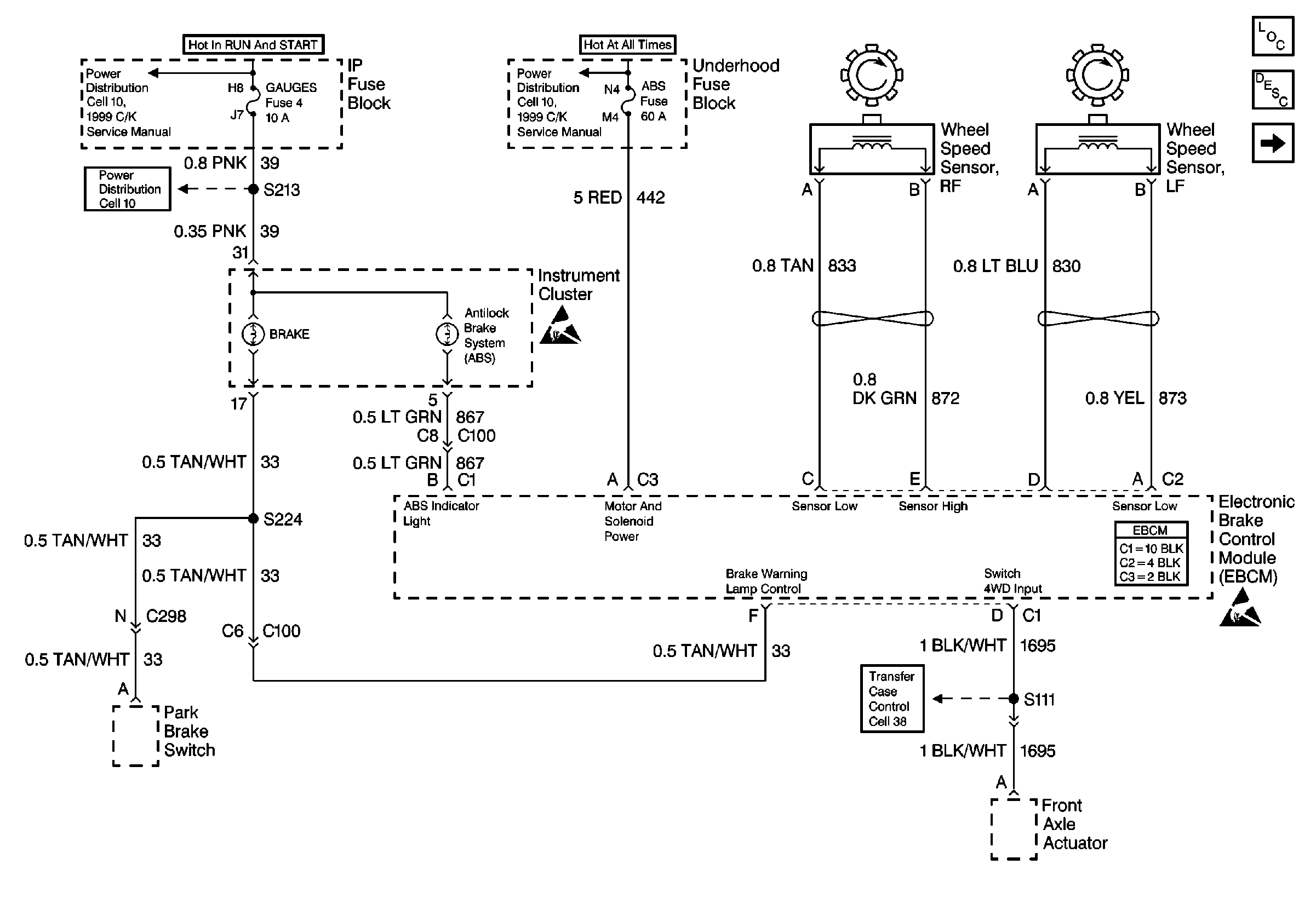
🢒 Cell 44: Wheel Speed Sensors, Common
Cell 44: Wheel Speed Sensors, Common
Cell 44: Wheel Speed Sensors, Common
ABS Components
Cell 44: Gas
Handling ESD Sensitive Parts Notice
Handling ESD Sensitive Parts Notice
Cell 10: TRANS & GAUGES Fuses
Cell 10: TRANS & GAUGES Fuses
Cell 38: Front Axle Actuator