GM Service Manual Online
For 1990-2009 cars only
Makes
🢒
Chevrolet
🢒
1999
🢒
Chevy Suburban 4WD - RHD
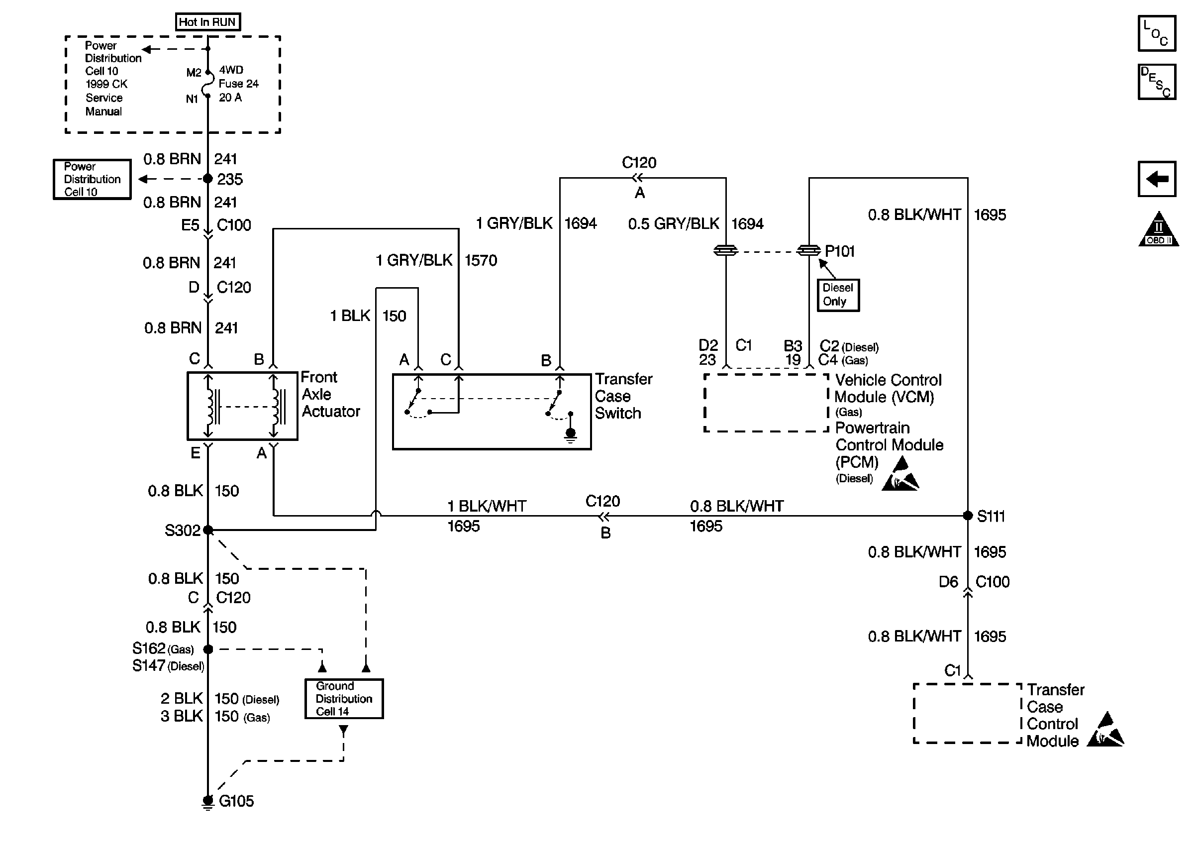
🢒 Cell 38: Front Axle Actuator
Cell 38: Front Axle Actuator
Cell 38: Front Axle Actuator
Cell 10: CRUISE, 4WD, BRAKE & HTR-A/C Fuses
Cell 10: CRUISE, 4WD, BRAKE & HTR-A/C Fuses
Cell 14: G105, Gas
Handling ESD Sensitive Parts Notice
Transfer Case Control Components
Cell 38: Transfer Case Encoder
OBD II Symbol Description Notice
Handling ESD Sensitive Parts Notice