GM Service Manual Online
For 1990-2009 cars only
Makes
🢒
Chevrolet
🢒
1999
🢒
Chevy Suburban 4WD - RHD
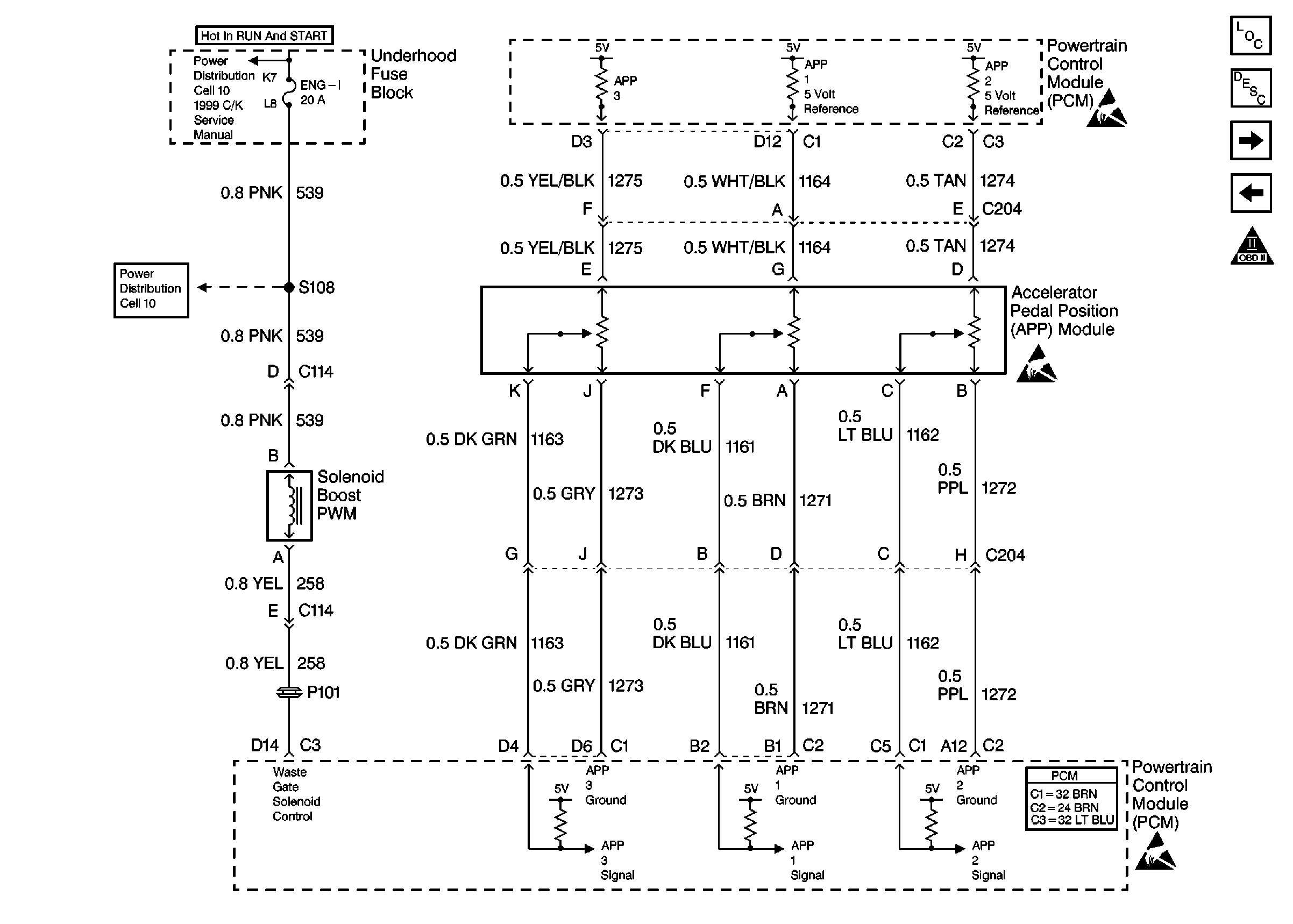
🢒 Cell 21: Accelerator Pedal Position Module
Cell 21: Accelerator Pedal Position Module
Cell 21: Accelerator Pedal Position Module
Cell 10: Eng 1 Fuse, Gas
Cell 10: Eng 1 Fuse, Gas
Handling ESD Sensitive Parts Notice
Engine Controls Components
Cell 21: 4WD and Cruise Control
Cell 21: Engine Sensors
OBD II Symbol Description Notice
Handling ESD Sensitive Parts Notice
Powertrain Control Module Connector End Views
Handling ESD Sensitive Parts Notice