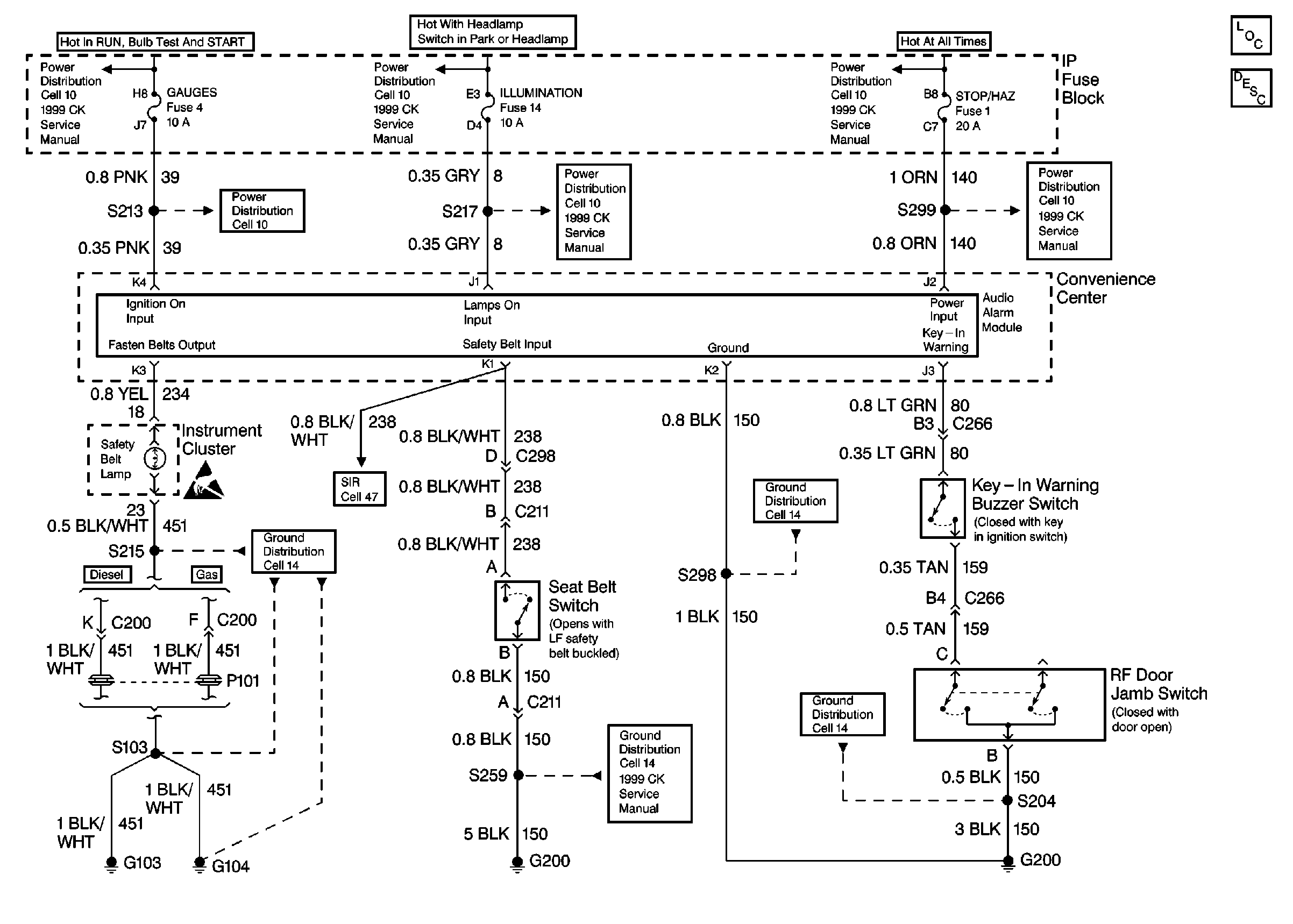
GM Service Manual Online
For 1990-2009 cars only
Makes
🢒
Chevrolet
🢒
1999
🢒
Chevy Suburban 4WD - RHD
🢒 Cell 76
Cell 76
Cell 76
Cell 10: TRANS & GAUGES Fuses
Cell 10: TRANS & GAUGES Fuses
Cell 10: ILLUM Fuse
Cell 10: ILLUM Fuse
Cell 10: RR DEFOG, LIGHTING, & BATTERY Fuses
Cell 10: RR DEFOG, LIGHTING, & BATTERY Fuses
Audible Warnings Components
Handling ESD Sensitive Parts Notice
Cell 47: IP Module, Steering Wheel Module and Discriminating Sensor
Cell 14: G103 & G104, Gas
Cell 14: G200, 1 of 2
Cell 14: G200, 1 of 2
Cell 14: G200, 1 of 2