GM Service Manual Online
For 1990-2009 cars only
Figure 1:

ECM B, ECM 1, IGN 1, IGN 0 Fuses G103, IPC, PCM


Object Number: 489069  Size: FS
Engine Controls Components
Evaporative Emission Control System Operation Description
CIGAR Fuse, BCM, PCM, DLC, G103, G203
OBD II Symbol Description Notice
Handling ESD Sensitive Parts Notice
Power Distribution Schematics
Power Distribution Schematics
Power Distribution Schematics
Instrument Cluster: Analog Schematics
Instrument Cluster: Analog Schematics
Power Distribution Schematics
Power Distribution Schematics
Ground Distribution Schematics
Figure 2:

CIGAR Fuse, BCM, PCM, DLC, G103, G203


Object Number: 489071  Size: FS
Engine Controls Components
Evaporative Emission Control System Operation Description
Ignition Controls - Ignition System Coils 2, 4, 6, 8
ECM B, ECM 1, IGN 1, IGN 0 Fuses G103, IPC, PCM
OBD II Symbol Description Notice
Handling ESD Sensitive Parts Notice
Ground Distribution Schematics
Ground Distribution Schematics
Ground Distribution Schematics
Power Distribution Schematics
Power Distribution Schematics
Data Link Connector Schematics
Ground Distribution Schematics
Ground Distribution Schematics
Ground Distribution Schematics
Figure 3:

Ignition Controls - Ignition System Coils 2, 4, 6, 8


Object Number: 489073  Size: FS
Engine Controls Components
Evaporative Emission Control System Operation Description
Ignition Controls - Ignition System Coils 1, 3, 5, 7
CIGAR Fuse, BCM, PCM, DLC, G103, G203
OBD II Symbol Description Notice
Handling ESD Sensitive Parts Notice
Power Distribution Schematics
Ground Distribution Schematics
Figure 4:

Ignition Controls - Ignition System Coils 1, 3, 5, 7


Object Number: 489078  Size: FS
Ground Distribution Schematics
Power Distribution Schematics
Engine Controls Components
Evaporative Emission Control System Operation Description
PCM ,CMP Sensor, CKP Sensor, KS, IPC
Ignition Controls - Ignition System Coils 2, 4, 6, 8
OBD II Symbol Description Notice
Handling ESD Sensitive Parts Notice
Figure 5:

PCM ,CMP Sensor, CKP Sensor, KS, IPC


Object Number: 489108  Size: FS
Engine Controls Components
Evaporative Emission Control System Operation Description
FPR, Fuel Pump/Sender, Fuel Tank Pressure Sensor, G403,G102
Ignition Controls - Ignition System Coils 1, 3, 5, 7
OBD II Symbol Description Notice
Handling ESD Sensitive Parts Notice
Figure 6:

FPR, Fuel Pump/Sender, Fuel Tank Pressure Sensor, G403, G102


Object Number: 489126  Size: FS
Engine Controls Components
Evaporative Emission Control System Operation Description
Fuel Injectors, INJ A, INJ B Fuses
PCM ,CMP Sensor, CKP Sensor, KS, IPC
OBD II Symbol Description Notice
Handling ESD Sensitive Parts Notice
Power Distribution Schematics
Power Distribution Schematics
Power Distribution Schematics
Ground Distribution Schematics
Figure 7:

Fuel Injectors, INJ A, INJ B Fuses


Object Number: 489130  Size: FS
Power Distribution Schematics
Power Distribution Schematics
Engine Controls Components
Evaporative Emission Control System Operation Description
MAP, TPS, MAF, IAC, ECT
FPR, Fuel Pump/Sender, Fuel Tank Pressure Sensor, G403,G102
OBD II Symbol Description Notice
Handling ESD Sensitive Parts Notice
Figure 8:

MAP, TPS, MAF, IAC, ECT


Object Number: 489135  Size: FS
Power Distribution Schematics
Engine Controls Components
Evaporative Emission Control System Operation Description
VSS Circuit, EBCM, BCM, PCM, IPC
Fuel Injectors, INJ A, INJ B Fuses
OBD II Symbol Description Notice
Handling ESD Sensitive Parts Notice
Ground Distribution Schematics
Figure 9:

VSS CIrcuit, EBCM, BCM, PCM, IPC


Object Number: 489140  Size: FS
Engine Controls Components
Evaporative Emission Control System Operation Description
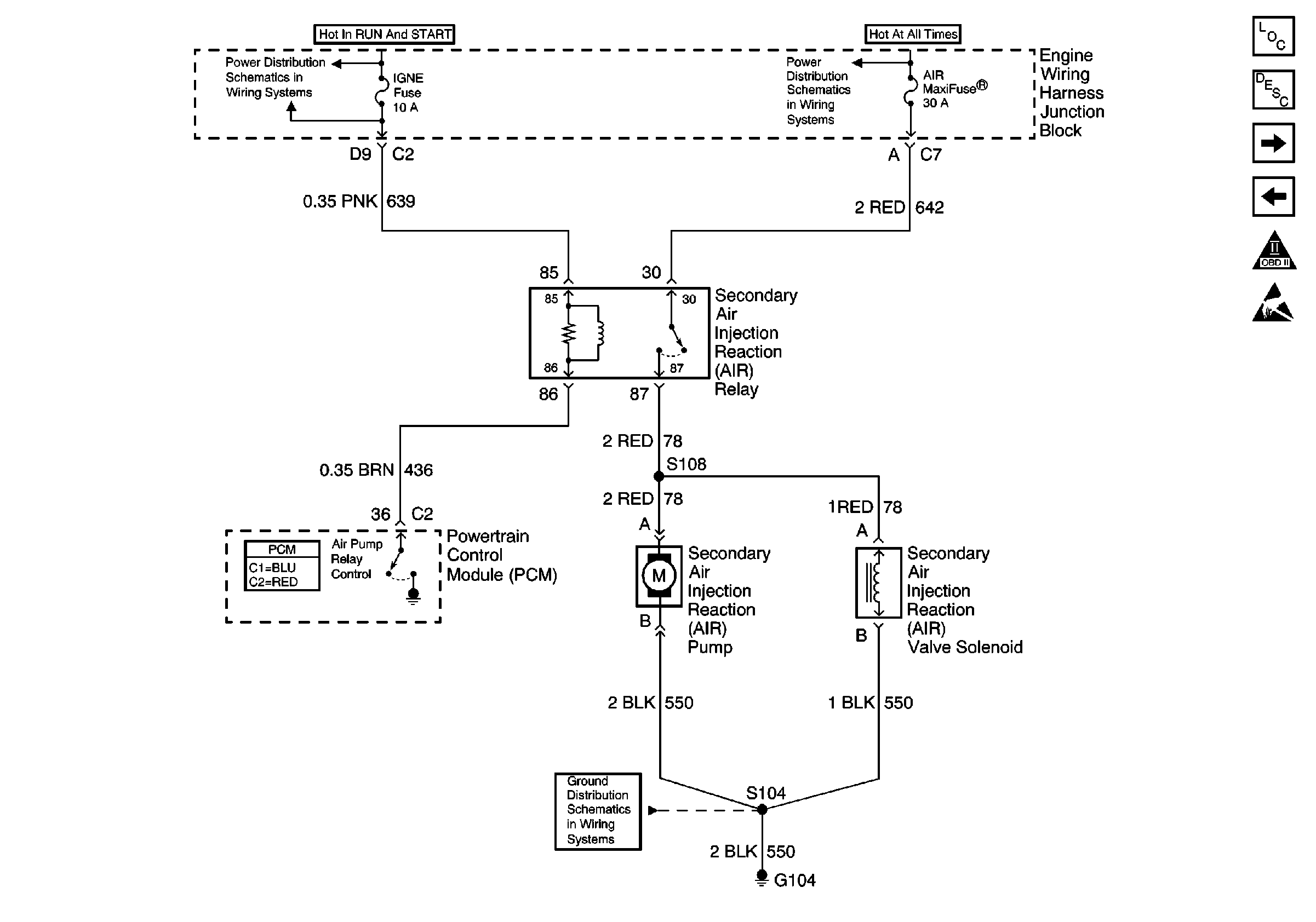
AIR Fuse, AIR Pump, AIR Relay, AIR Valve
MAP, TPS, MAF, IAC, ECT
OBD II Symbol Description Notice
Handling ESD Sensitive Parts Notice
Figure 10:

AIR Fuse, AIR Pump, AIR Relay, AIR Valve


Object Number: 489096  Size: FS
Engine Controls Components
Evaporative Emission Control System Operation Description
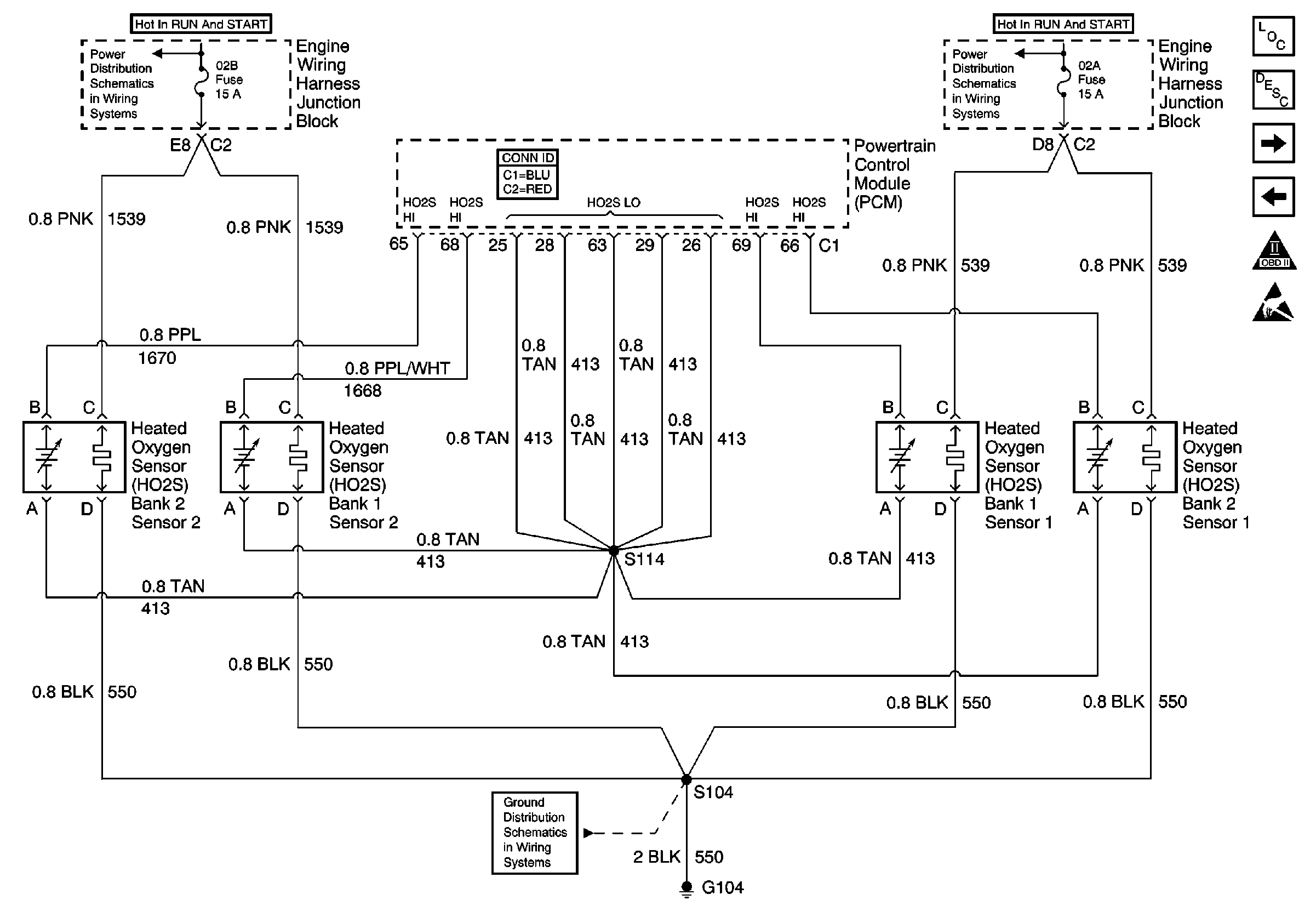
G104, H2O Sensors, O2 A B Fuses
VSS Circuit, EBCM, BCM, PCM, IPC
OBD II Symbol Description Notice
Handling ESD Sensitive Parts Notice
Power Distribution Schematics
Power Distribution Schematics
Ground Distribution Schematics
Figure 11:

G104, H2O Sensors, O2 A B Fuses


Object Number: 489143  Size: FS
Engine Controls Components
Evaporative Emission Control System Operation Description
EGR Valve, ENG 1 Fuse, EVAP Purge Valve, Vent Solenoid
AIR Fuse, AIR Pump, AIR Relay, AIR Valve
OBD II Symbol Description Notice
Handling ESD Sensitive Parts Notice
Power Distribution Schematics
Ground Distribution Schematics
Figure 12:

Heated O2 Sensors -- (Canada Built Vehicles Only)


Object Number: 607701  Size: FS
Engine Controls Components
Evaporative Emission Control System Operation Description
Park/Neutral Switch, Tow/Haul Switch, BCM, G203, G103
4L80-E Solenoids, Stoplamp Switch, PCM
OBD II Symbol Description Notice
OBD II Symbol Description Notice
Handling ESD Sensitive Parts Notice
Power Distribution Schematics
Power Distribution Schematics
Ground Distribution Schematics
Figure 13:

EGR Valve, ENG 1 Fuse, EVAP Purge Valve, Vent Solenoid


Object Number: 489189  Size: FS
Engine Controls Components
Evaporative Emission Control System Operation Description
G104, H2O Sensors, O2 A B Fuses
4L60-E Solenoid, Stoplamp Switch
OBD II Symbol Description Notice
Handling ESD Sensitive Parts Notice
Power Distribution Schematics
Power Distribution Schematics
Figure 14:

4L60-E Solenoid, Stoplamp Switch


Object Number: 489190  Size: FS
Engine Controls Components
Evaporative Emission Control System Operation Description
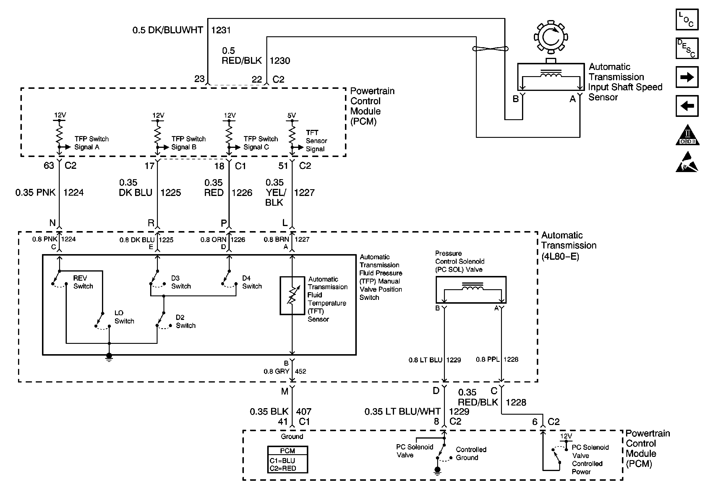
4L60-E Switches, PC SOL, TFT Sensor
EGR Valve, ENG 1 Fuse, EVAP Purge Valve, Vent Solenoid
OBD II Symbol Description Notice
Handling ESD Sensitive Parts Notice
Power Distribution Schematics
Antilock Brake System Schematics ABS
Power Distribution Schematics
Cruise Control Schematics
Figure 15:

4L60-E Switches, PC SOL, TFT Sensor


Object Number: 489193  Size: FS
Engine Controls Components
Evaporative Emission Control System Operation Description
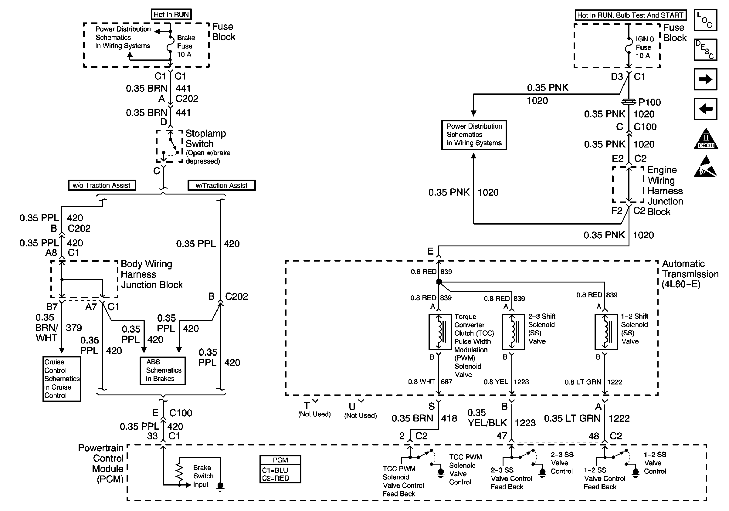
4L80-E Solenoids, Stoplamp Switch, PCM
4L60-E Solenoid, Stoplamp Switch
OBD II Symbol Description Notice
Handling ESD Sensitive Parts Notice
Figure 16:

4L80-E Solenoids, Stoplamp Switch, PCM


Object Number: 489194  Size: FS
Power Distribution Schematics
Power Distribution Schematics
Antilock Brake System Schematics ABS
Engine Controls Components
Evaporative Emission Control System Operation Description
4L60-E Switches, PC SOL, TFT Sensor
4L80-E Switches, Input Speed Sensor, TFT Sensor
OBD II Symbol Description Notice
Handling ESD Sensitive Parts Notice
Cruise Control Schematics
Figure 17:

4L80-E Switchs, Input Speed Sensor, TFT Sensor


Object Number: 489195  Size: FS
Figure 18:

Park/Neutral Switch, Tow/Haul Switch, BCM, G203, G103


Object Number: 489196  Size: FS
Engine Controls Components
Evaporative Emission Control System Operation Description
G104, H2O Sensors, O2 A B Fuses
VSS Circuit, EBCM, BCM, PCM, IPC
OBD II Symbol Description Notice
Handling ESD Sensitive Parts Notice
Ground Distribution Schematics
Ground Distribution Schematics
Ground Distribution Schematics
Ground Distribution Schematics
Figure 19:

ATC Module, GEN, Oil Level Switch, EBCM


Object Number: 489197  Size: FS
Engine Controls Components
Evaporative Emission Control System Operation Description
CPP, EBCM, Suspension Control Module, Stoplamp Switch
Park/Neutral Switch, Tow/Haul Switch, BCM, G203, G103
OBD II Symbol Description Notice
Handling ESD Sensitive Parts Notice
Ground Distribution Schematics
Figure 20:

CPP, EBCM, Suspension Control Module, Stoplamp Switch


Object Number: 489199  Size: FS
Power Distribution Schematics
Power Distribution Schematics
Engine Controls Components
Evaporative Emission Control System Operation Description
4L80-E Solenoids, Stoplamp Switch, PCM
ATC Module, GEN, Oil Level Switch, EBCM
OBD II Symbol Description Notice
Handling ESD Sensitive Parts Notice
Figure 21:

PCM, TP Sensor, TAC Motor, TAC Module


Object Number: 449880  Size: FS
Engine Controls Components
Evaporative Emission Control System Operation Description
Control Module, Cruise Control Switch, APP Sensor
CPP, EBCM, Suspension Control Module, Stoplamp Switch
Handling ESD Sensitive Parts Notice
OBD II Symbol Description Notice
Ground Distribution Schematics
Power Distribution Schematics
Figure 22:

Control Module, Cruise Control Switch, APP Sensor


Object Number: 449875  Size: FS
Engine Controls Components
Evaporative Emission Control System Operation Description
HVAC Module, A/C Pressure Switches, Mode Door Motors
PCM, TP Sensor, TAC Motor, TAC Module
Handling ESD Sensitive Parts Notice
OBD II Symbol Description Notice
Power Distribution Schematics
Power Distribution Schematics
Power Distribution Schematics
Exterior Lights Schematics
Exterior Lights Schematics
Figure 23:

HVAC Module, A/C Pressure Switches, Mode Door Motors


Object Number: 489201  Size: FS
Engine Controls Components
Evaporative Emission Control System Operation Description
CPP, EBCM, Suspension Control Module, Stoplamp Switch
OBD II Symbol Description Notice
Handling ESD Sensitive Parts Notice
Ground Distribution Schematics