GM Service Manual Online
For 1990-2009 cars only
Makes
🢒
Chevrolet
🢒
1999
🢒
Chevy Suburban - 4WD
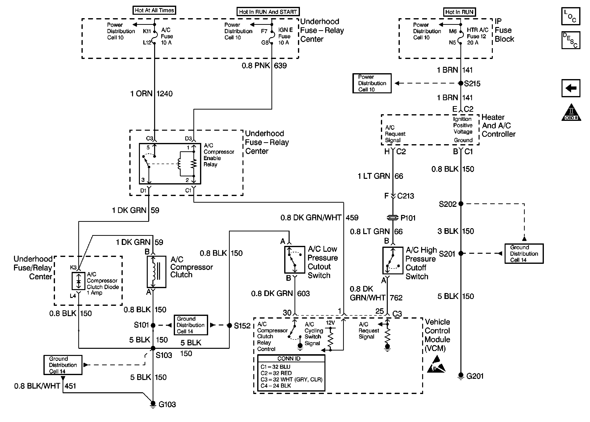
🢒 Cell 23: A/C Controls
Cell 23: A/C Controls
Cell 23: A/C Controls
Engine Controls Components
Information Sensors/Switches Description
Cell 23: 4L80-E Transmission Switch Controls
Cell 10: Ignition Switch, RR BLOWER, RR HVAC, BRAKE, HTR AC, CRUISE, RADIO, WIPER, PWR WDO, TRANS, CRANK Fuses
Cell 10: FUEL SOL, IGN-E, ECM-I, ENG-I, GAUGES, AIR BAGS, TURN B/U Fuses
Cell 10: Battery, AUX A, AUX B, BLOWER, IGN-B, IGN-A, ABS, BATT, LIGHTING, ECM-B, HORN, and A/C Fuses, Inline Fuse 30 A (Gasoline Engines)
Cell 11: CRANK, CRUISE, HTR-A/C, BRAKE Fuses
Cell 14: G103 (7.4L)
Cell 14: G103 (7.4L)
Cell 14: G201
VCM Connector End Views
Handling ESD Sensitive Parts Notice