GM Service Manual Online
For 1990-2009 cars only
Makes
🢒
Chevrolet
🢒
2002
🢒
Chevy Suburban - 4WD
🢒
Body and Accessories
🢒
Stationary Windows
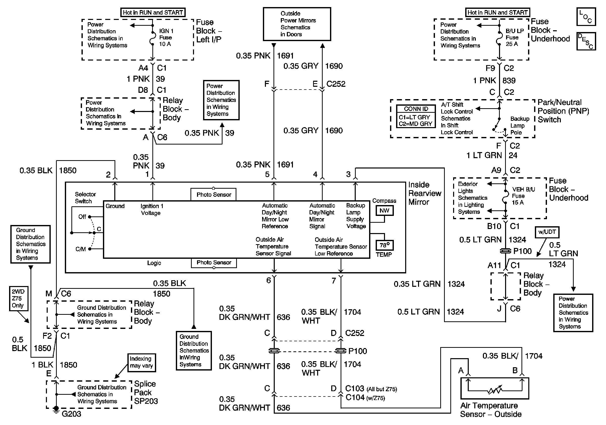
🢒 Inside Rearview Mirror Schematics
Master Electrical Component List
Inside Rearview Mirror Description and Operation
IGN 1, SEO IGN, and AIR BAG Fuses
IGN 1, SEO IGN, and AIR BAG Fuses
IGN 1, SEO IGN, and AIR BAG Fuses
Outside Rearview Mirror Switch and Motors (Except Z75)
2002 Shift Lock Control
B/U LP, BTSI, VEH B/U - 1 of 2, and TRL B/U Fuses
B/U LP, BTSI, VEH B/U - 1 of 2, and TRL B/U Fuses
G203 - 4 of 4
G203 - 1 of 4
G203 - 4 of 4
G203 - 3 of 4
B/U LP, BTSI, VEH B/U - 1 of 2, and TRL B/U Fuses