GM Service Manual Online
For 1990-2009 cars only
Makes
🢒
Chevrolet
🢒
2002
🢒
Chevy Suburban - 4WD
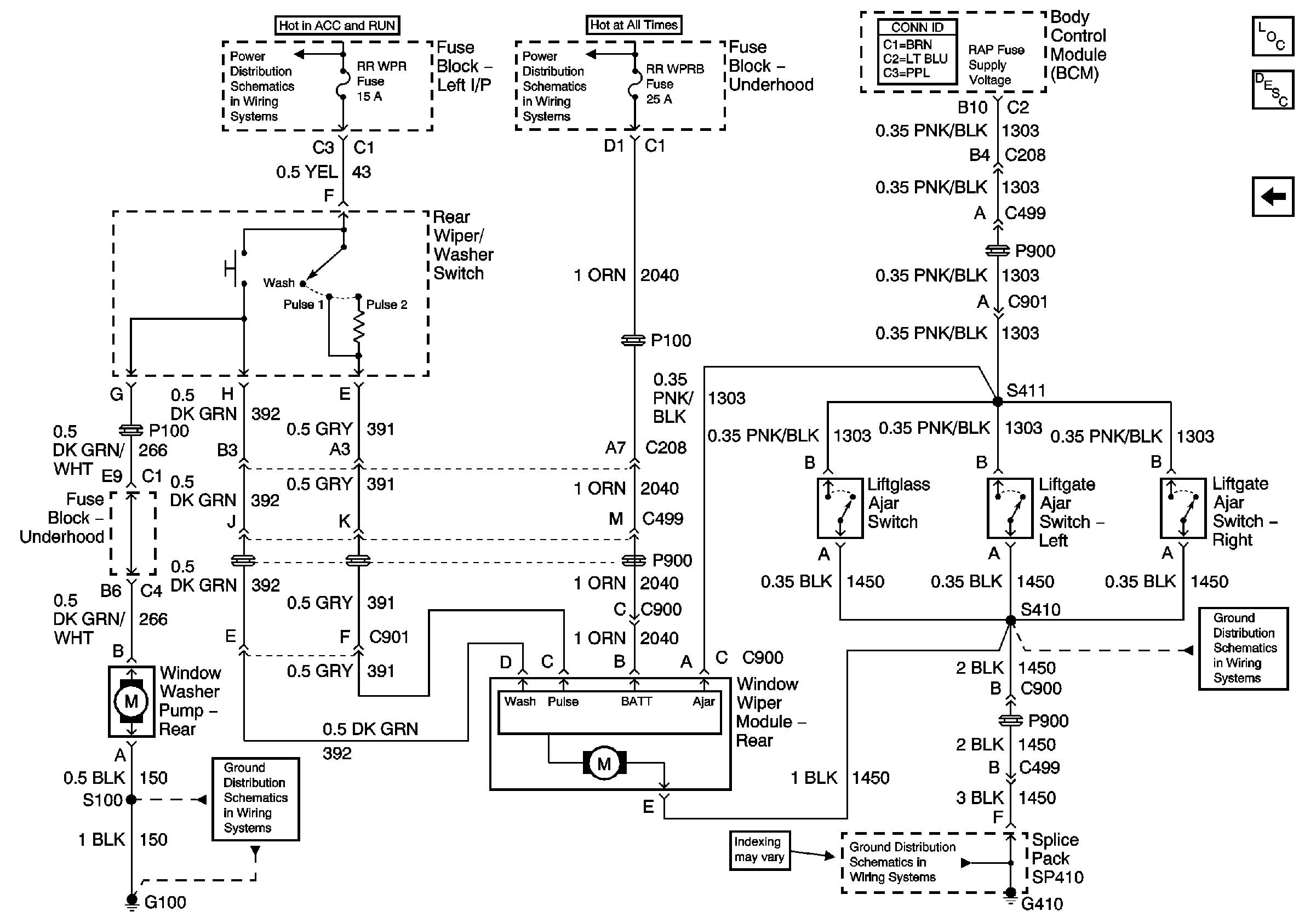
🢒 Wiper/Washer Control - Rear
Wiper/Washer Control - Rear
Wiper/Washer Control - Rear
Master Electrical Component List
Wiper/Washer System Description and Operation
Washer Fluid Level Sensor - Rear
Wiper/Washer Control - Front
BRAKE, CRUISE, HTR A/C, RR WPR, WS WPR, and SEO ACCY Fuses
RR HVAC, EXP LPS, ATC, and RR WPR B Fuses
G100 and G110
G410 2 of 2
G410 2 of 2