GM Service Manual Online
For 1990-2009 cars only
Makes
🢒
Chevrolet
🢒
2004
🢒
Chevy Suburban - 4WD
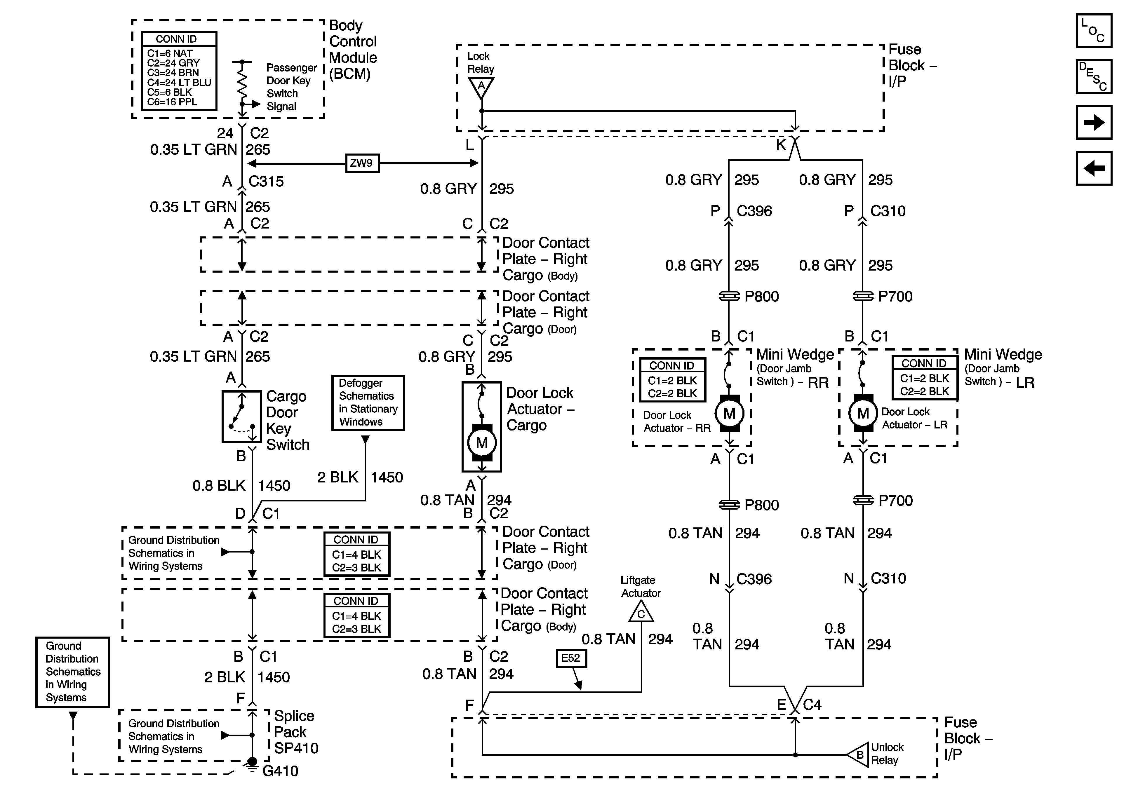
🢒 Rear Passenger and Cargo Actuators and Cargo Key Signal
Rear Passenger and Cargo Actuators and Cargo Key Signal
Rear Passenger and Cargo Actuators and Cargo Key Signal
Master Electrical Component List
Power Door Locks Description and Operation
Liftgate
Rear Control
Rear Control
Defogger Grid and Ground
G410 - 3 of 3
G410 - 1 of 3
G410 - 1 of 3
Liftgate
Rear Control