GM Service Manual Online
For 1990-2009 cars only
Makes
🢒
Chevrolet
🢒
2004
🢒
Chevy Suburban - 4WD
🢒 Liftgate
Liftgate
Liftgate
Master Electrical Component List
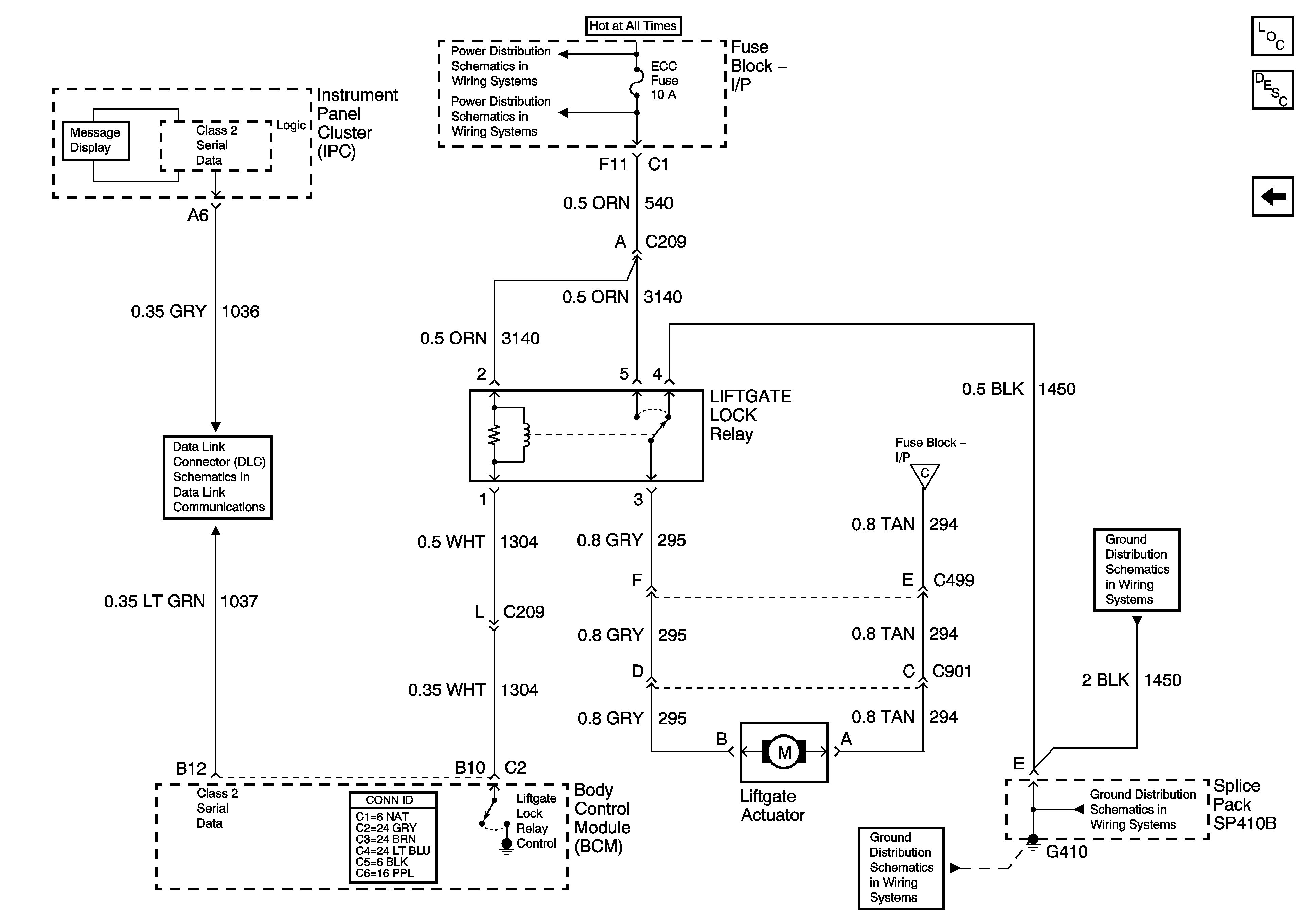
Power Door Locks Description and Operation
Rear Passenger and Cargo Actuators and Cargo Key Signal
B+ Bus - 1 of 2
DDM, PDM, ECC, AUX PWR 2, AUX PWR Fuses
SP205 - 1 of 2
Rear Passenger and Cargo Actuators and Cargo Key Signal
G410 - 1 of 3
G410 - 1 of 3
G410 - 1 of 3