GM Service Manual Online
For 1990-2009 cars only
Makes
🢒
Chevrolet
🢒
2005
🢒
Chevy Suburban - 4WD
🢒
Accessories
🢒
Adjustable Pedals
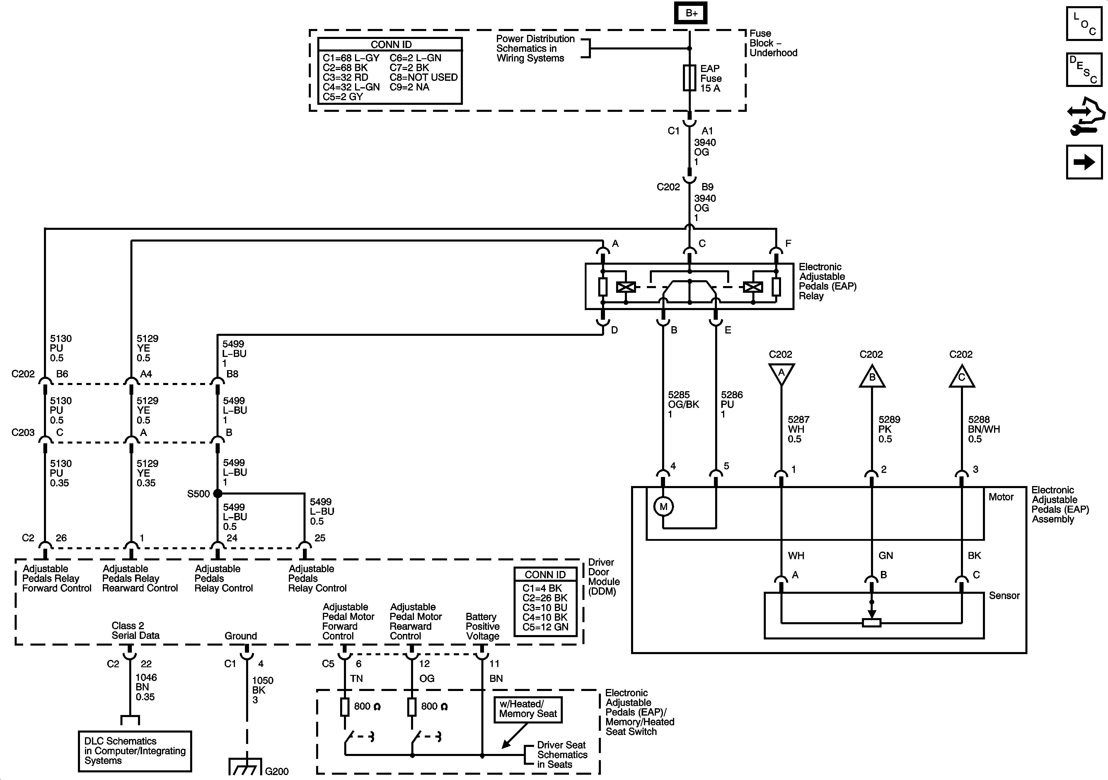
🢒 Adjustable Pedal Schematics
Figure
1:
Power and Pedals Controls
Master Electrical Component List
Adjustable Pedals Description and Operation
Control Module References
Memory Seat Module
B+ Bus - 1 of 2
Memory Seat Module
Heated Seat Controls - Driver
G200 - 3 of 3 - S345
Power, Ground, DLC, and Splice Pack SP205
Figure
2:
Memory Seat Module
Master Electrical Component List
Adjustable Pedals Description and Operation
Control Module References
Power and Pedals Controls
Power and Pedals Controls
Seat Position Sensors - 2 of 2
Front Passenger Heated Seat Elements
Seat Position Sensors - 2 of 2
Seat Position Sensors - 2 of 2
Splice Pack SP206