GM Service Manual Online
For 1990-2009 cars only
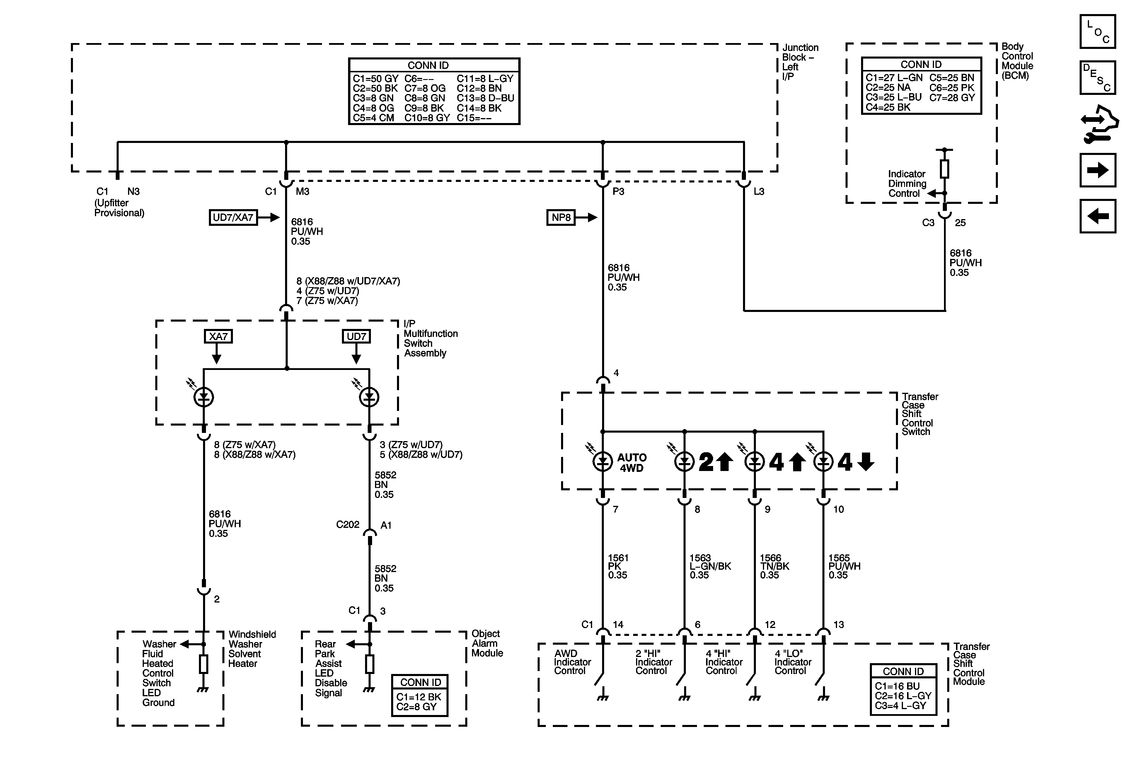
Figure 1:

Dimming Control and LED Dimming - 1 of 3


Object Number: 1706966  Size: FS
Master Electrical Component List
Interior Lighting Systems Description and Operation
Control Module References
LED Dimming - 2 of 3
Inadvertent Lamp Control
G201
Steering Wheel Controls
Steering Wheel Controls
Module Power, Ground, and Serial Data, Pump Motor and Brake Switch - JD9 Under 8600 GVW
Analog Clock (Z75)
G200 - 1 of 2
LED Dimming - 2 of 3
Power, Ground, and Driver Information Center Switch
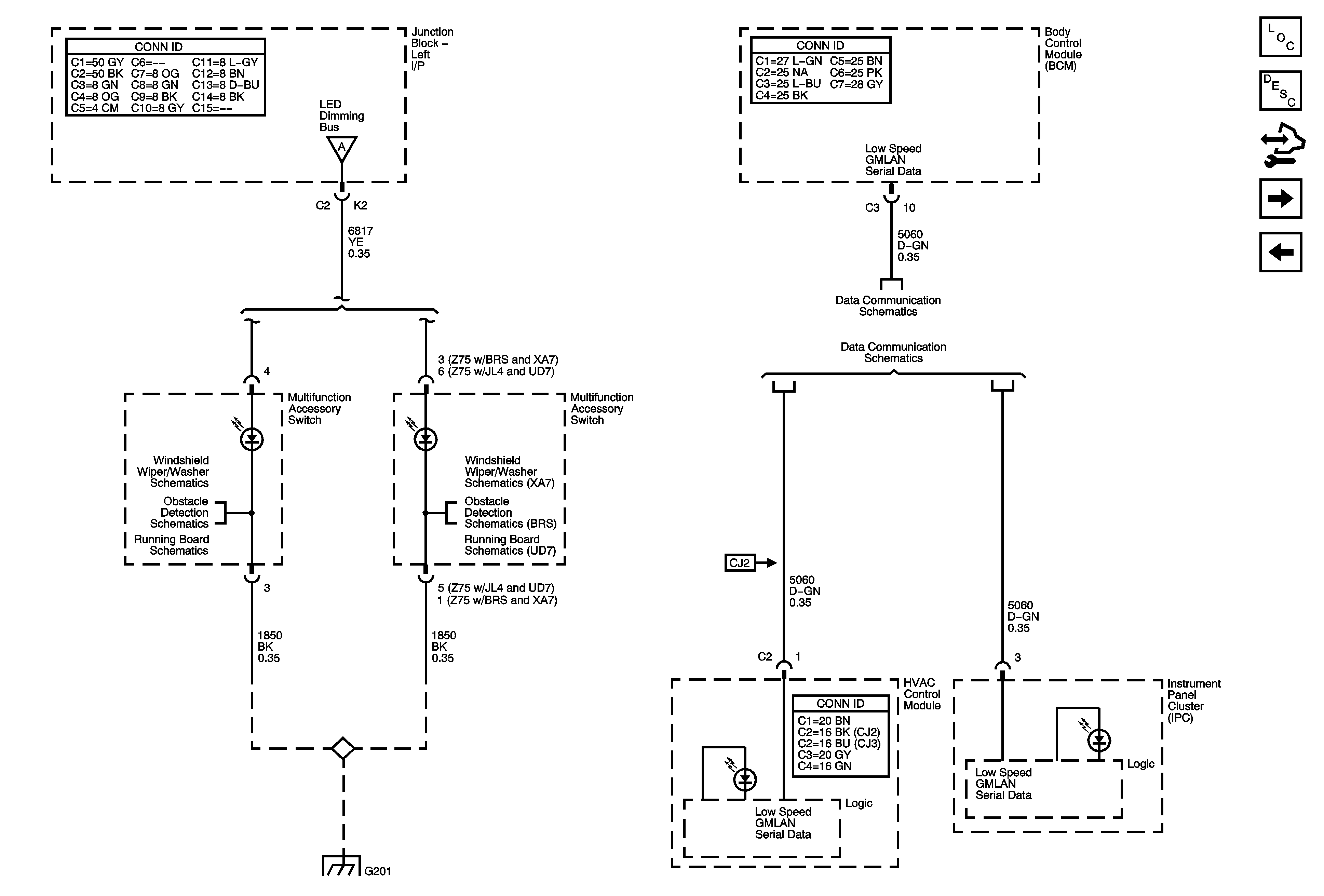
Figure 2:

LED Dimming - 2 of 3


Object Number: 1706973  Size: FS
Master Electrical Component List
Interior Lighting Systems Description and Operation
Control Module References
LED Dimming - 3 of 3
Dimming Control and LED Dimming - 1 of 3
Dimming Control and LED Dimming - 1 of 3
Heated Washer System
Rear Object Sensing (UD7)
Running Board Schematics
G201
Heated Washer System
Rear Object Sensing (UD7)
Running Board Schematics
Low Speed Bus - SP 200 - 2 of 3
Low Speed Bus - SP200 - 1 of 3
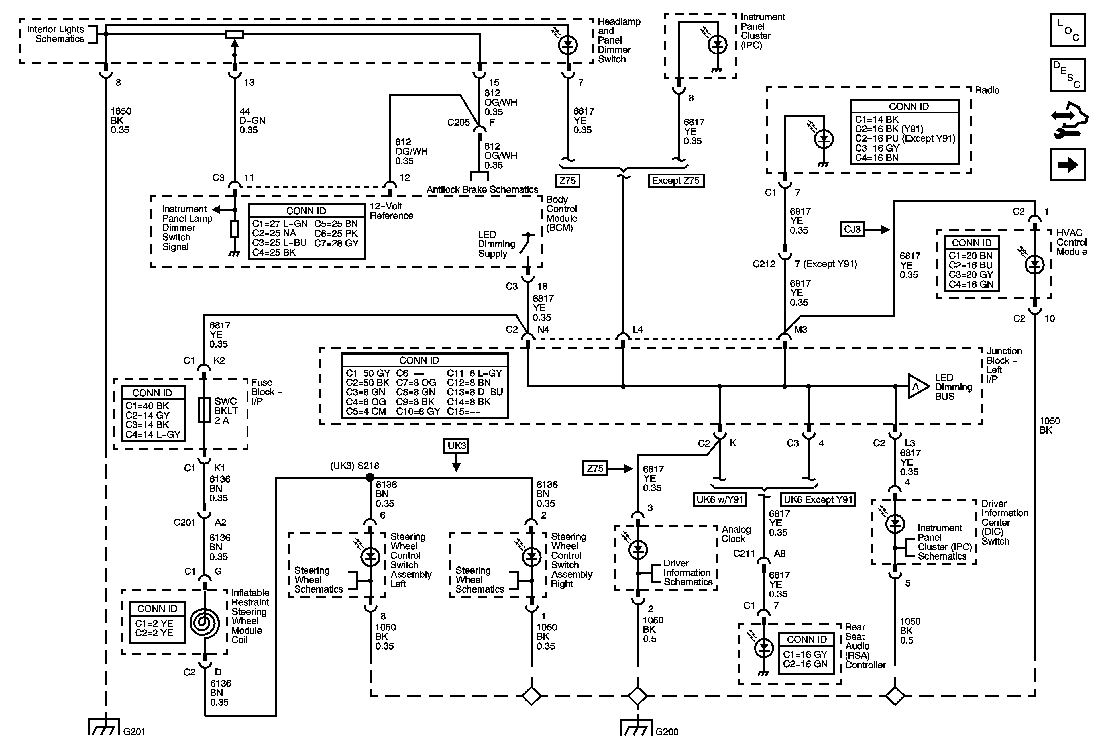
Figure 3:

LED Dimming - 3 of 3


Object Number: 1706977  Size: FS
Master Electrical Component List
Interior Lighting Systems Description and Operation
Control Module References
I/P Bulb Dimming
LED Dimming - 2 of 3
Figure 4:

I/P Bulb Dimming


Object Number: 1706978  Size: FS
Master Electrical Component List
Interior Lighting Systems Description and Operation
Control Module References
LED Dimming - 3 of 3
Headlamp and Daytime Running Lamp Controls
G303, G304, and G305
G303, G304, and G305
G201
Roof Beacon - TRW/5G4
G200 - 1 of 2