GM Service Manual Online
For 1990-2009 cars only
Makes
🢒
Chevrolet
🢒
2007
🢒
Chevy Suburban - 4WD
🢒
Diagnostic Navigation
🢒
Vehicle Diagnostic Information
🢒 Antilock Brake System Schematics
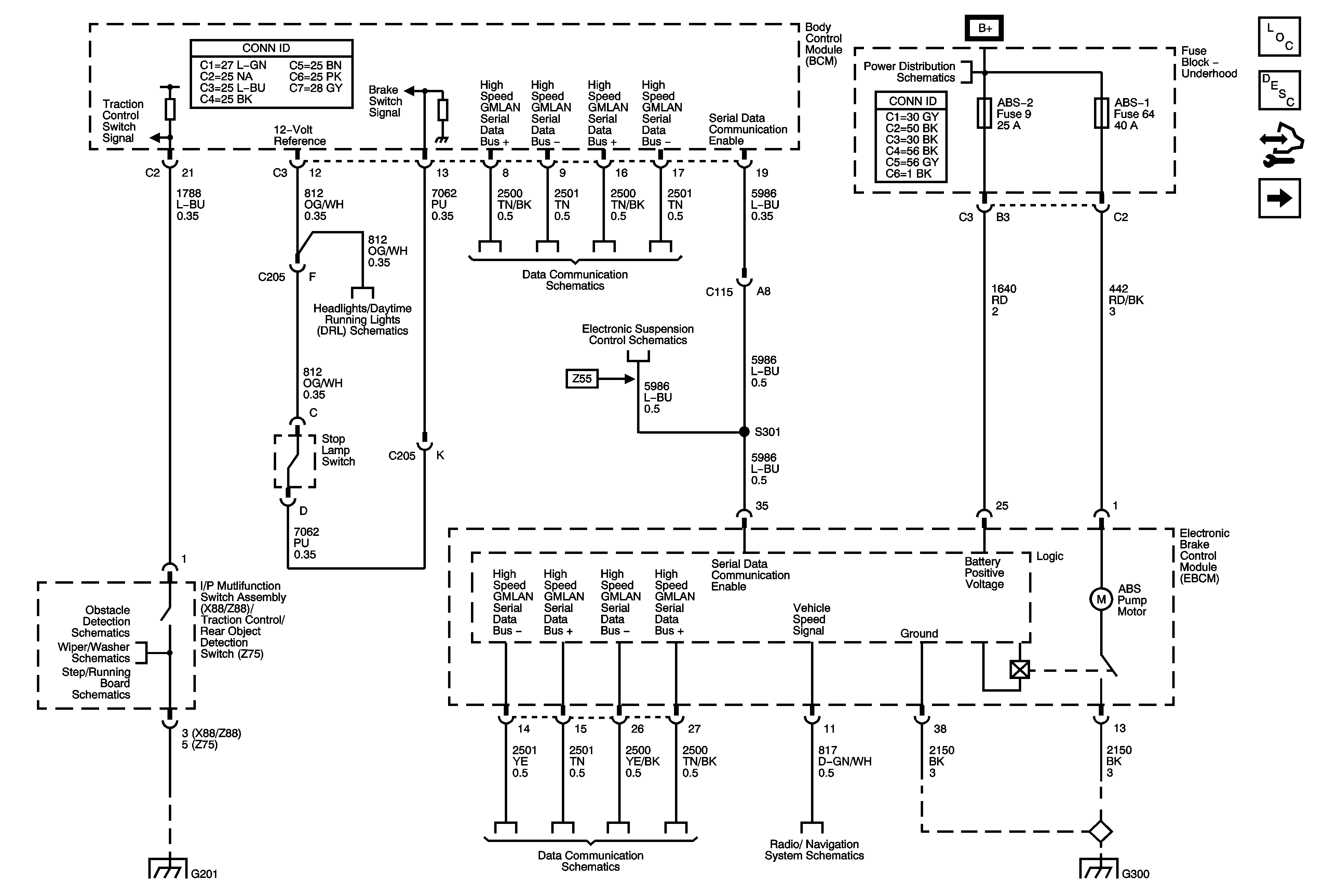
Figure
1:
Module Power, Ground, and Serial Data, Pump Motor and Brake Switch - JD9 Under 8600 GVW
Master Electrical Component List
ABS Description and Operation Under 8600 GVW
Control Module References
Sensors - JD9 Under 8600 GVW
B+ Bus - 1 of 3
Dimming Control and LED Dimming - 1 of 3
High Speed Bus - 1 of 2
Module Power, Ground, and Serial Data
Heated Washer System
Rear Object Sensing (UD7)
Running Board Schematics
G201
High Speed Bus - 2 of 2
Radio Power, Ground, Serial Data, and Antenna Signals
G300 and G302
Figure
2:
Sensors - JD9 Under 8600 GVW
Master Electrical Component List
ABS Description and Operation Under 8600 GVW
Control Module References
JH6 Over 8600 GVW
Module Power, Ground, and Serial Data, Pump Motor and Brake Switch - JD9 Under 8600 GVW
G300 and G302
Figure
3:
JH6 Over 8600 GVW
Master Electrical Component List
ABS Description and Operation Equal to or Over 8600 GVW
Control Module References
Sensors - JD9 Under 8600 GVW
Dimming Control and LED Dimming - 1 of 3
B+ Bus - 1 of 3
High Speed Bus - 2 of 2
Radio Power, Ground, Serial Data, and Antenna Signals
G300 and G302
High Speed Bus - 1 of 2