GM Service Manual Online
For 1990-2009 cars only
Makes
🢒
Chevrolet
🢒
2007
🢒
Chevy Suburban - 4WD
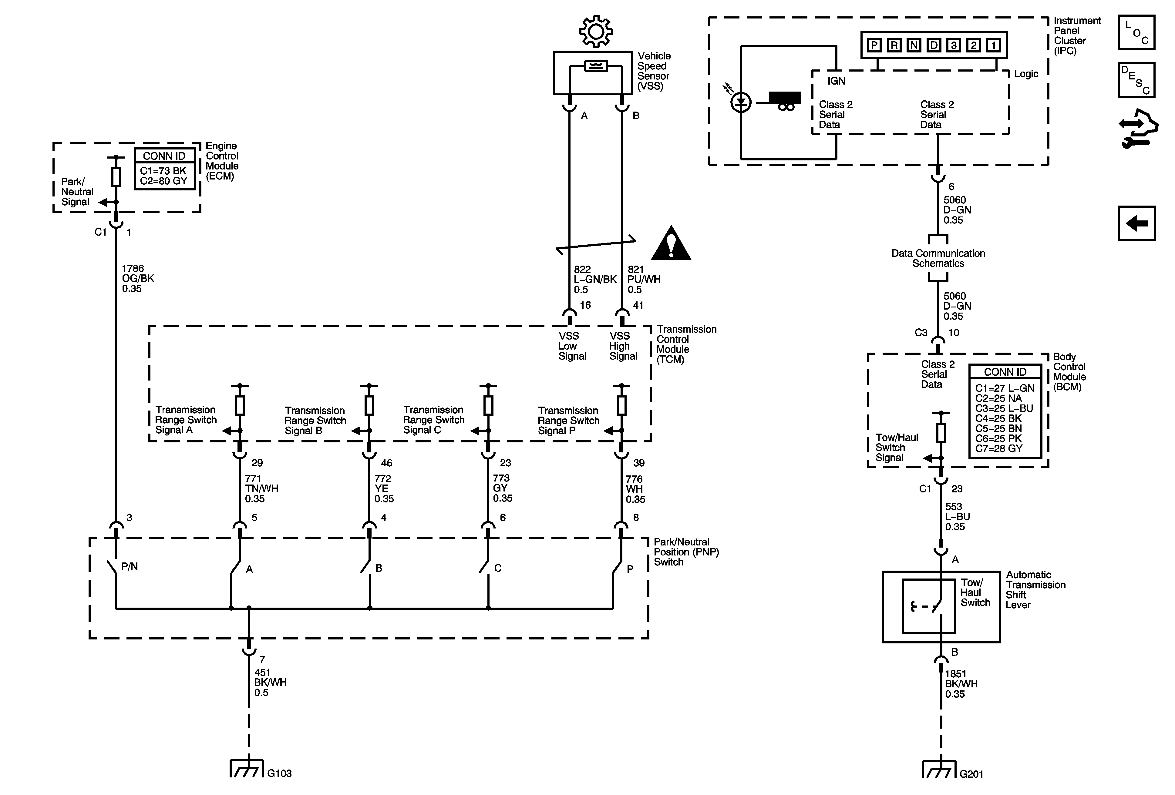
🢒 PNP Signals, VSS Signal, and Tow/Haul Signal
PNP Signals, VSS Signal, and Tow/Haul Signal
PNP Signals, VSS Signals, and Tow/Haul Signal
Master Electrical Component List
Electronic Component Description TCM
Control Module References
Pressure and Temperature Controls
G103, G110, and G111
Automatic Transmission Schematic Icons
Low Speed Bus - SP200 - 1 of 3
G201