GM Service Manual Online
For 1990-2009 cars only
Makes
🢒
Chevrolet
🢒
2007
🢒
Chevy Suburban - 4WD
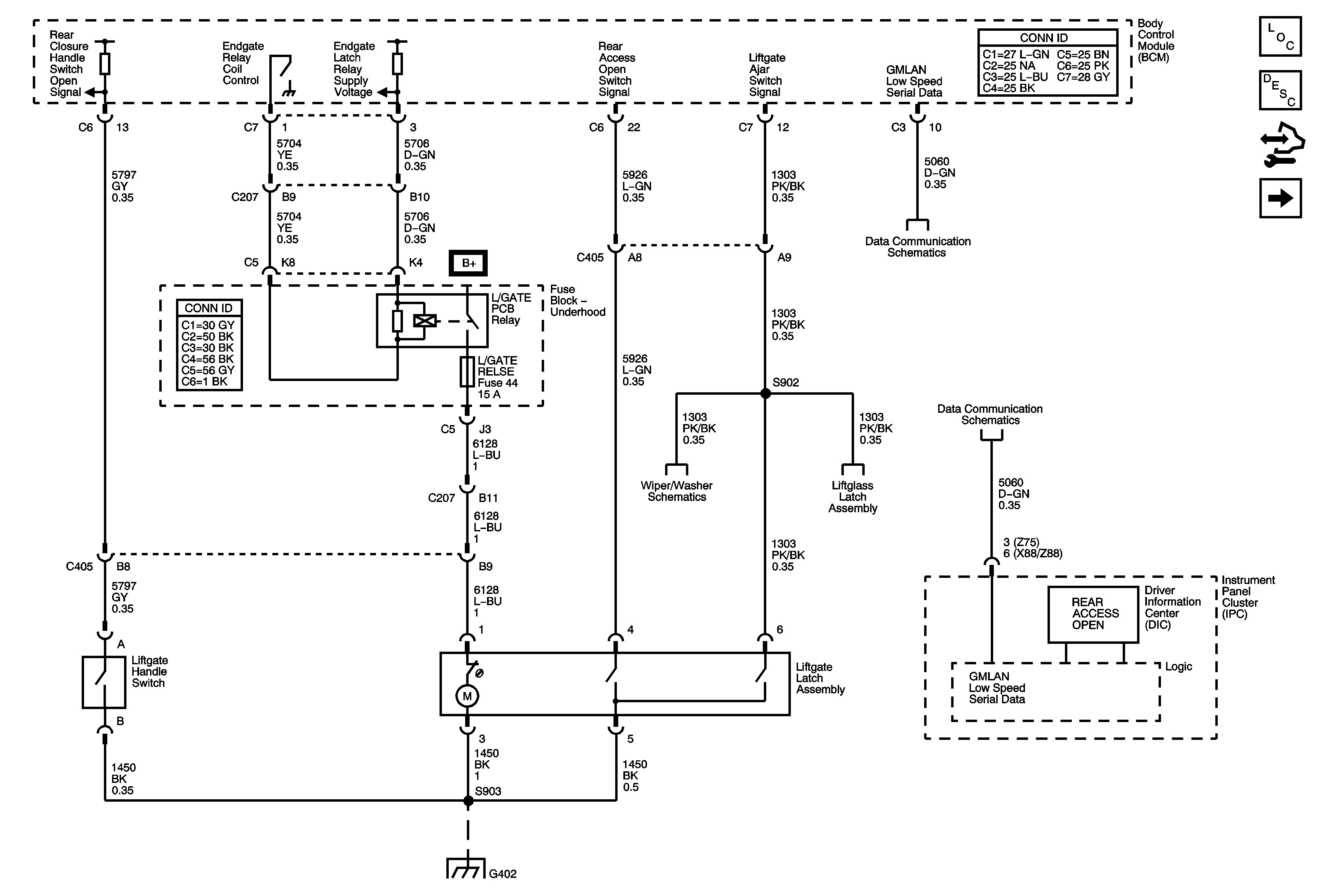
🢒 Liftgate - E52 Except E61
Liftgate - E52 Except E61
Liftgate - E52 Except E61
Master Electrical Component List
Rear Hatch/Gate Description and Operation
Control Module References
Liftglass - E52
Low Speed Bus - SP 200 - 2 of 3
Rear
Liftglass - E52
Low Speed Bus - SP200 - 1 of 3
G402 - E52