GM Service Manual Online
For 1990-2009 cars only
Makes
🢒
Chevrolet
🢒
2007
🢒
Chevy Suburban - 4WD
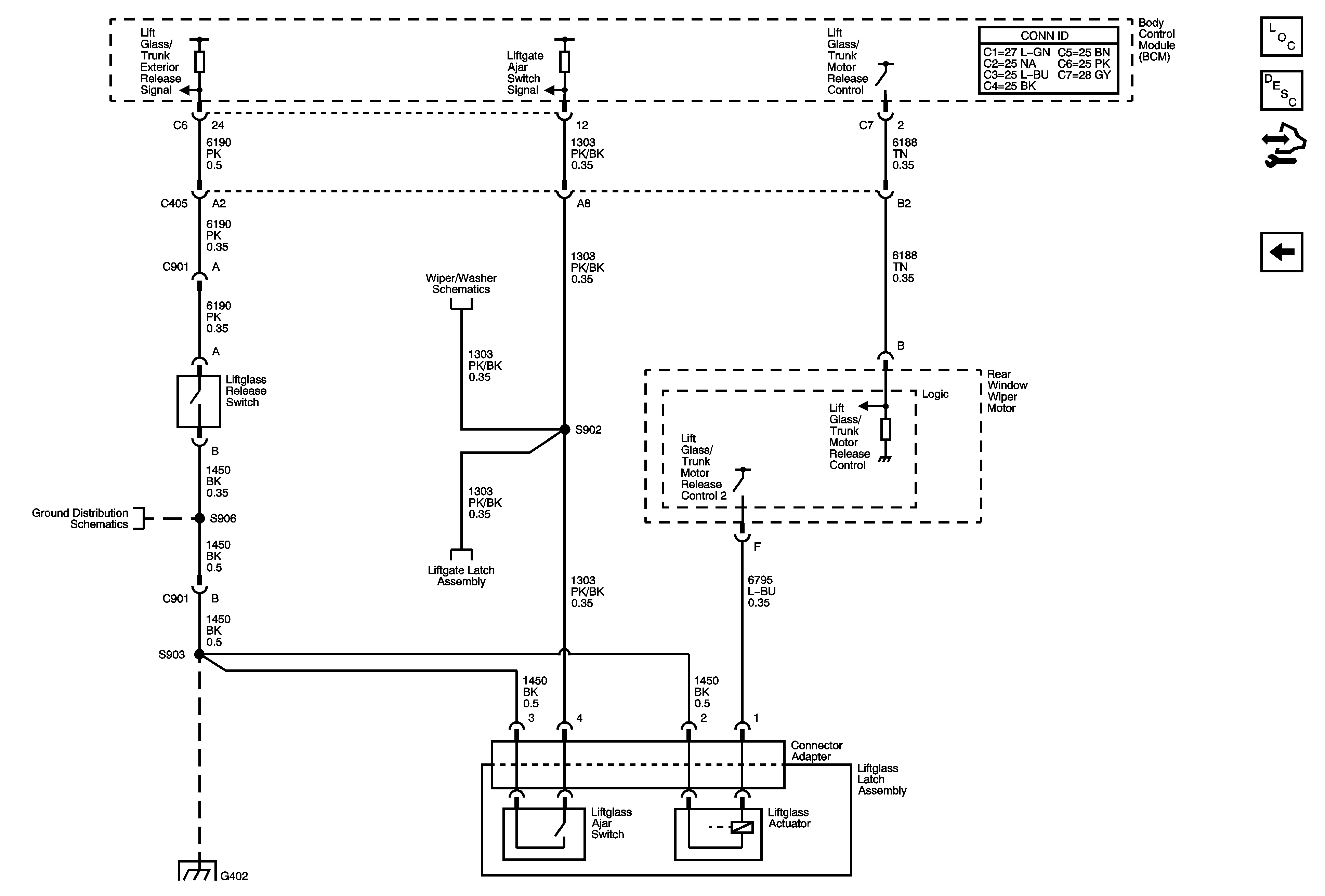
🢒 Liftglass - E52
Liftglass - E52
Liftglass - E52
Master Electrical Component List
Rear Hatch/Gate Description and Operation
Control Module References
Liftgate - E52 Except E61
G402 - E52
Rear
G402 - E52
G402 - E52