GM Service Manual Online
For 1990-2009 cars only
Makes
🢒
Chevrolet
🢒
2007
🢒
Chevy Suburban - 4WD
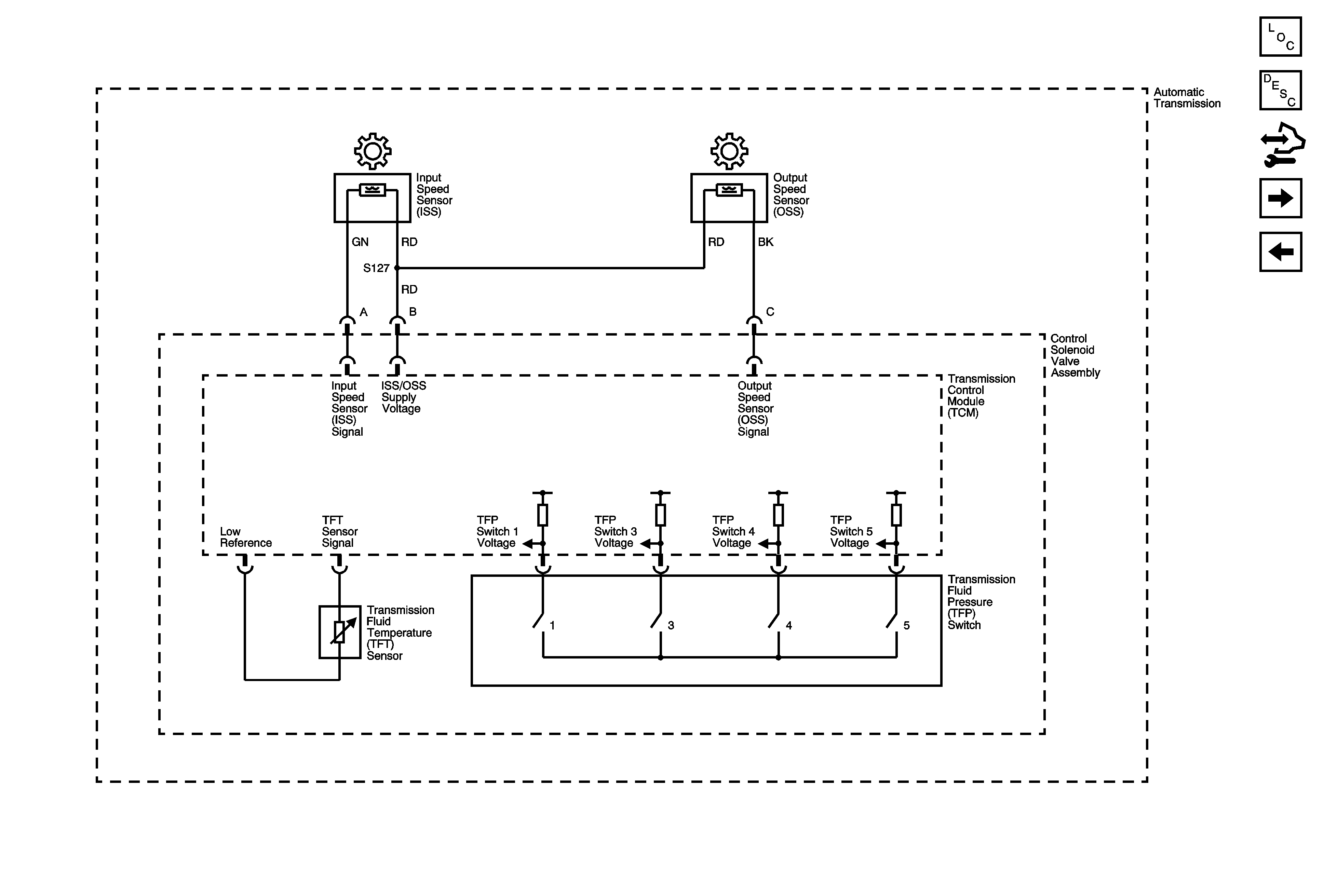
🢒 Pressure Controls - 2 of 2 and Speed Sensors
Pressure Controls - 2 of 2 and Speed Sensors
Pressure Controls - 2 of 2 and Speed Sensors
Master Electrical Component List
Electronic Component Description
Control Module References
Transmission Range Signals and Driver Shift Request
Pressure Controls - 1 of 2 and Shift Controls