GM Service Manual Online
For 1990-2009 cars only
Makes
🢒
Chevrolet
🢒
2007
🢒
Chevy Suburban - 4WD
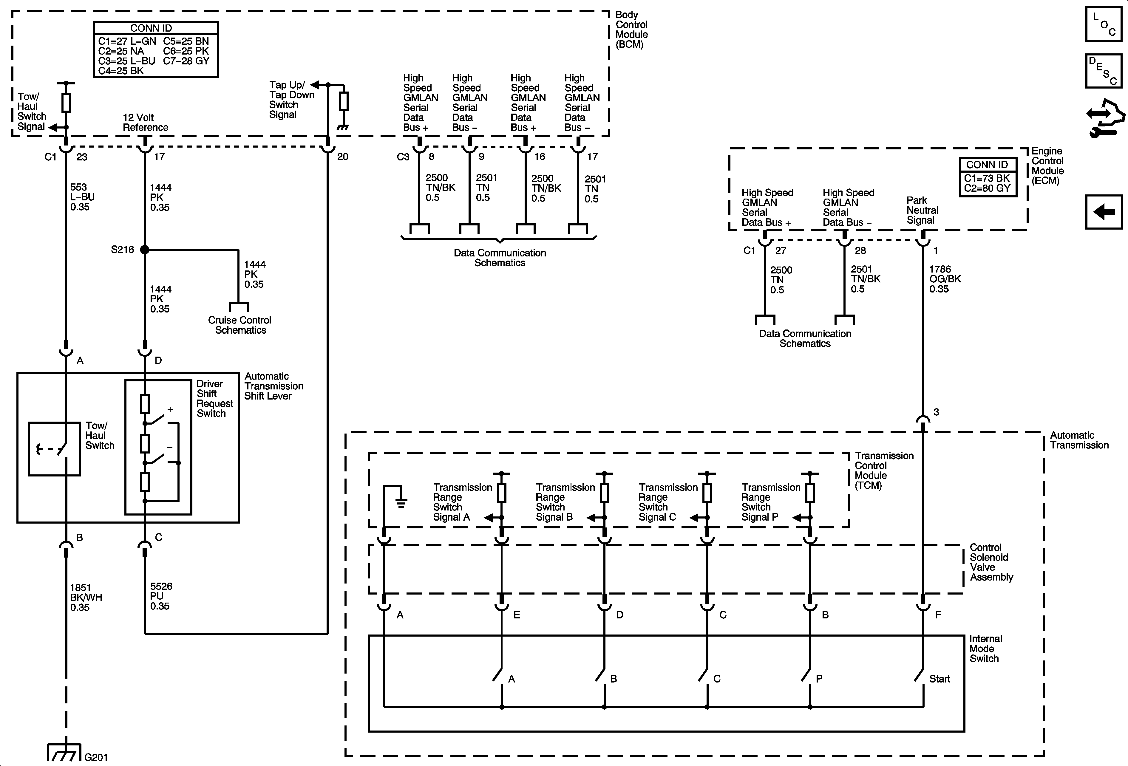
🢒 Transmission Range Signals and Driver Shift Request
Transmission Range Signals and Driver Shift Request
Transmission Range Signals and Driver Shift Request
Master Electrical Component List
Electronic Component Description
Control Module References
Pressure Controls - 2 of 2 and Speed Sensors
G201
Cruise Control Schematics
High Speed Bus - 1 of 2
High Speed Bus - 1 of 2