GM Service Manual Online
For 1990-2009 cars only
Makes
🢒
Chevrolet
🢒
2008
🢒
Chevy Suburban - 4WD
🢒
Diagnostic Navigation
🢒
Vehicle Diagnostic Information
🢒 Release Systems Schematics
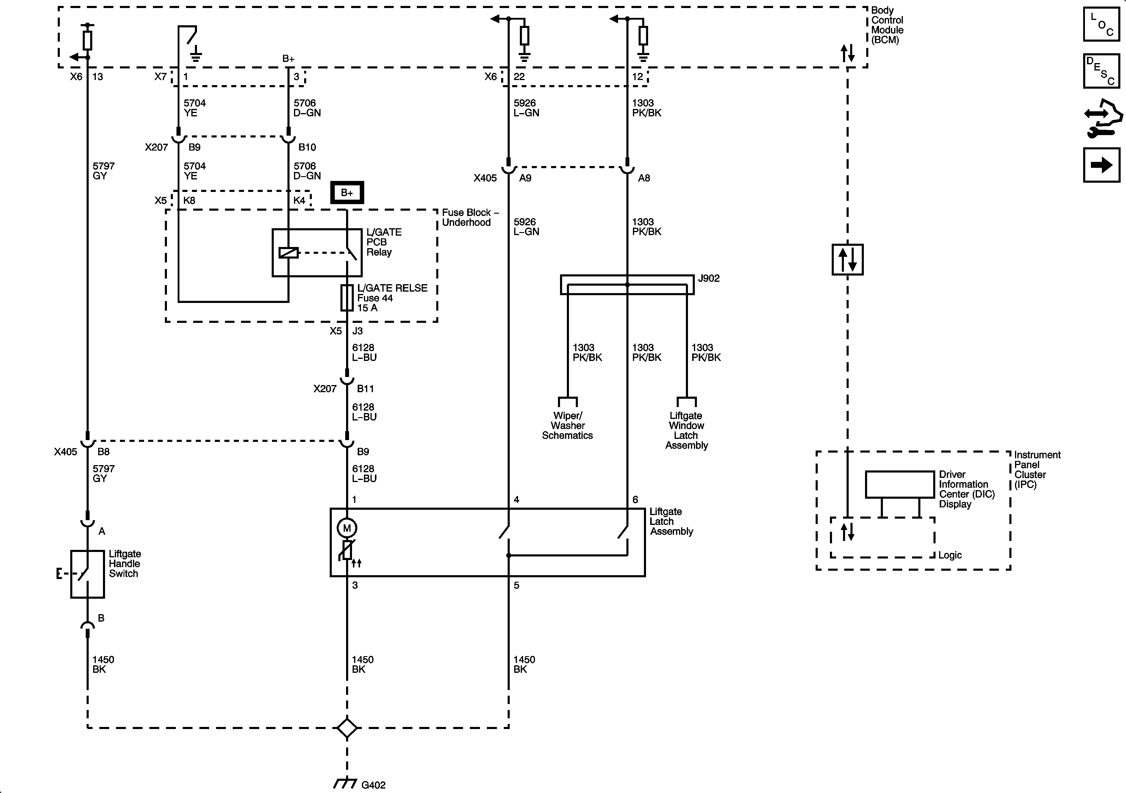
Figure
1:
Liftgate - E52 Except E61
Master Electrical Component List
Liftgate Description and Operation
Control Module References
Liftglass - E52
Data Communication Schematics
DRL, DRL 2, LO HDLP-LT, LO HDLP-RT, and STRTR Fuses
Rear (E52)
Liftglass - E52
G402 - E52
Figure
2:
Liftglass - E52
Master Electrical Component List
Liftgate Description and Operation
Control Module References
Liftgate - E52 Except E61
Rear (E52)
Liftgate - E52 Except E61
G402 - E52