GM Service Manual Online
For 1990-2009 cars only
Makes
🢒
Chevrolet
🢒
2004
🢒
Classic
🢒
Transmission/Transaxle
🢒
Automatic Transaxle - 4T40-E/4T45-E
🢒 Automatic Transmission Controls Schematics
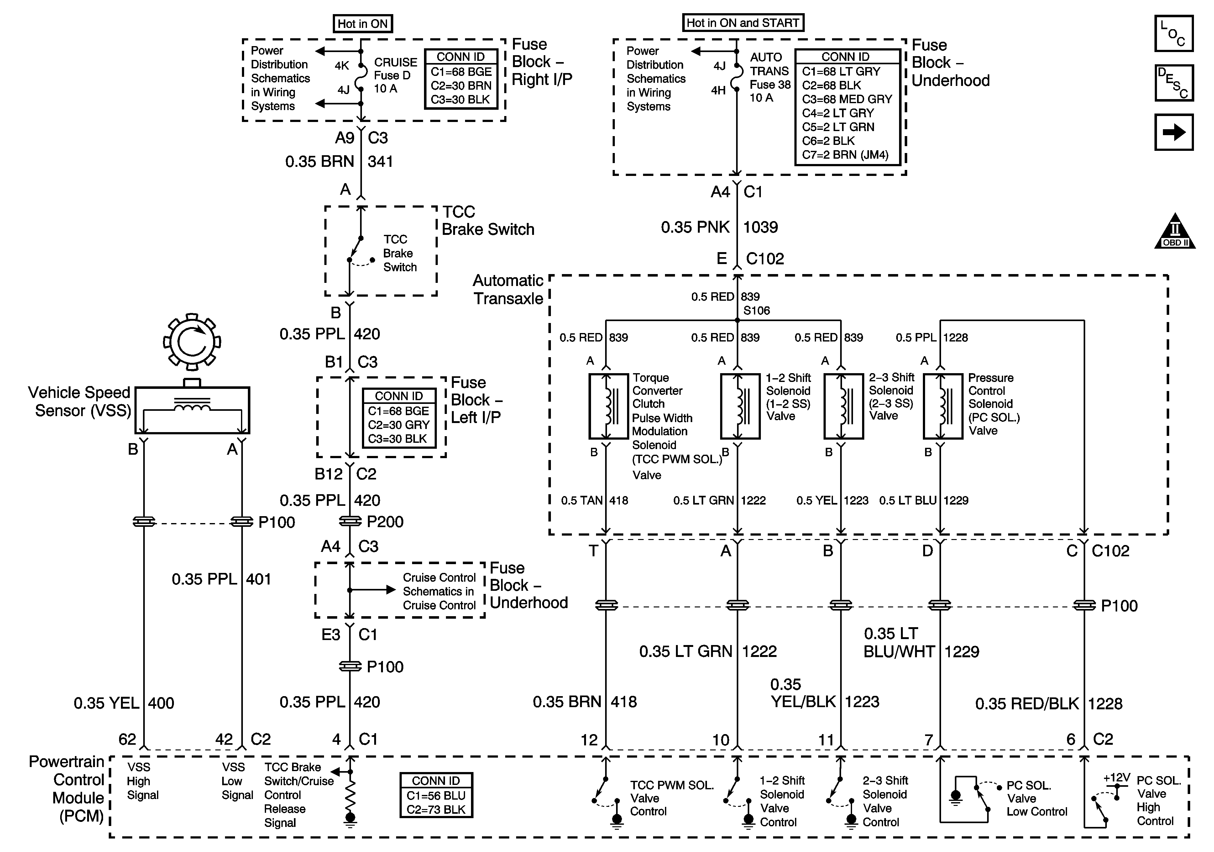
Figure
1:
Shift Soleniods
Master Electrical Component List
Transmission Component and System Description
Transmission Switches
OBDII Symbol Description Notice
CRUISE SW, CRUISE, and HVAC BLOWER Fuses
IGN MOD, B/U LMP, PCM IGN, A/C BFC, AUTO TRANS, and ABS IGN Fuses
Brake Switch and Inhibit Signals
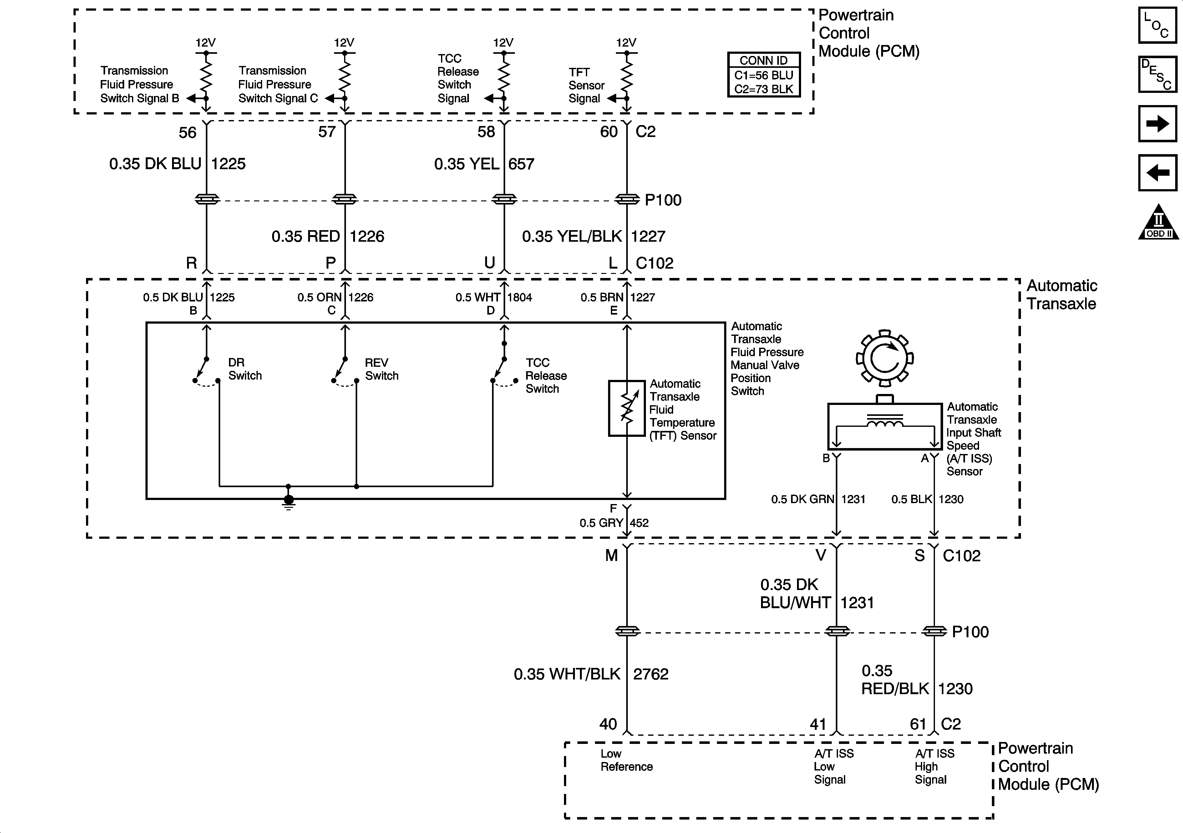
Figure
2:
Transmission Switches
Master Electrical Component List
Transmission Component and System Description
Park Neutral Position (PNP) Switch
Shift Solenoids
OBDII Symbol Description Notice
Figure
3:
Park Neutral Position (PNP) Switch
Master Electrical Component List
Transmission Component and System Description
Transmission Switches
OBDII Symbol Description Notice
SP102
SP102