GM Service Manual Online
For 1990-2009 cars only
Makes
🢒
Chevrolet
🢒
2004
🢒
Classic
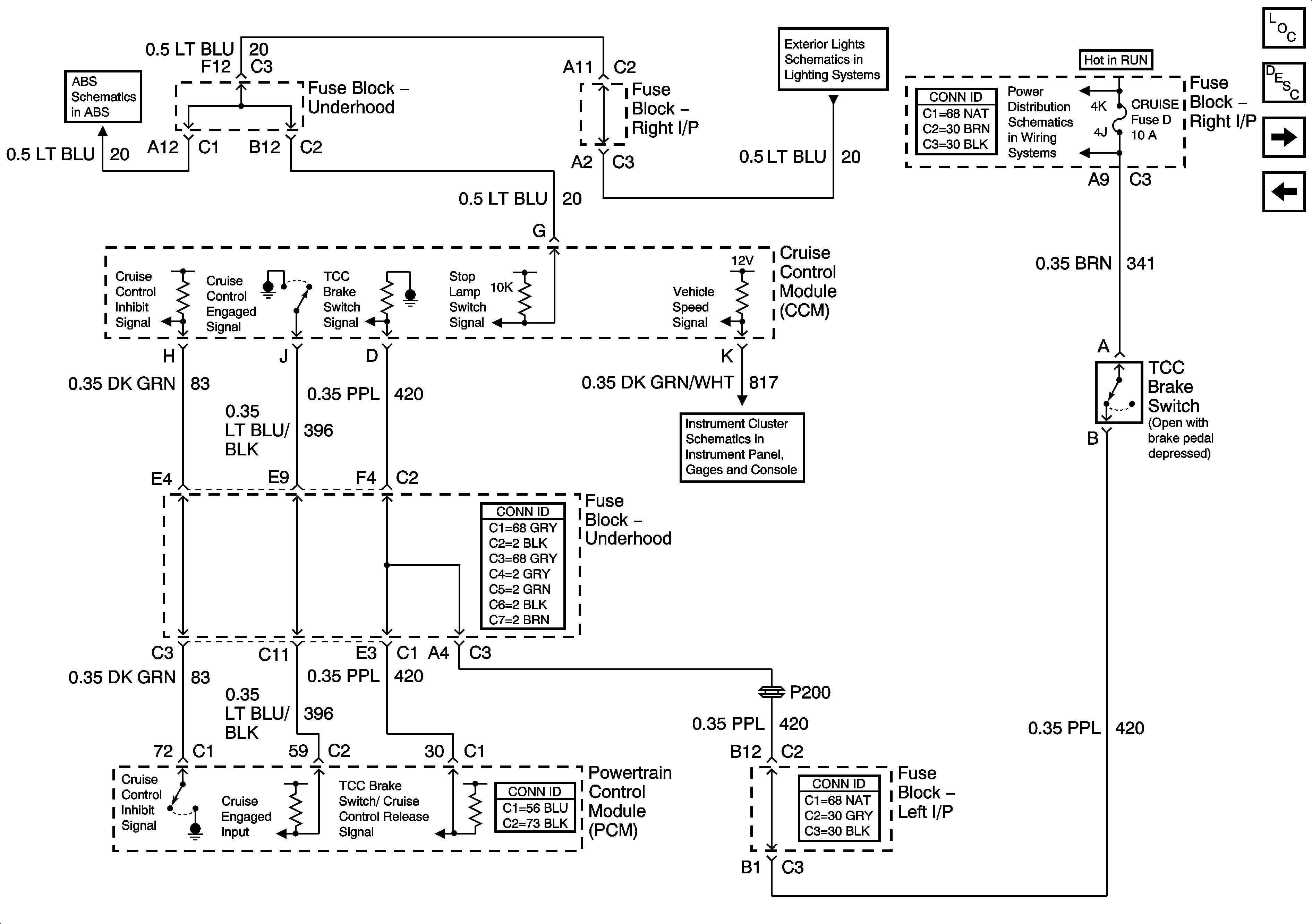
🢒 Brake Switch and Inhibit Signals
Brake Switch and Inhibit Signals
Brake Switch and Inhibit Signals
Master Electrical Component List
Cruise Control Description and Operation
Cruise Control Indicator
Power, Ground and Switch
EBCM, PWR, GND, and BPMV
Trunk Release
CRUISE SW, CRUISE, and HVAC BLOWER Fuses
Power and Communications