GM Service Manual Online
For 1990-2009 cars only
Makes
🢒
Chevrolet
🢒
2004
🢒
Classic
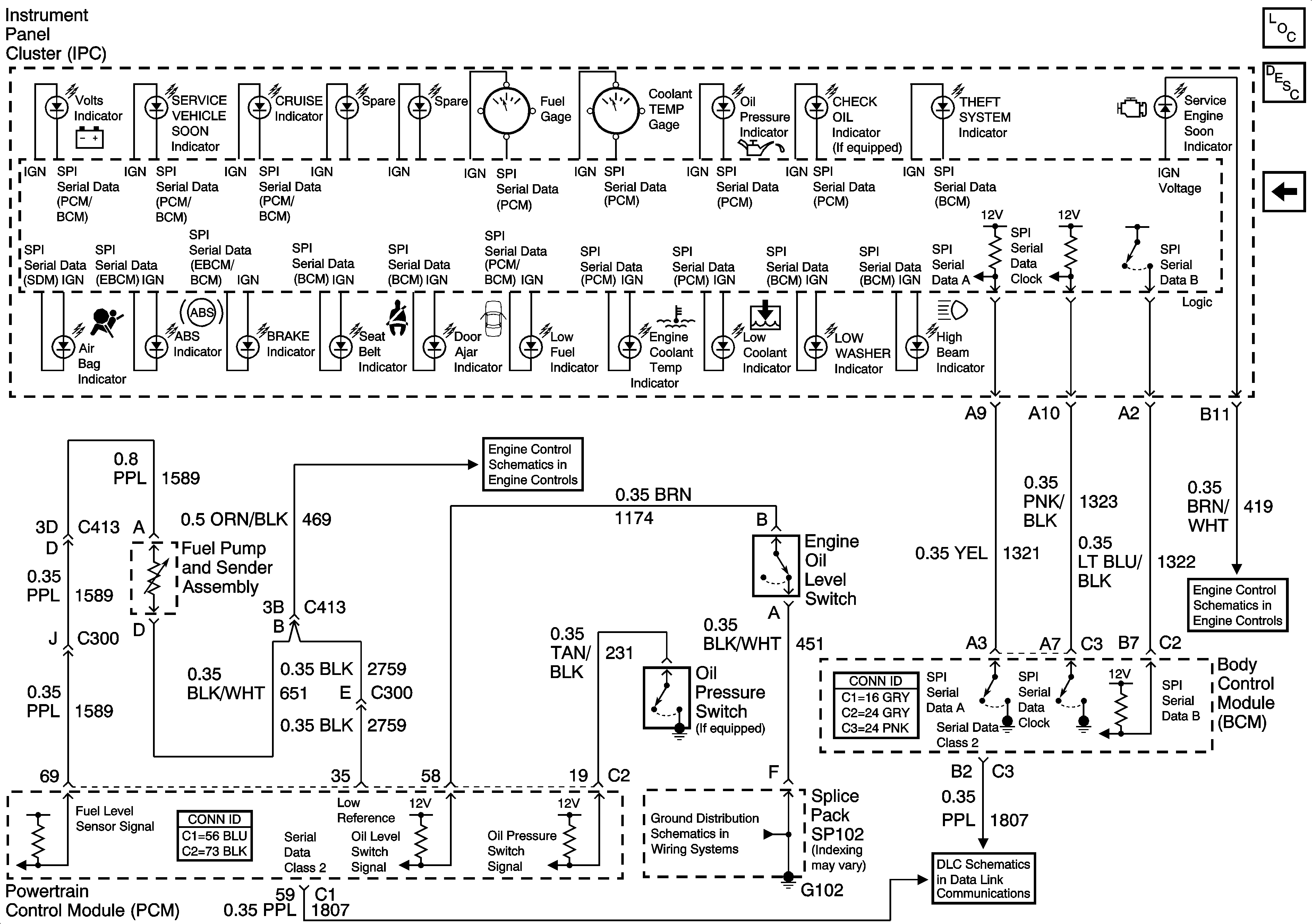
🢒 Indicators and Serial Data
Indicators and Serial Data
Indicators and Communication
Master Electrical Component List
Instrument Cluster Description and Operation
Power and Communications
EVAP and Fuel Controls
PCM Powers and Grounds
SP102
Data Link Communication