GM Service Manual Online
For 1990-2009 cars only
Makes
🢒
Chevrolet
🢒
2005
🢒
Cobalt
🢒
Body
🢒
Instrument Panel, Gages, and Console
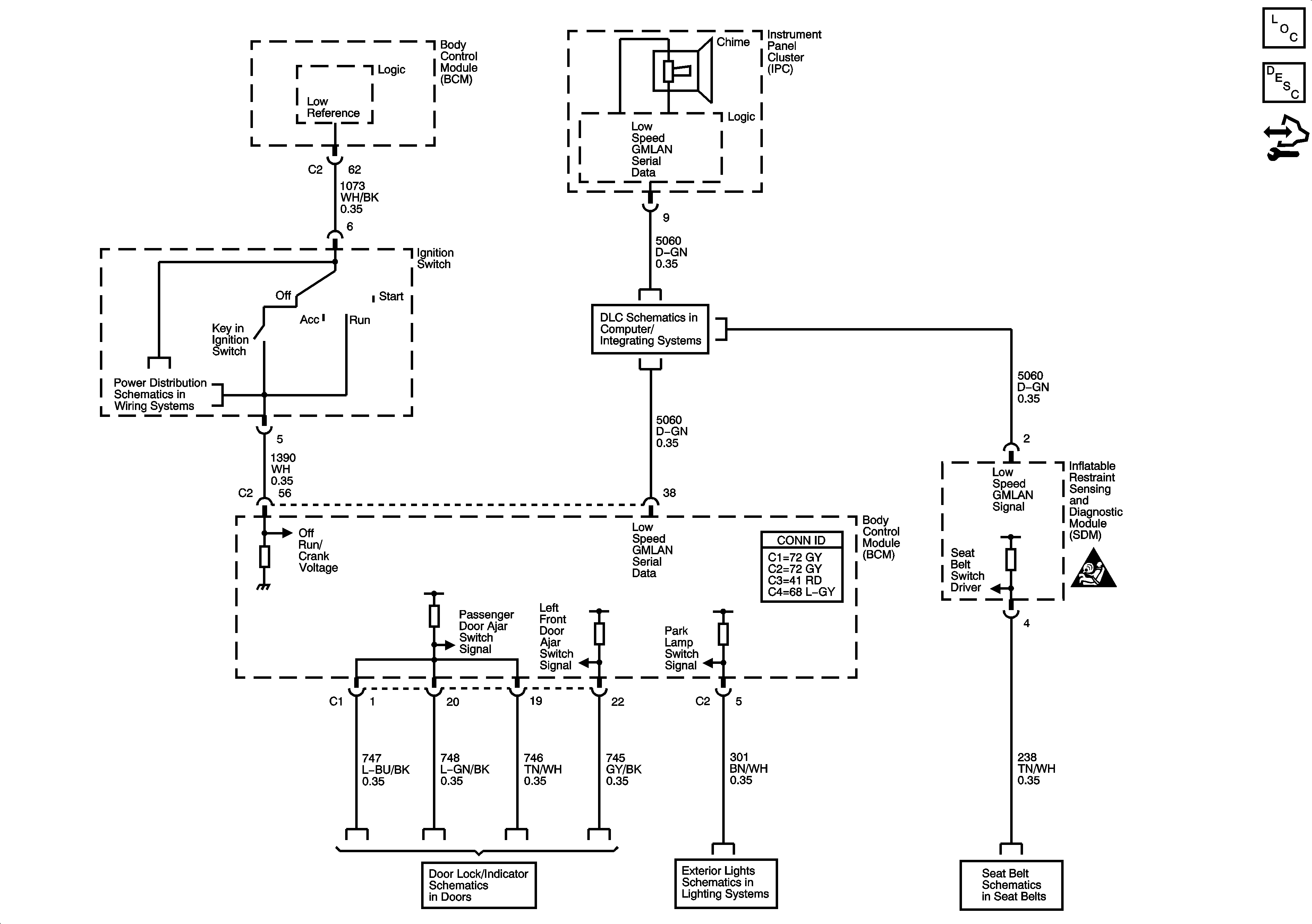
🢒 Audible Warnings Schematics
Master Electrical Component List
Audible Warnings Description and Operation
Control Module References
Ignition Switch, BCM2 Fuse, IGN SW Fuse, STOP LPS Fuse, AUDIO AMPLIFIER Fuse, CLUSTER Fuse, HVAC/PK3 Fuse
Ignition Switch, BCM2 Fuse, IGN SW Fuse, STOP LPS Fuse, AUDIO AMPLIFIER Fuse, CLUSTER Fuse, HVAC/PK3 Fuse
DLC Power, Ground, and Low Speed GMLAN
SIR Caution for Zoning
Door Lock/Indicators
Inputs
Seat Belt Schematic