GM Service Manual Online
For 1990-2009 cars only
Makes
🢒
Chevrolet
🢒
2005
🢒
Cobalt
🢒
Body
🢒
Wiring Systems
🢒 Interior Lights Schematics
Figure
1:
Interior Lights - Inputs
Master Electrical Component List
Interior Lighting Systems Description and Operation
Control Module References
Interior Lights Outputs
Body Rear End
ABS, Brake Warning, Cruise Control, Door Lock/Indicator, Engine Controls and Engine Cooling References
G401 - 2 of 2
G301 - 2 of 2
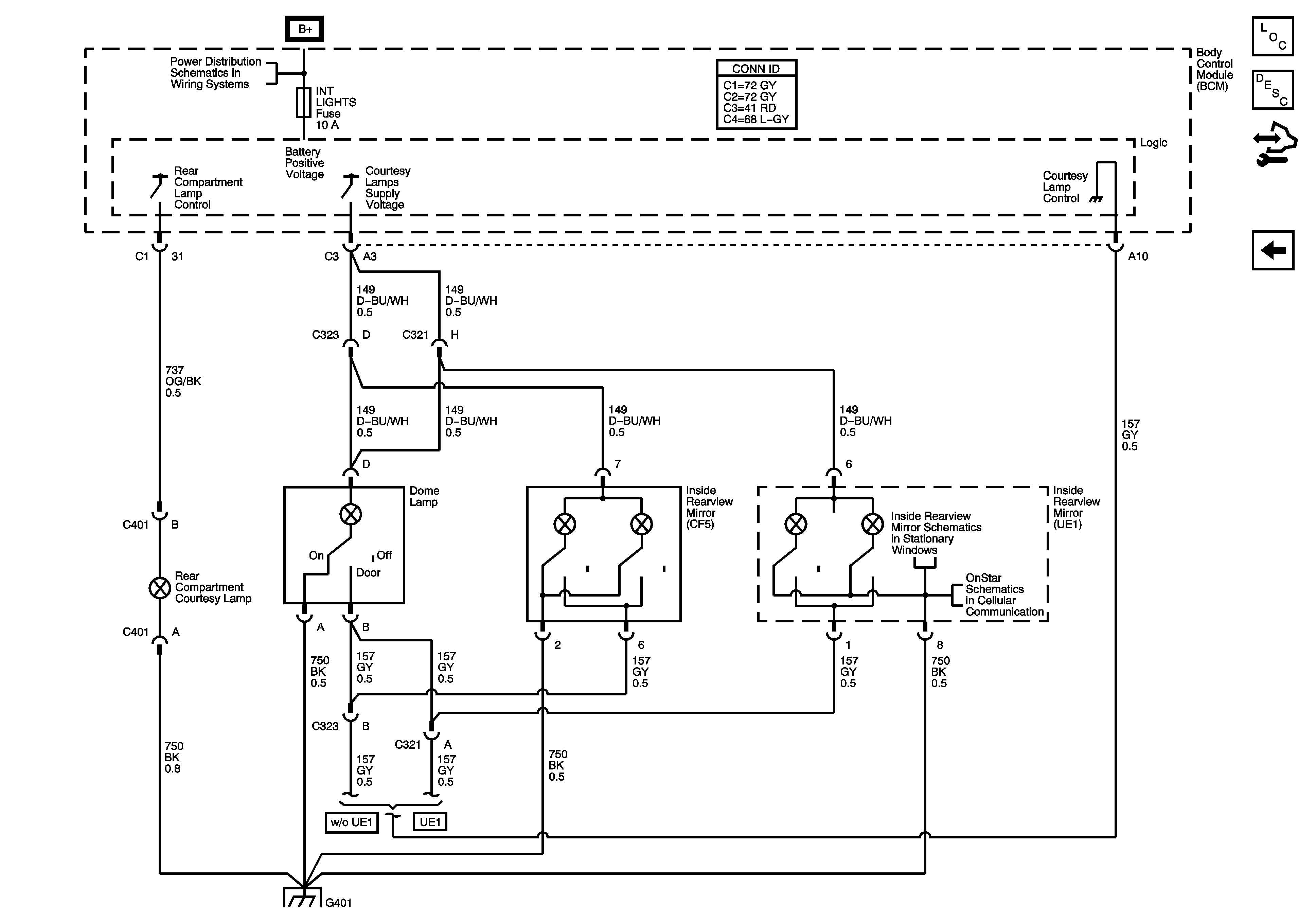
Figure
2:
Interior Lights - Outputs
Master Electrical Component List
Interior Lighting Systems Description and Operation
Control Module References
Interior Lights Inputs
RDO Fuse, DR LCK Fuse, INT LIGHTS Fuse, PWR WNDW Fuse, S ROOF Fuse, ECM/TCM Fuse, SDM Fuse, RAP Relay, INTERIOR LAMPS PCB Relay, Door Lock PCB Relays
Inside Rearview Mirror
OnStar Schematics
G401 - 2 of 2