GM Service Manual Online
For 1990-2009 cars only
Makes
🢒
Chevrolet
🢒
2007
🢒
Cobalt
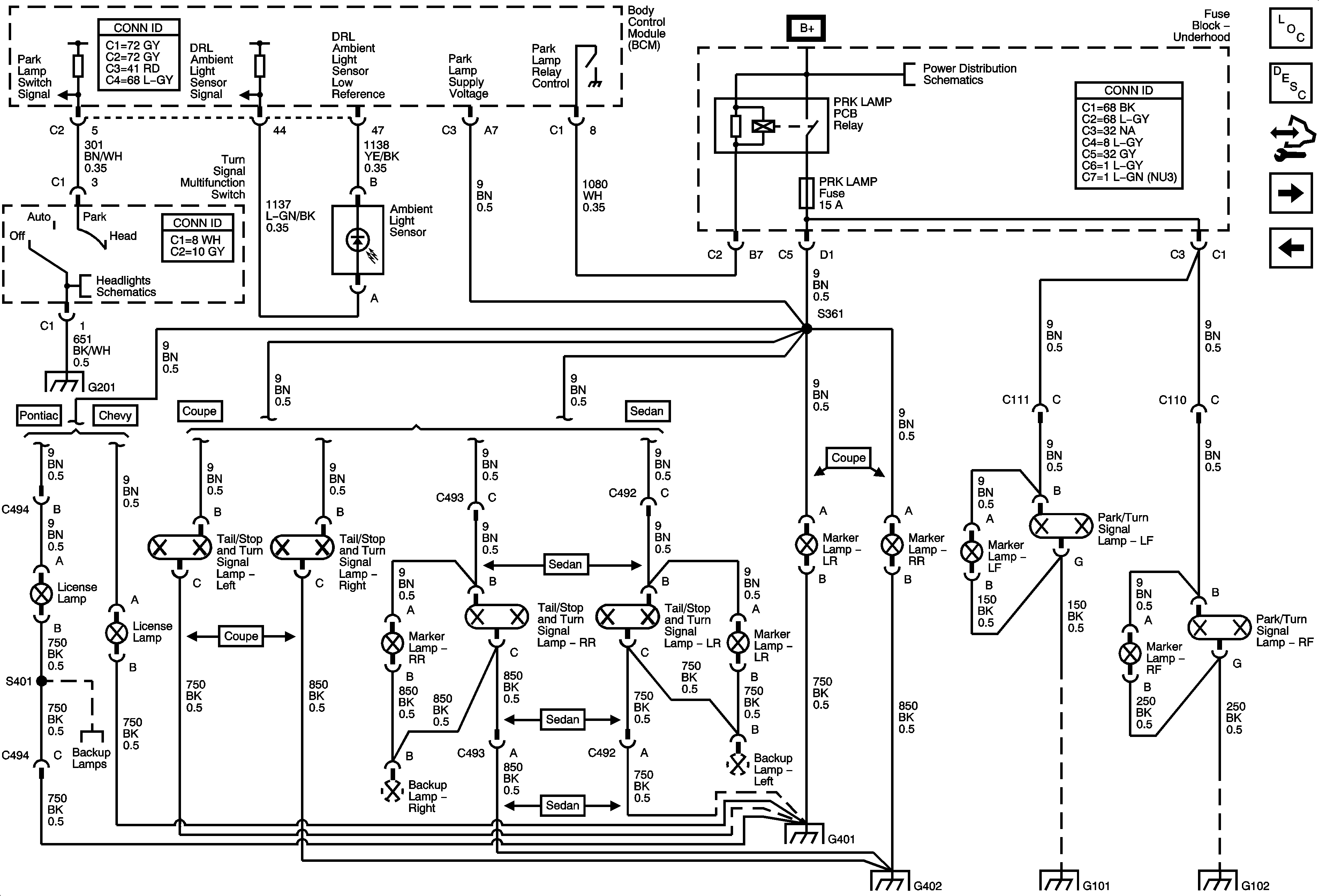
🢒 Park Lamps
Park Lamps
Park Lamps
Master Electrical Component List
Exterior Lighting Systems Description and Operation
Control Module References
Hazards, Turn Signals
Inputs
Headlights/DRL Schematics
G201 (1 of 2)
Underhood Fuse Block Fuses- LH HI BEAM, LH LO BEAM, PRK LPS, RH HI BEAM, RH LO BEAM
Backup Lamps
G401
G402, G403
G101, G102
G101, G102