GM Service Manual Online
For 1990-2009 cars only
Makes
🢒
Chevrolet
🢒
2007
🢒
Cobalt
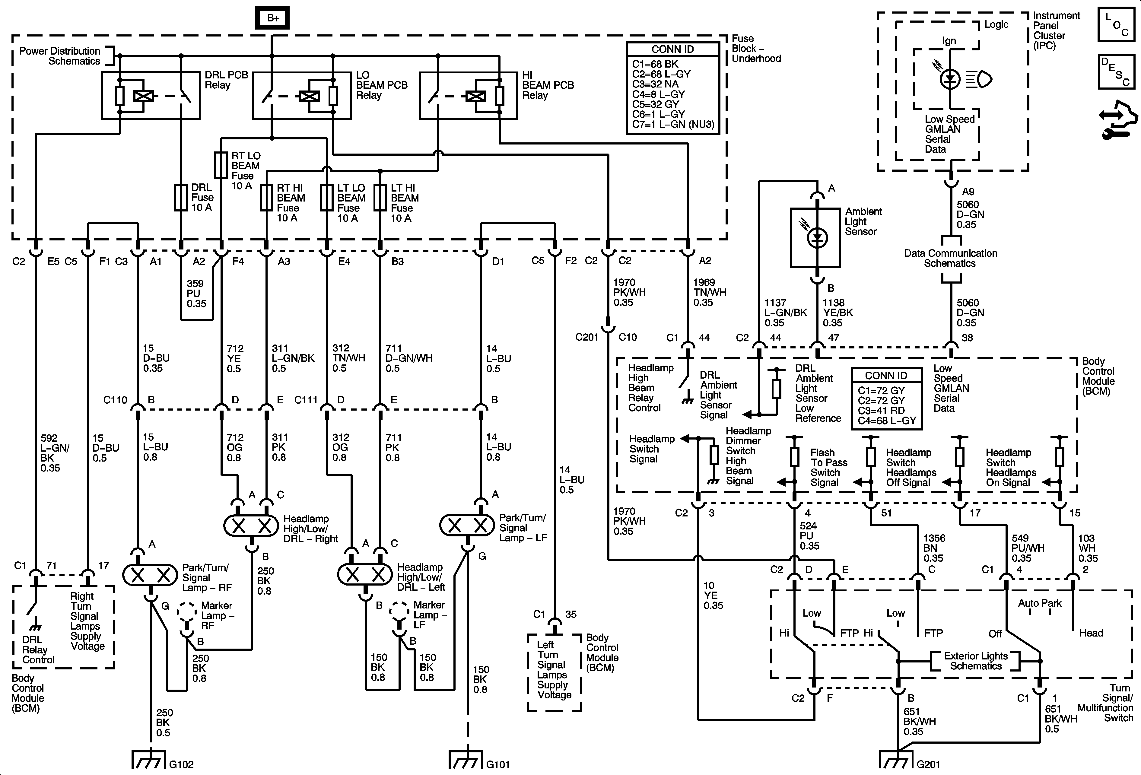
🢒 Headlights/DRL Schematics
Headlights/DRL Schematics
Master Electrical Component List
Exterior Lighting Systems Description and Operation
Control Module References
Underhood Fuse Block Fuses- LH HI BEAM, LH LO BEAM, PRK LPS, RH HI BEAM, RH LO BEAM
Power, Ground, Low Speed GMLAN
Park Lamps
G101, G102
G101, G102
G201 (1 of 2)