GM Service Manual Online
For 1990-2009 cars only
Makes
🢒
Chevrolet
🢒
2004
🢒
Colorado Pickup - 2WD
🢒
Accessories
🢒
Cruise Control
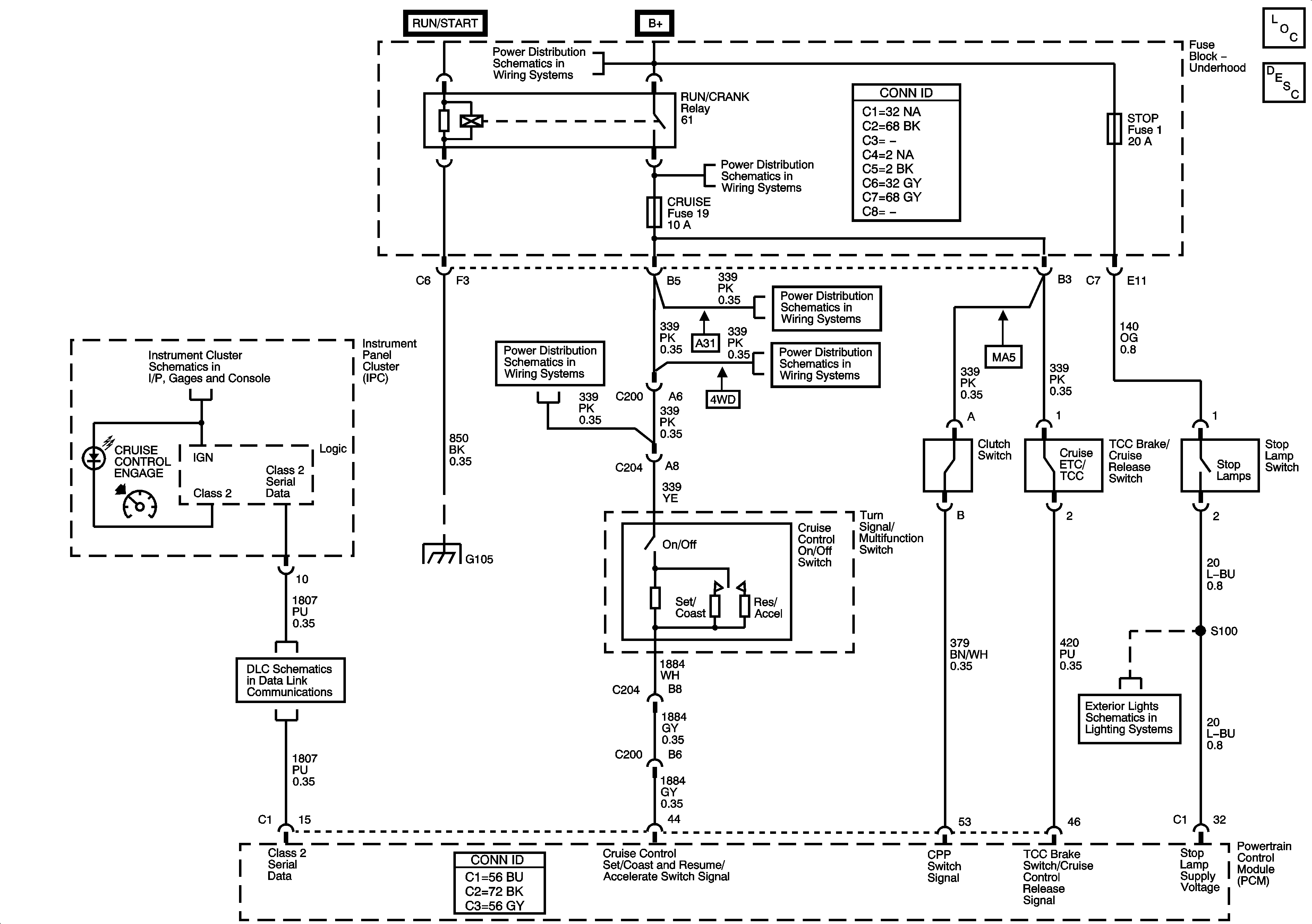
🢒 Cruise Control Schematics
Master Electrical Component List
Cruise Control Description and Operation
B+ Bus - Underhood Fuse Block
SIR, CRUISE/MISC, TRANS, BACK UP, and ABS Fuses
SIR, CRUISE/MISC, TRANS, BACK UP, and ABS Fuses
SIR, CRUISE/MISC, TRANS, BACK UP, and ABS Fuses
SIR, CRUISE/MISC, TRANS, BACK UP, and ABS Fuses
Indicators
Splice Pack SP105 and G105 - 1 of 2
Data Link Connector (DLC) Schematics