GM Service Manual Online
For 1990-2009 cars only
Makes
🢒
Chevrolet
🢒
2004
🢒
Colorado Pickup - 2WD
🢒 Rear Doors - Crew Cab
Rear Doors - Crew Cab
Rear Doors - Crew Cab
Master Electrical Component List
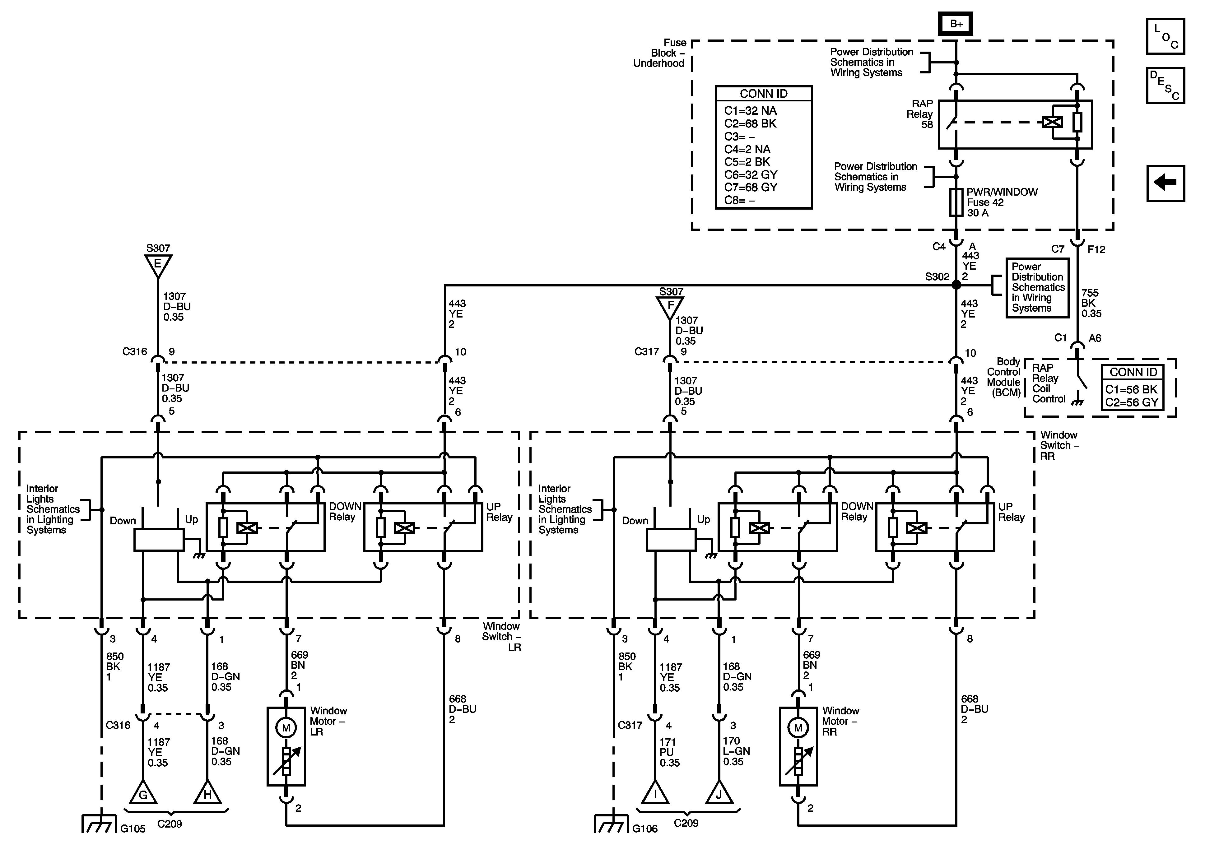
Power Windows Description and Operation
Right Door - Crew Cab
Left Door - Crew Cab
B+ Bus - Underhood Fuse Block
WIPER SW, PWR WDO, ETC, and 02 SENSOR Fuses
WIPER SW, PWR WDO, ETC, and 02 SENSOR Fuses
Left Door - Crew Cab
Door Jamb Switches
Splice Pack SP105 and G105 - 1 of 2
Left Door - Crew Cab
Door Jamb Switches
Splice Pack SP105 and G105 - 1 of 2
Left Door - Crew Cab