GM Service Manual Online
For 1990-2009 cars only
Makes
🢒
Chevrolet
🢒
2004
🢒
Colorado Pickup - 2WD
🢒 Right Door - Crew Cab
Right Door - Crew Cab
Right Door - Crew Cab
Master Electrical Component List
Power Windows Description and Operation
Rear Doors - Crew Cab
Left Door - Crew Cab
Left Door - Crew Cab
B+ Bus - Underhood Fuse Block
WIPER SW, PWR WDO, ETC, and 02 SENSOR Fuses
WIPER SW, PWR WDO, ETC, and 02 SENSOR Fuses
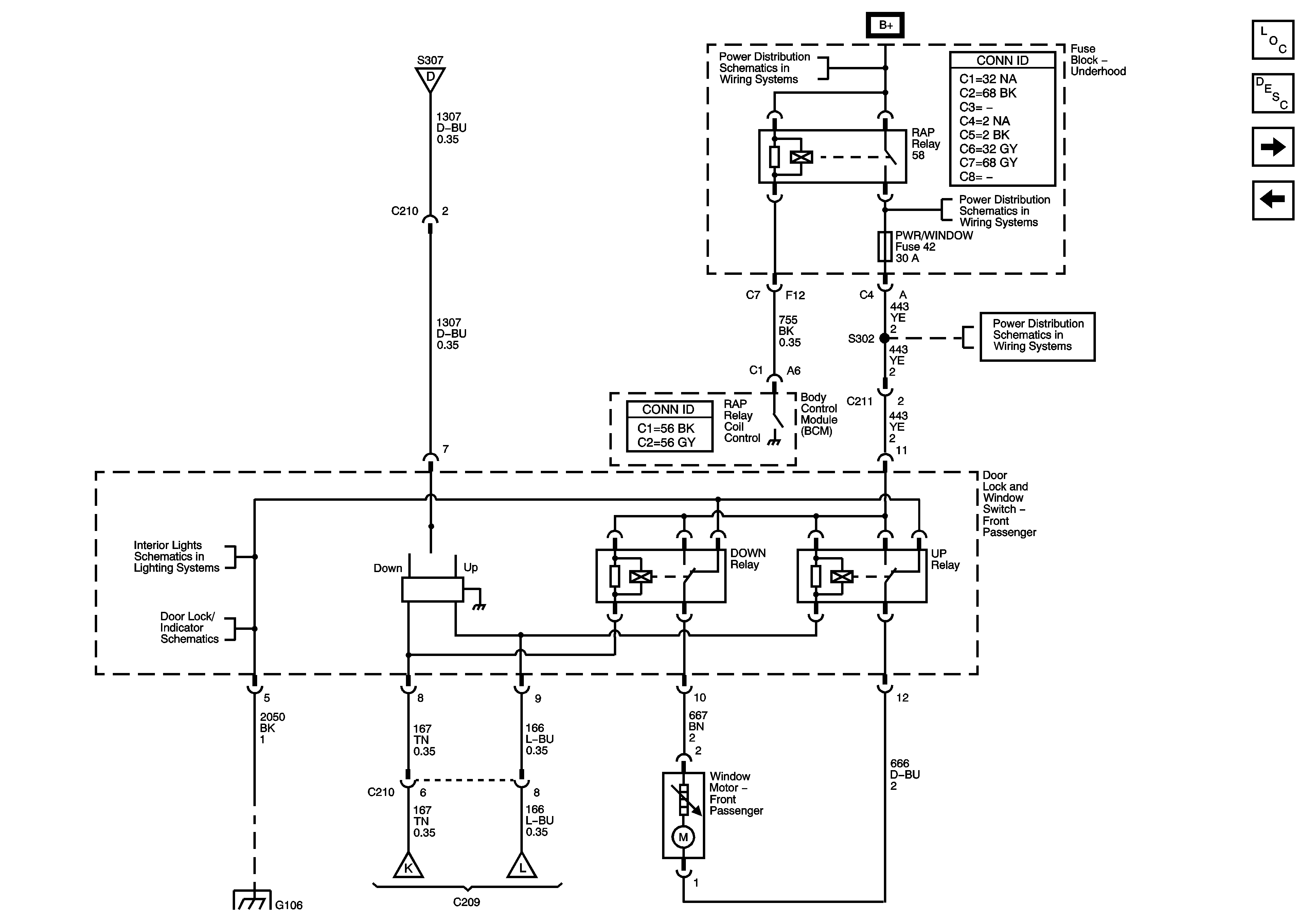
Door Lock and Window Switches, and Outside Rearview Mirror Switch
Power Door Locks - Regular and Extended Cab
Splice Pack SP106 and G106 - 1 of 2
Left Door - Crew Cab