GM Service Manual Online
For 1990-2009 cars only
Makes
🢒
Chevrolet
🢒
2004
🢒
Colorado Pickup - 2WD
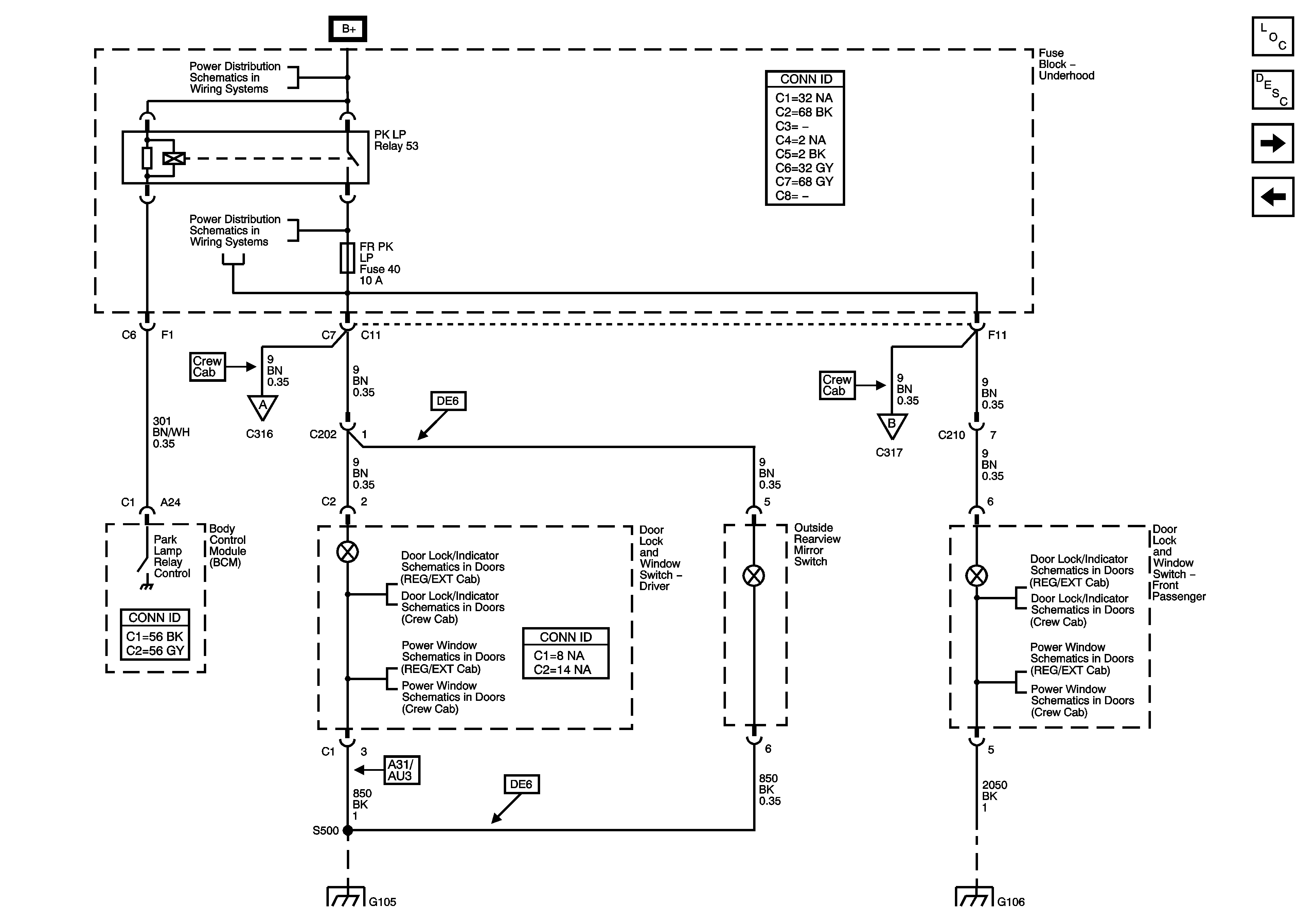
🢒 Door Lock and Window Switches, and Outside Rearview Mirror Switch
Door Lock and Window Switches, and Outside Rearview Mirror Switch
Door Lock and Window Switches, and Outside Rearview Mirror Switch
Master Electrical Component List
Exterior Lighting Systems Description and Operation
Door Jamb Switches
Inside Rearview Mirror, Dome Lamp, Footwell Lamps, and Cargo Lamp
B+ Bus - Underhood Fuse Block
FRT PARK LAMP, REAR PARK LAMP #1, and REAR PARK LAMP #2 Fuses
Door Jamb Switches
Door Jamb Switches
Power Door Locks - Regular and Extended Cab
Power Door Locks - Crew Cab
Left Door - Regular and Extended Cab
Left Door - Crew Cab
Power Door Locks - Regular and Extended Cab
Power Door Locks - Crew Cab
Right Door - Regular and Extended Cab
Right Door - Crew Cab
Splice Pack SP105 and G105 - 1 of 2
Splice Pack SP106 and G106 - 1 of 2