GM Service Manual Online
For 1990-2009 cars only
Makes
🢒
Chevrolet
🢒
2004
🢒
Colorado Pickup - 2WD
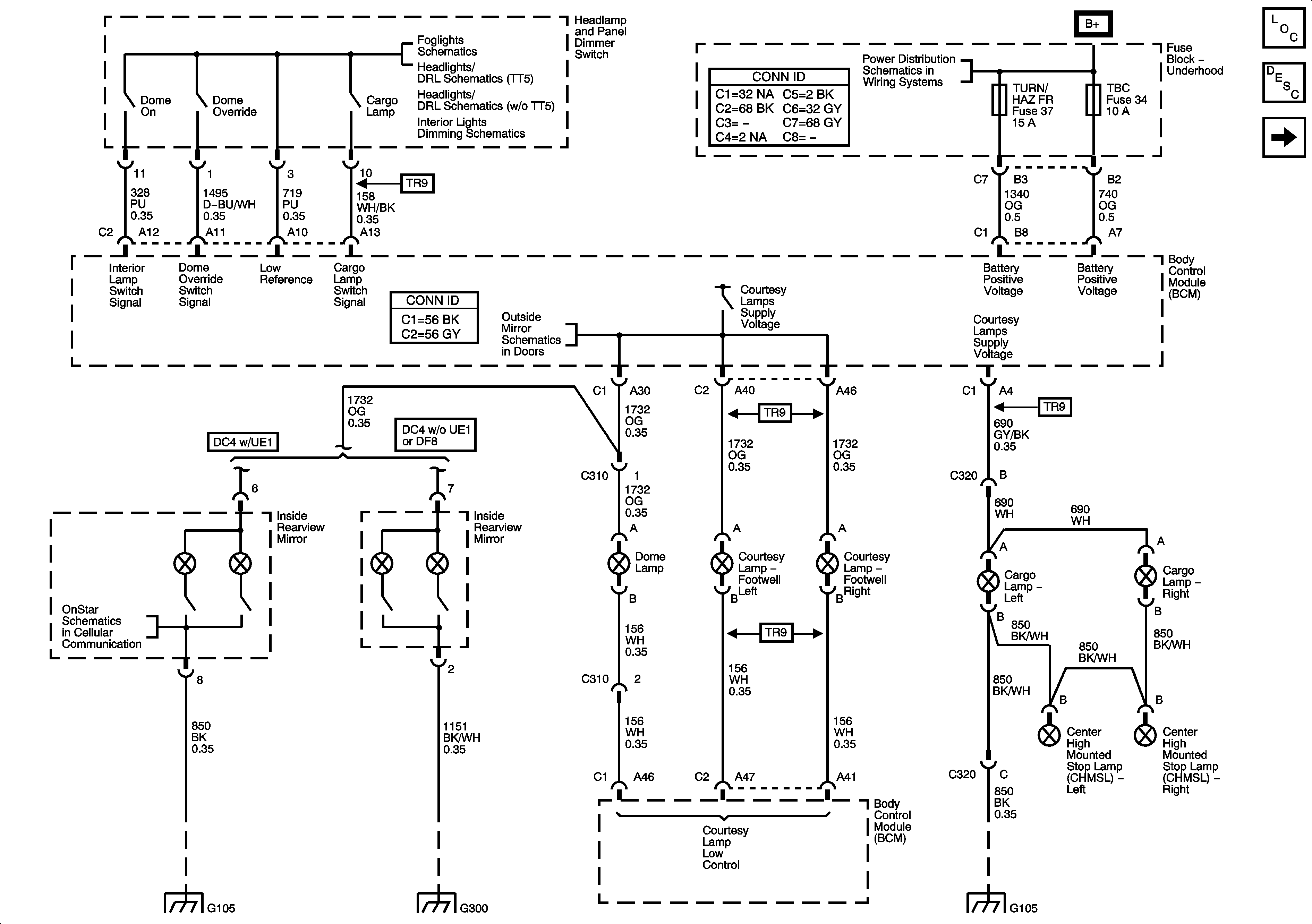
🢒 Inside Rearview Mirror, Dome Lamp, Footwell Lamps, and Cargo Lamp
Inside Rearview Mirror, Dome Lamp, Footwell Lamps, and Cargo Lamp
Inside Rearview Mirror, Dome Lamp, Footwell Courtesy Lamps, and Cargo Lamp
Master Electrical Component List
Exterior Lighting Systems Description and Operation
Door Lock and Window Switches, and Outside Rearview Mirror Switch
Fog Lights
Headlights/Daytime Running Light (DRL) Schematics - TT5
Headlights/Daytime Running Light (DRL) Schematics (w/o TT5)
Interior Lights Dimming
B+ Bus - Underhood Fuse Block
Outside Mirrors
OnStar Schematics
Stop Lamps, and License Lamps
Splice Pack SP105 and G105 - 1 of 2
G300, G301, and G302
Splice Pack SP105 and G105 - 1 of 2