GM Service Manual Online
For 1990-2009 cars only
Makes
🢒
Chevrolet
🢒
2004
🢒
Colorado Pickup - 2WD
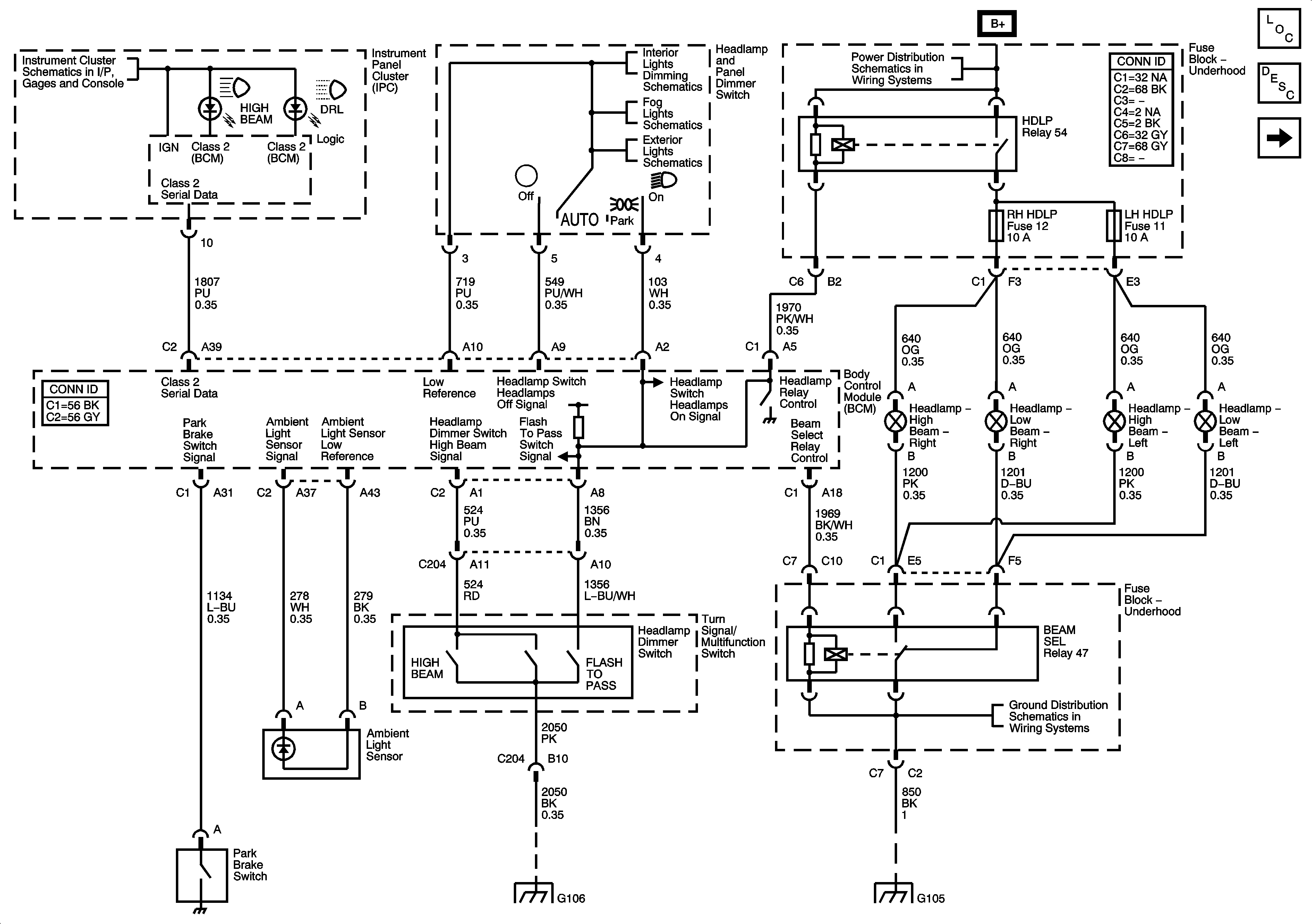
🢒 Headlights/Daytime Running Light (DRL) Schematics - TT5
Headlights/Daytime Running Light (DRL) Schematics - TT5
Headlamps/DRL w/TT5
Master Electrical Component List
Exterior Lighting Systems Description and Operation
Headlights/Daytime Running Light (DRL) Schematics (w/o TT5)
Indicators
Interior Lights Dimming
Fog Lights
Park Lamp Control, Turn Signal Inputs, and Hazard Switch
B+ Bus - Underhood Fuse Block
Splice Pack SP105 and G105 - 1 of 2
Splice Pack SP106 and G106 - 1 of 2
Splice Pack SP105 and G105 - 1 of 2