GM Service Manual Online
For 1990-2009 cars only
Makes
🢒
Chevrolet
🢒
2004
🢒
Colorado Pickup - 2WD
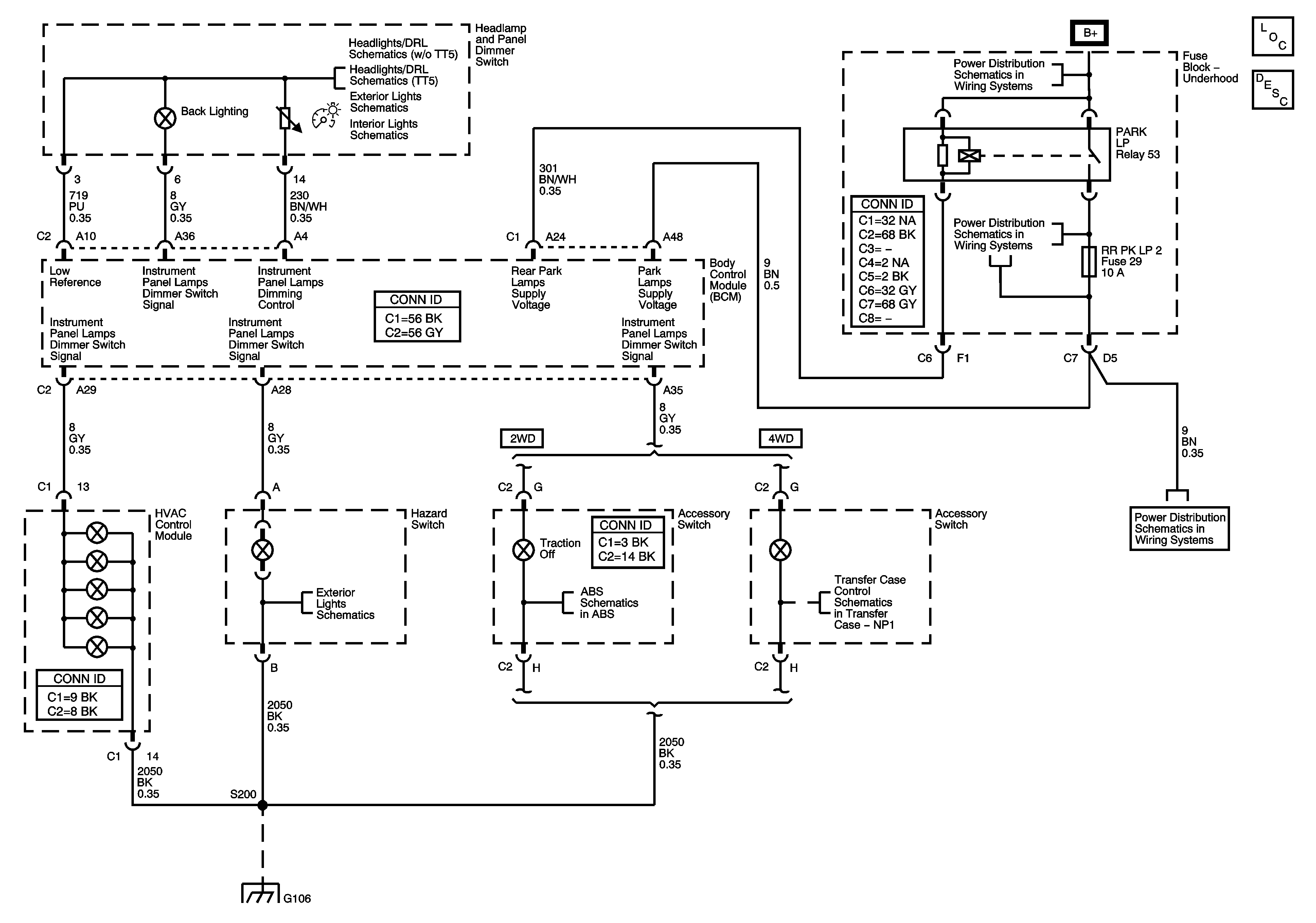
🢒 Interior Lights Dimming
Interior Lights Dimming
Master Electrical Component List
Exterior Lighting Systems Description and Operation
Headlights/Daytime Running Light (DRL) Schematics (w/o TT5)
Headlights/Daytime Running Light (DRL) Schematics - TT5
Fog Lights
Inside Rearview Mirror, Dome Lamp, Footwell Lamps, and Cargo Lamp
B+ Bus - Underhood Fuse Block
FRT PARK LAMP, REAR PARK LAMP #1, and REAR PARK LAMP #2 Fuses
FRT PARK LAMP, REAR PARK LAMP #1, and REAR PARK LAMP #2 Fuses
Park Lamp Control, Turn Signal Inputs, and Hazard Switch
ABS Traction Control
Shift Control Switch Inputs
Splice Pack SP106 and G106 - 1 of 2