GM Service Manual Online
For 1990-2009 cars only
Makes
🢒
Chevrolet
🢒
2004
🢒
Colorado Pickup - 2WD
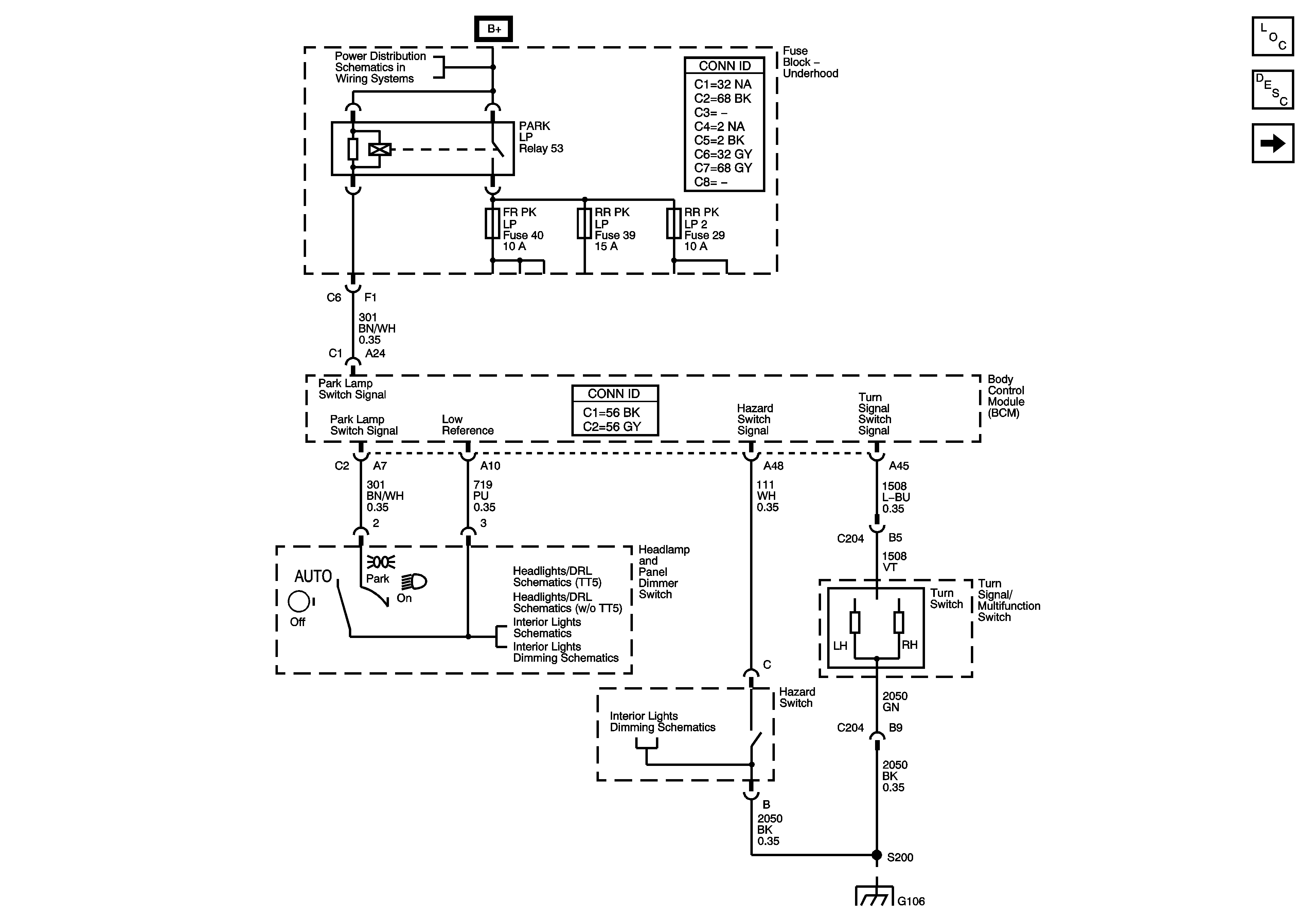
🢒 Park Lamp Control, Turn Signal Inputs, and Hazard Switch
Park Lamp Control, Turn Signal Inputs, and Hazard Switch
Park Lamp Control, Turn Signal Inputs, and Hazard Switch
Master Electrical Component List
Exterior Lighting Systems Description and Operation
Turn Signal Lamps
B+ Bus - Underhood Fuse Block
Headlights/Daytime Running Light (DRL) Schematics - TT5
Headlights/Daytime Running Light (DRL) Schematics (w/o TT5)
Inside Rearview Mirror, Dome Lamp, Footwell Lamps, and Cargo Lamp
Interior Lights Dimming
Interior Lights Dimming
Splice Pack SP106 and G106 - 1 of 2