GM Service Manual Online
For 1990-2009 cars only
Makes
🢒
Chevrolet
🢒
2004
🢒
Colorado Pickup - 2WD
🢒 Outside Mirrors
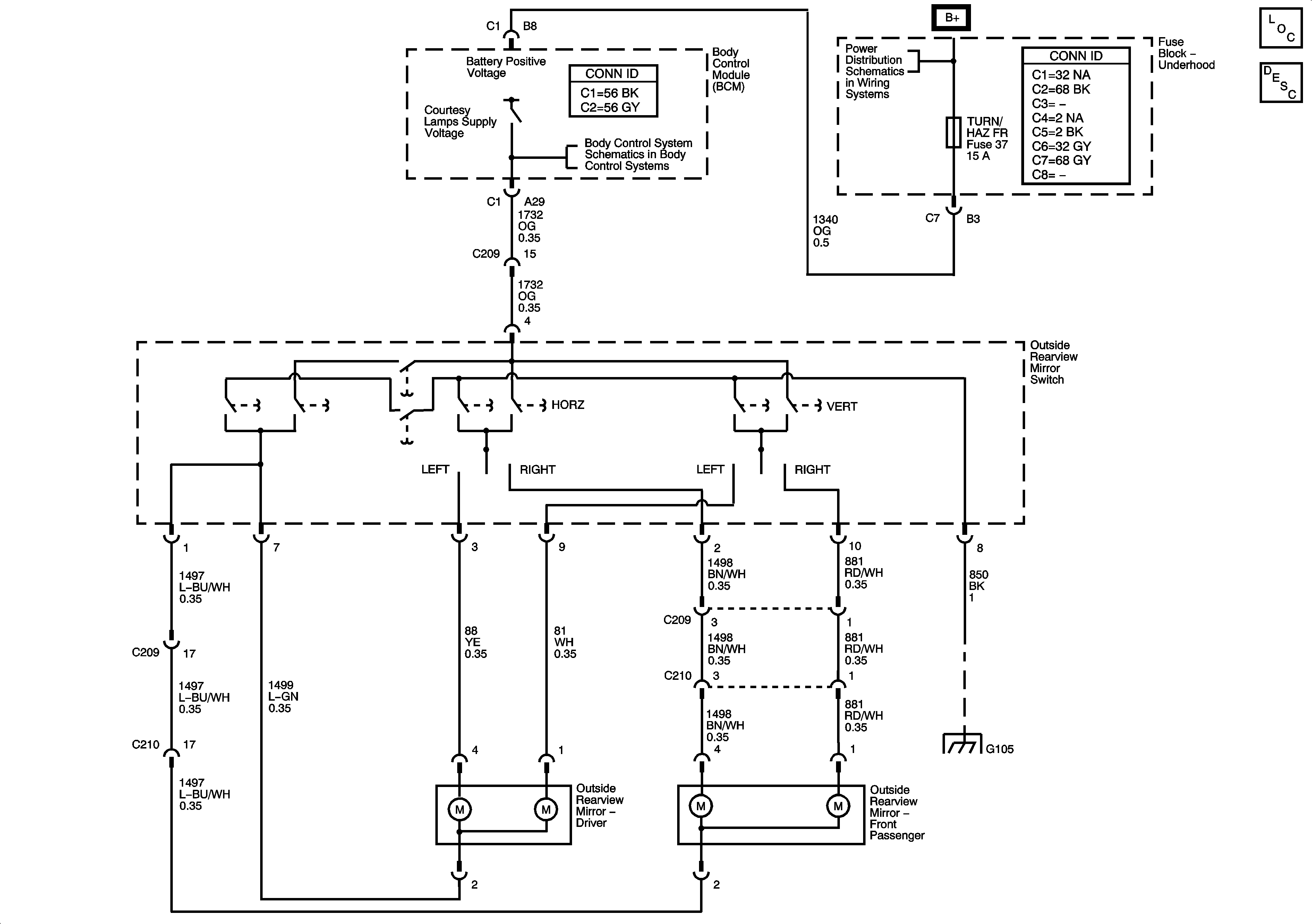
Outside Mirrors
Master Electrical Component List
Outside Mirror Description and Operation
Power, Ground, Serial Data, and Controlled/Monitored Subsystem References
B+ Bus - Underhood Fuse Block
Splice Pack SP105 and G105 - 1 of 2