GM Service Manual Online
For 1990-2009 cars only
Makes
🢒
Chevrolet
🢒
2004
🢒
Colorado Pickup - 2WD
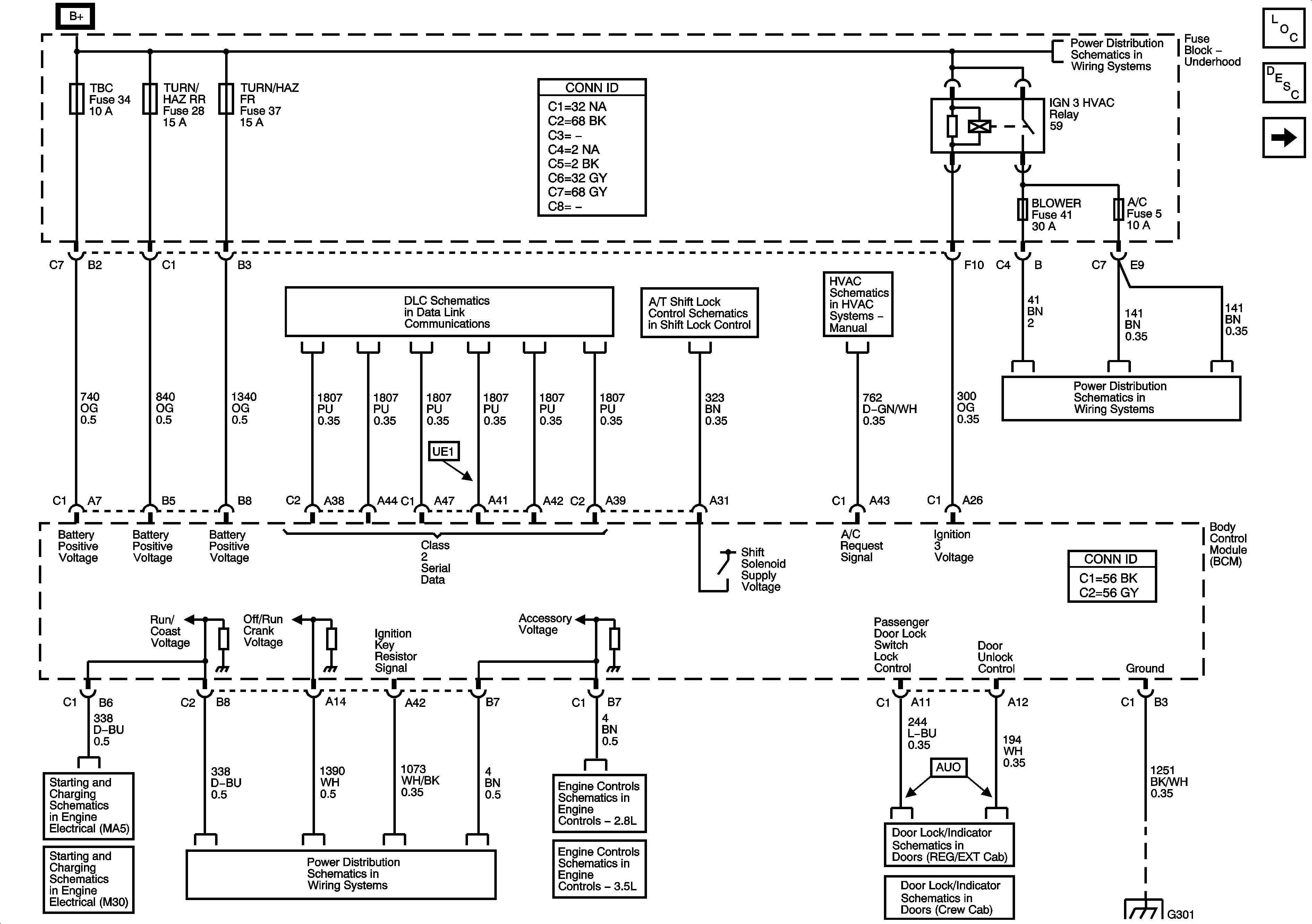
🢒 Power, Ground, Serial Data, and Controlled/Monitored Subsystem References
Power, Ground, Serial Data, and Controlled/Monitored Subsystem References
Power, Ground, and Subsystem References to DLC, A/T Shift Lock Control, HVAC, Starting and Charging, Engine Controls, and Door Lock/Indicator Systems
Master Electrical Component List
Body Control System Description and Operation
Subsystem References to Theft, Horn, Seat Belt, Outside Mirror, RAP, Brake Warning, ABS, and Wiper/Washer
B+ Bus - Underhood Fuse Block
Data Link Connector (DLC) Schematics
Shift Lock Control
Primary Blower, and Air Delivery Controls (C60/C42)
DOOR LOCK, ONSTAR, HTD SEAT, TBC, TURN/HAZ FR, TURN/HAZ RR, BLOWER, and A/C Fuses, IGN 3 HVAC Relay
Starting System (MA5)
Starting System (M30)
IGN TRANS D Fuse
Power, Ground, MIL, and DLC
Power, Ground, MIL, and DLC
Power Door Locks - Regular and Extended Cab
Power Door Locks - Crew Cab
G300, G301, and G302