GM Service Manual Online
For 1990-2009 cars only
Makes
🢒
Chevrolet
🢒
2004
🢒
Colorado Pickup - 2WD
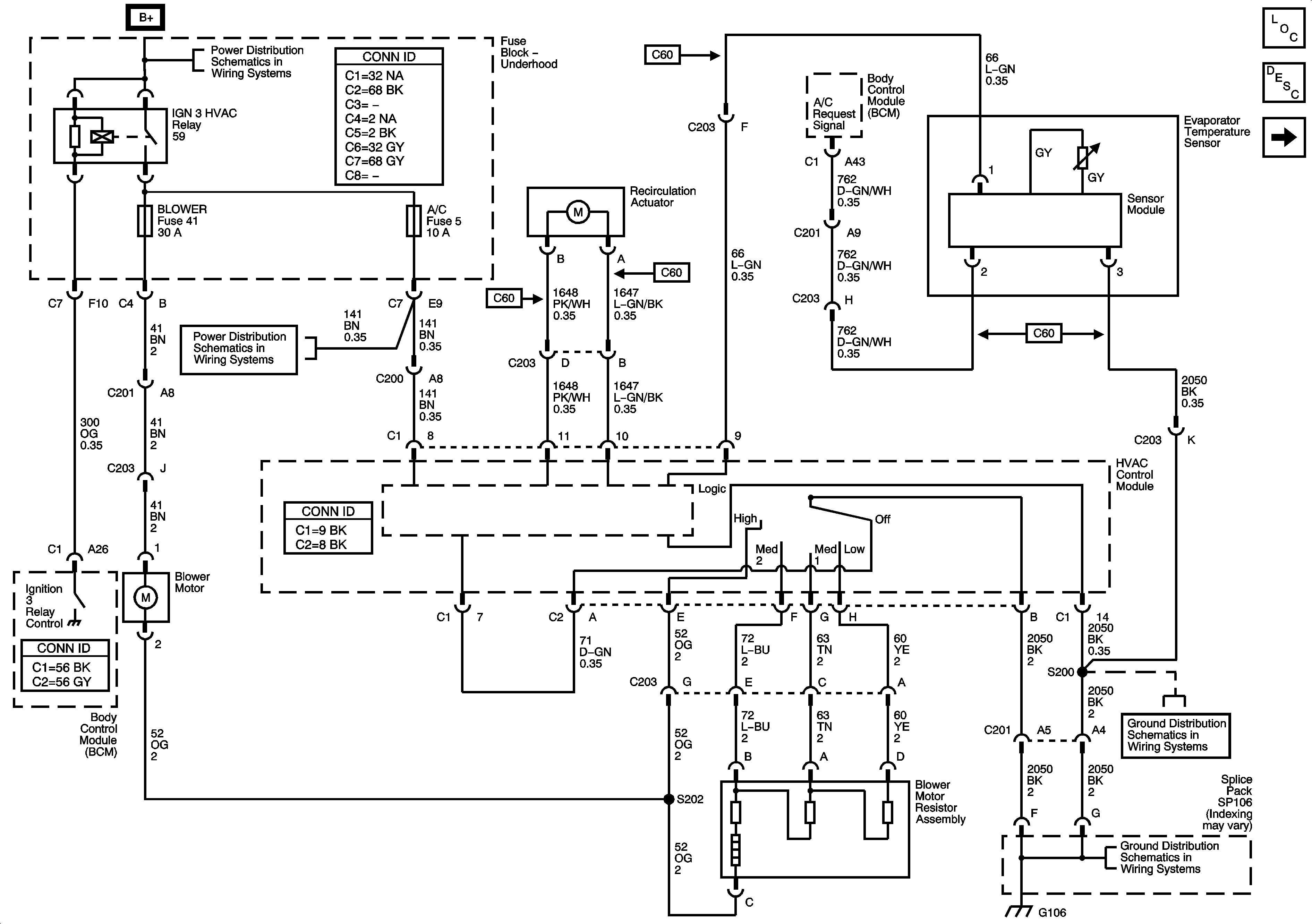
🢒 Primary Blower, and Air Delivery Controls (C60/C42)
Primary Blower, and Air Delivery Controls (C60/C42)
Primary Blower, and Air Delivery Controls - C60/C42
Master Electrical Component List
Air Delivery Description and Operation
Compressor Controls (C60)
B+ Bus - Underhood Fuse Block
DOOR LOCK, ONSTAR, HTD SEAT, TBC, TURN/HAZ FR, TURN/HAZ RR, BLOWER, and A/C Fuses, IGN 3 HVAC Relay
Splice Pack SP106 and G106 - 1 of 2
Splice Pack SP106 and G106 - 1 of 2