GM Service Manual Online
For 1990-2009 cars only
Makes
🢒
Chevrolet
🢒
2004
🢒
Colorado Pickup - 2WD
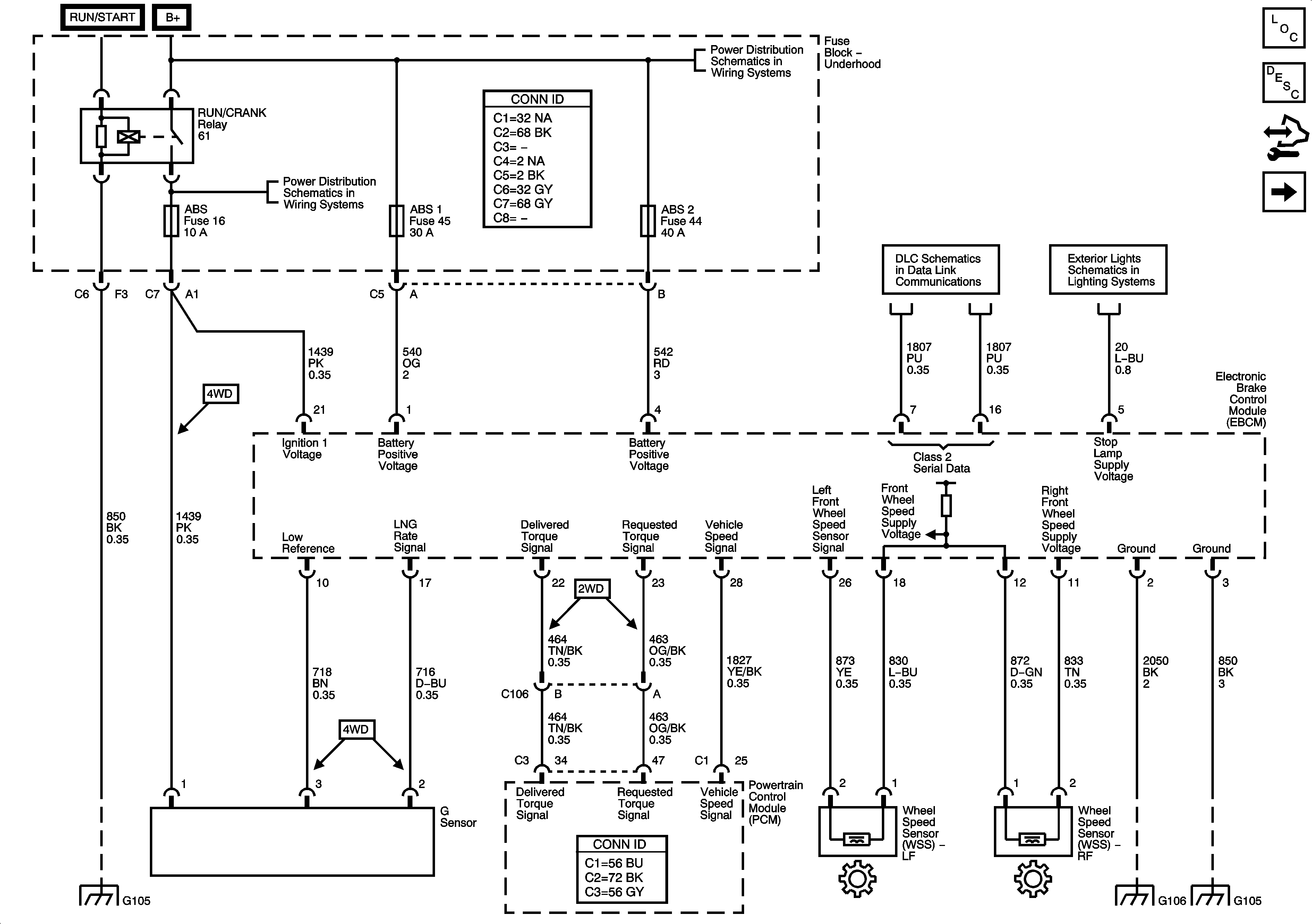
🢒 Power, Ground, and Electronic Brake Control Module
Power, Ground, and Electronic Brake Control Module
Power, Ground, and Electronic Brake Control Module
Master Electrical Component List
ABS Description and Operation
ABS Traction Control
B+ Bus - Underhood Fuse Block
SPARE, IGN, and A/C COMP Fuses
Data Link Connector (DLC) Schematics
Stop Lamps, and License Lamps
Splice Pack SP105 and G105 - 1 of 2
Splice Pack SP106 and G106 - 1 of 2
Splice Pack SP105 and G105 - 1 of 2