GM Service Manual Online
For 1990-2009 cars only
Figure 1:

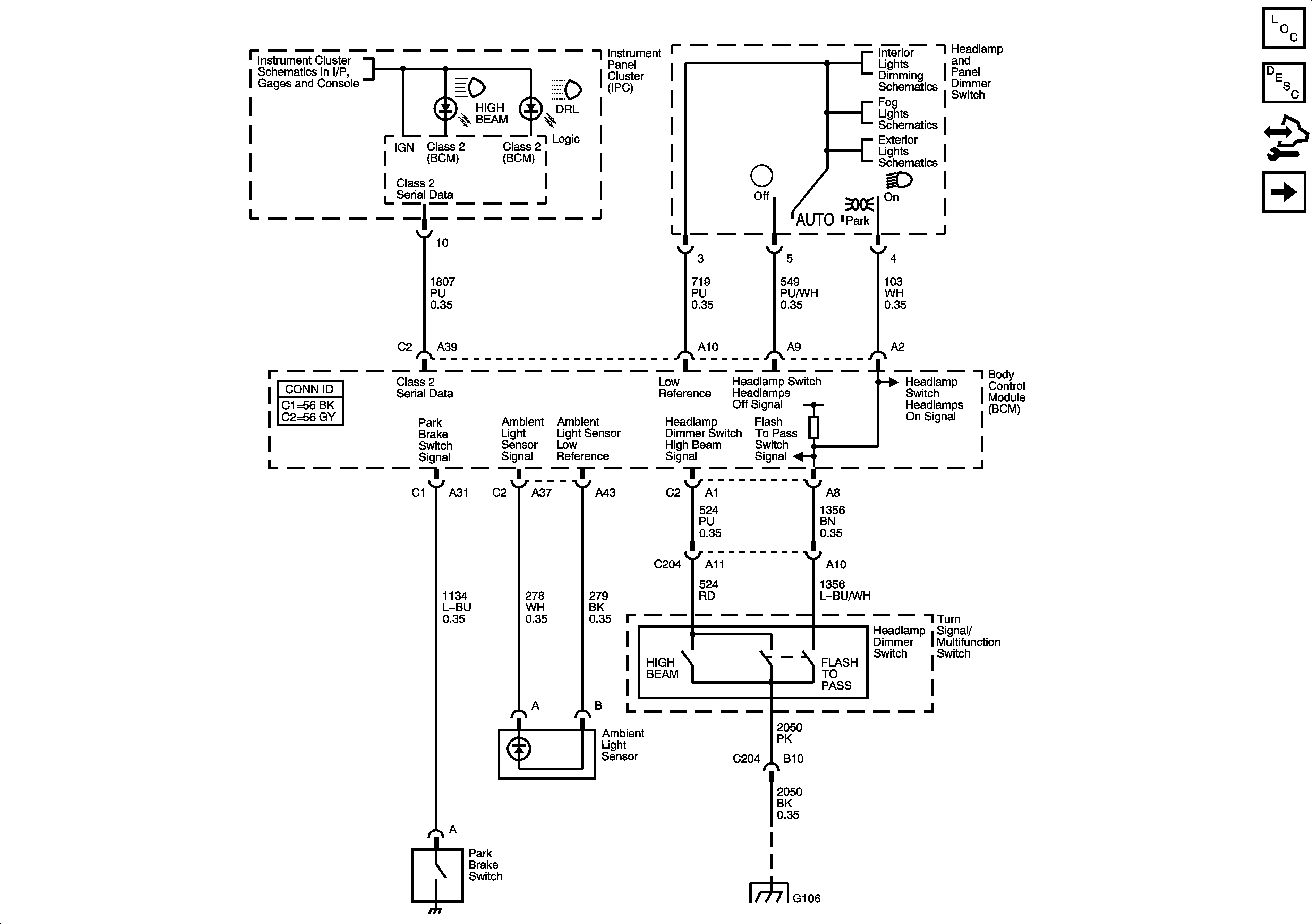
Ambient Light Sensor, Headlamp Controls and Switches


Object Number: 1472868  Size: FS
Master Electrical Component List
Exterior Lighting Systems Description and Operation
Body Control Module (BCM) Programming/RPO Configuration
w/TT5
Indicators
Interior Lights Dimming Schematics
Fog Lights Schematics
Exterior Lights Schematics
Splice Pack SP106 and G106 - 1 of 2
Figure 2:

Headlamp Schematics w/TT5


Object Number: 2009386  Size: FS
Master Electrical Component List
Exterior Lighting Systems Description and Operation
Body Control Module (BCM) Programming/RPO Configuration
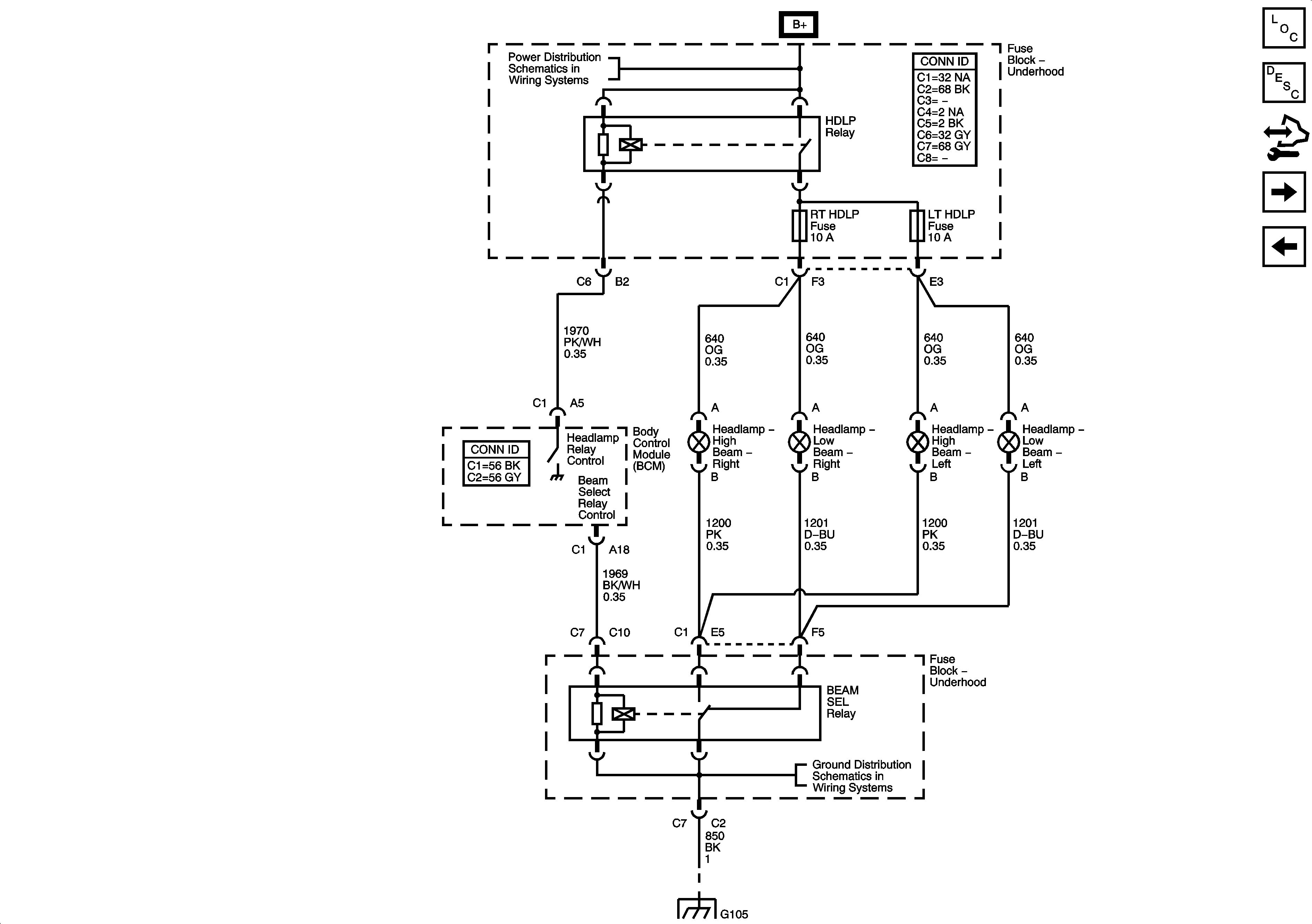
Daytime Running Lamps
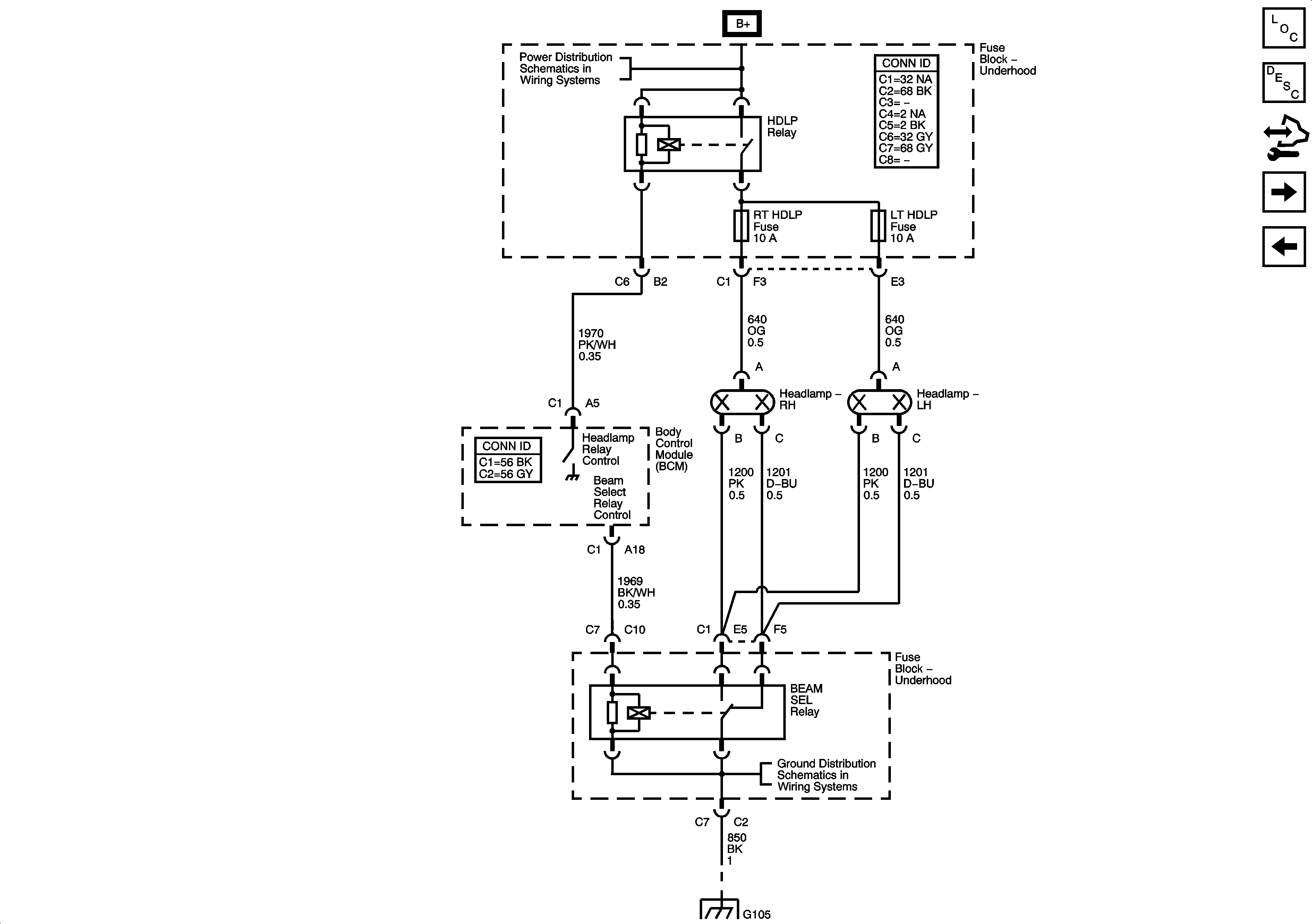
Headlamp Schematics w/o TT5
B+ Bus - Underhood Fuse Block
Splice Pack SP105 and G105 - 1 of 2
Figure 3:

Headlamp Schematics w/o TT5


Object Number: 2009387  Size: FS
Master Electrical Component List
Exterior Lighting Systems Description and Operation
Body Control Module (BCM) Programming/RPO Configuration
Headlamp Schematics w/TT5
B+ Bus - Underhood Fuse Block
Splice Pack SP105 and G105 - 1 of 2
Figure 4:

Daytime Running Lamps


Object Number: 2009384  Size: FS
Master Electrical Component List
Exterior Lighting Systems Description and Operation
Body Control Module (BCM) Programming/RPO Configuration
Ambient Light Sensor, Headlamp Controls and Switches
Headlamp Schematics w/TT5
B+ Bus - Underhood Fuse Block
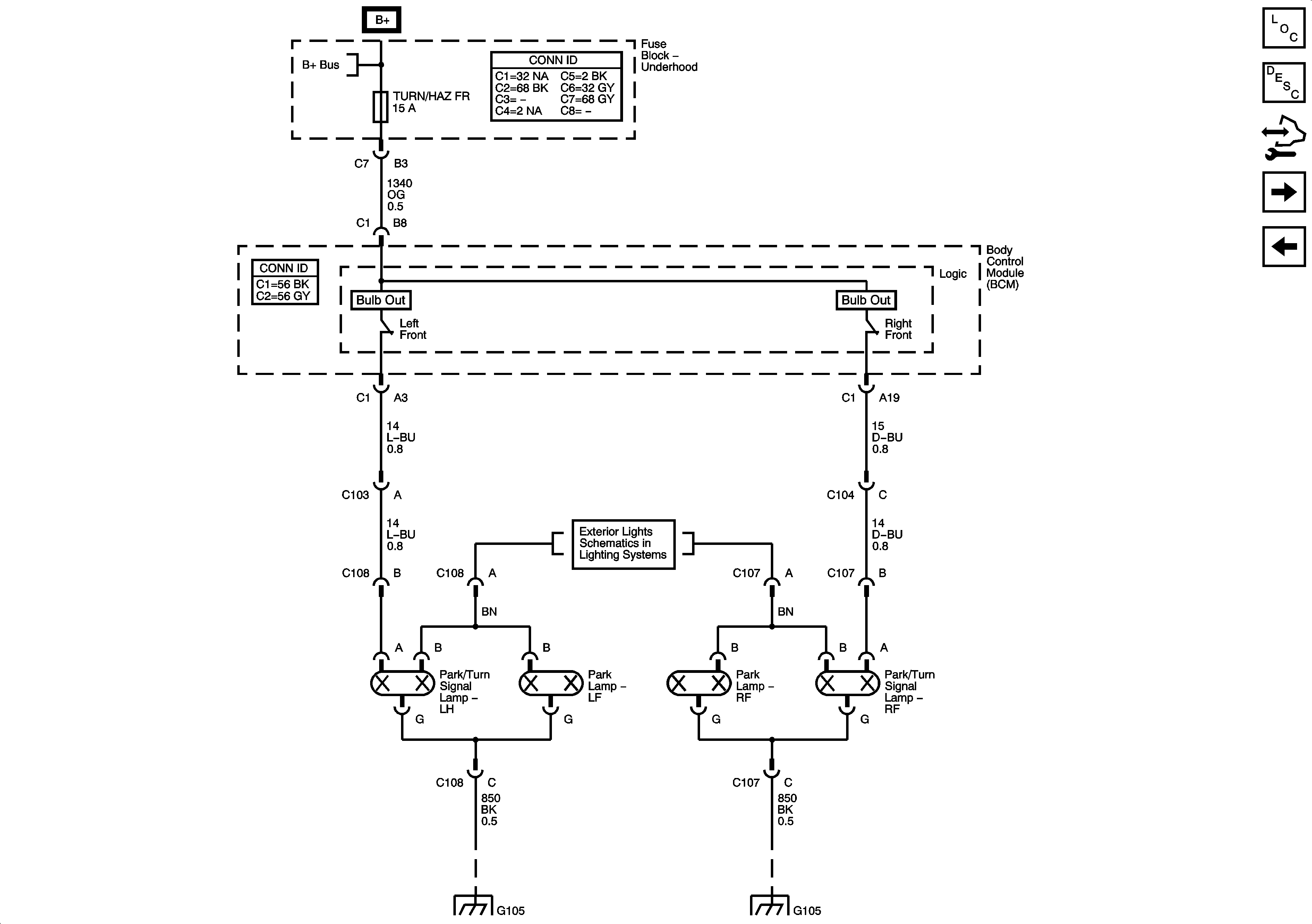
Park Lamps
Splice Pack SP105 and G105 - 1 of 2
Splice Pack SP105 and G105 - 1 of 2