GM Service Manual Online
For 1990-2009 cars only
Figure 1:

Park Lamp Control, Turn Signal Inputs, and Hazard Switch


Object Number: 1472887  Size: FS
Master Electrical Component List
Exterior Lighting Systems Description and Operation
Body Control Module (BCM) Programming/RPO Configuration
Turn Signal Lamps
B+ Bus - Underhood Fuse Block
Ambient Light Sensor, Headlamp Controls and Switches
w/o TT5
Inside Rearview Mirror, Dome Lamp, Footwell Lamps, and Cargo Lamp
Interior Lights Dimming Schematics
Interior Lights Dimming Schematics
Splice Pack SP106 and G106 - 1 of 2
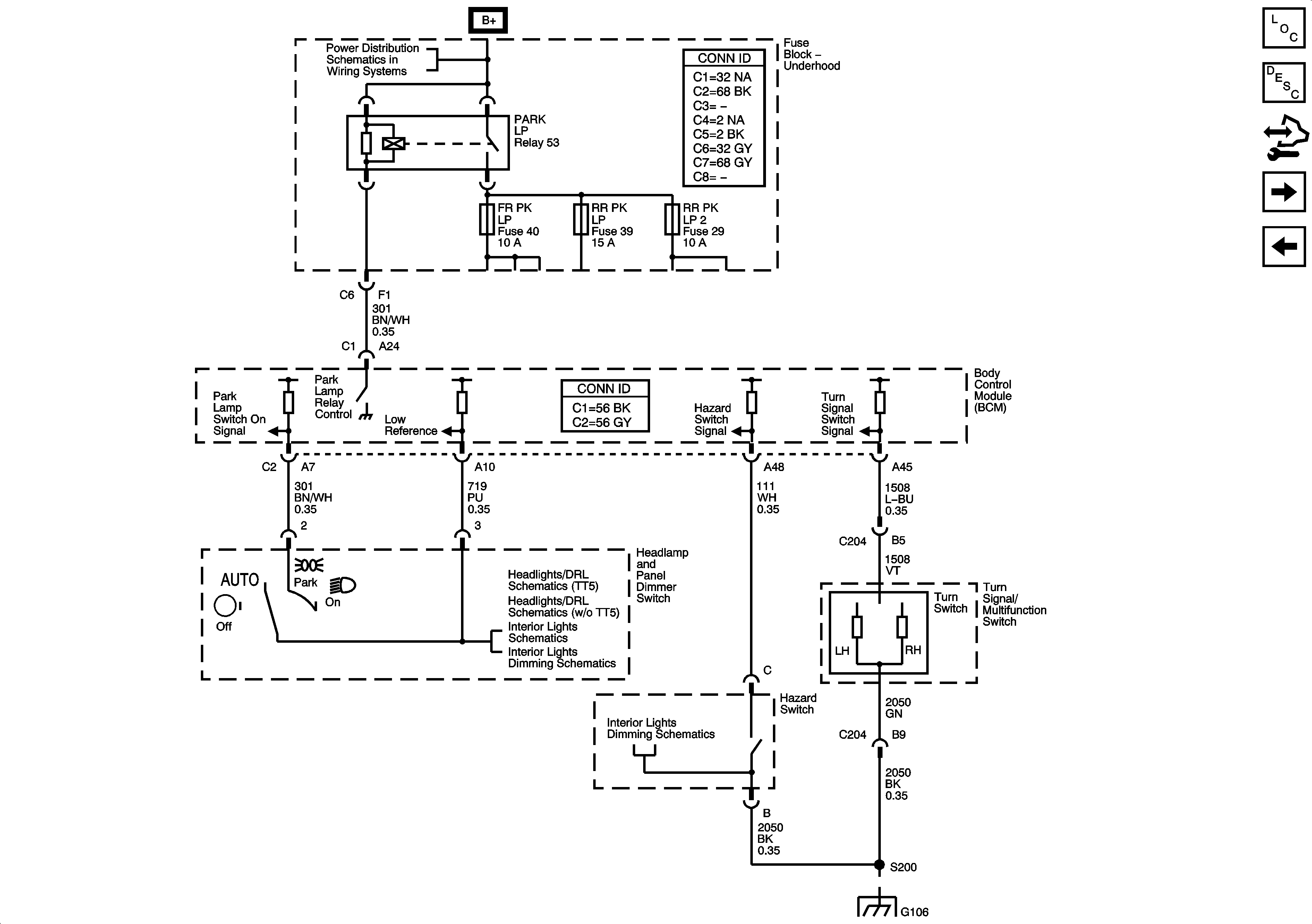
Figure 2:

Turn Signal Lamps


Object Number: 1472889  Size: FS
Master Electrical Component List
Exterior Lighting Systems Description and Operation
Body Control Module (BCM) Programming/RPO Configuration
Park Lamps
Park Lamp Control, Turn Signal Inputs, and Hazard Switch
B+ Bus - Underhood Fuse Block
Splice Pack SP105 and G105 - 1 of 2
Splice Pack SP105 and G105 - 1 of 2
Splice Pack SP105 and G105 - 1 of 2
Splice Pack SP105 and G105 - 1 of 2
Splice Pack SP105 and G105 - 1 of 2
Figure 3:

Park Lamps


Object Number: 1472891  Size: FS
Master Electrical Component List
Exterior Lighting Systems Description and Operation
Body Control Module (BCM) Programming/RPO Configuration
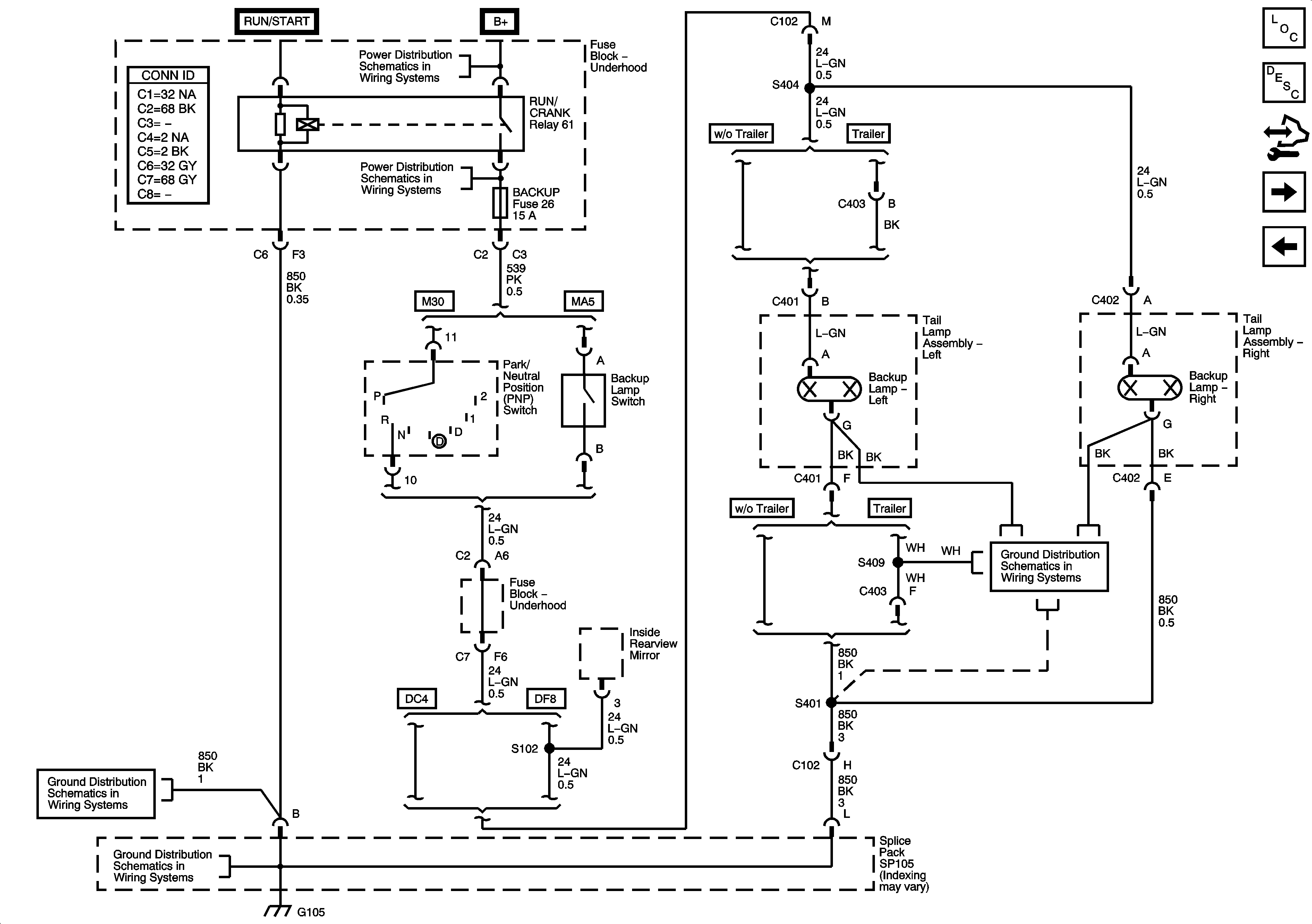
Stop Lamps and License Lamps
Backup Lamps
FR PK LP, RR PK, and RR PK LP Fuses
FR PK LP, RR PK, and RR PK LP Fuses
FR PK LP, RR PK, and RR PK LP Fuses
Splice Pack SP105 and G105 - 1 of 2
Splice Pack SP105 and G105 - 1 of 2
Splice Pack SP105 and G105 - 1 of 2
Splice Pack SP105 and G105 - 1 of 2
Splice Pack SP105 and G105 - 1 of 2
Figure 4:

Stop Lamps and License Lamps


Object Number: 1472892  Size: FS
Master Electrical Component List
Exterior Lighting Systems Description and Operation
Body Control Module (BCM) Programming/RPO Configuration
Backup Lamps
Park Lamps
B+ Bus - Underhood Fuse Block
B+ Bus - Underhood Fuse Block
FR PK LP, RR PK, and RR PK LP Fuses
Splice Pack SP105 and G105 - 1 of 2
Splice Pack SP105 and G105 - 1 of 2
Splice Pack SP105 and G105 - 1 of 2
Figure 5:

Backup Lamps


Object Number: 1472894  Size: FS
Master Electrical Component List
Exterior Lighting Systems Description and Operation
Body Control Module (BCM) Programming/RPO Configuration
Stop Lamps and License Lamps
B+ Bus - Underhood Fuse Block
B+ Bus - Underhood Fuse Block
Splice Pack SP105 and G105 - 2 of 2
Splice Pack SP105 and G105 - 1 of 2
Splice Pack SP105 and G105 - 1 of 2
Splice Pack SP105 and G105 - 1 of 2
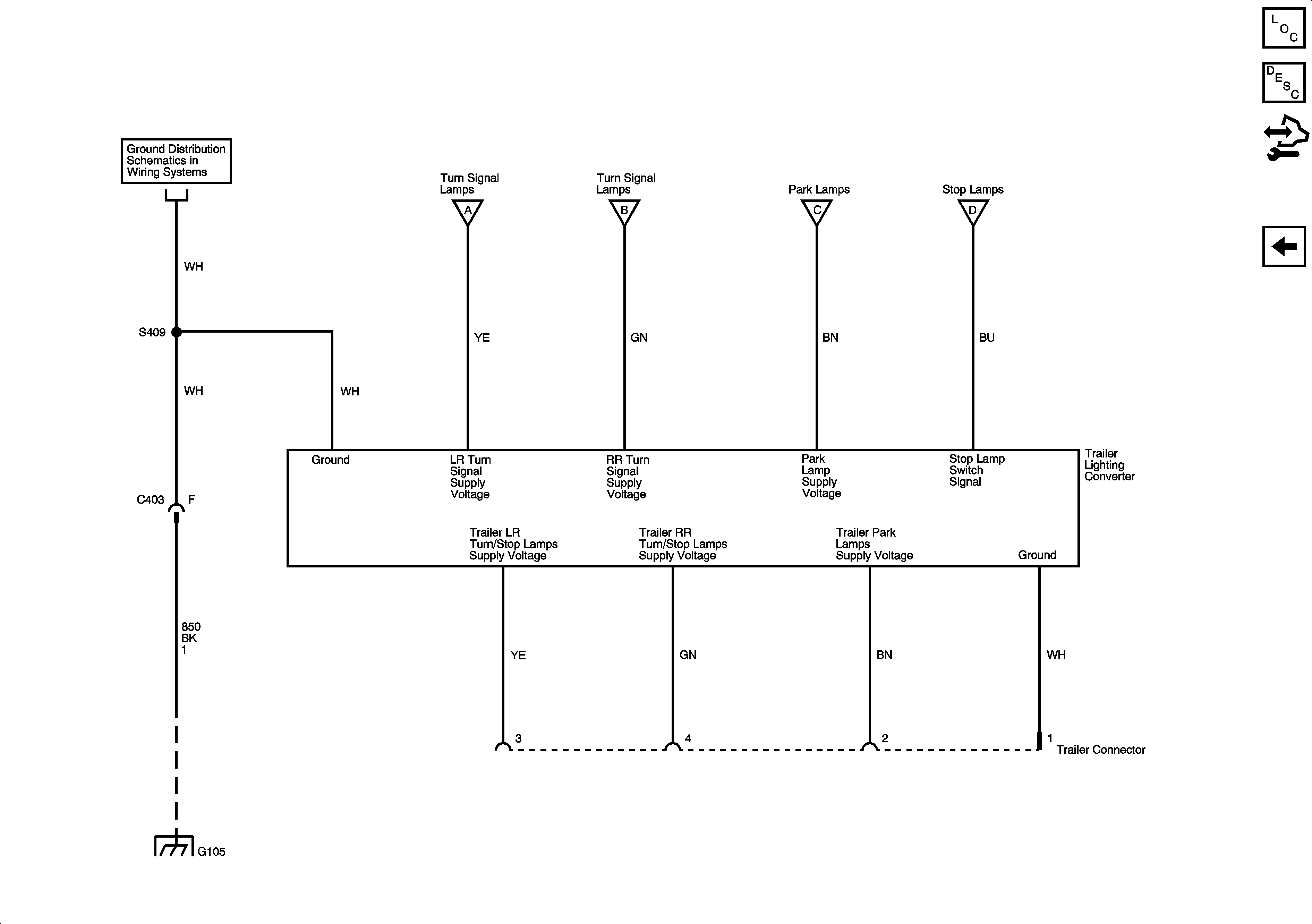
Figure 6:

Trailer Lighting


Object Number: 1766069  Size: FS